Как установить BMS
BMS выполняет важную функцию безопасности для литиевой батареи. Это не только сделает Вашу батарею более безопасной, защищая Ваши элементы от чрезмерной разрядки, но также значительно упростит весь процесс зарядки.
Установка BMS на литиевую батарею
Для начала необходимо установить два основных набора проводов: толстые и тонкие. Толстые провода — провода для зарядки / разрядки, а тонкие провода — для балансировки.
Не все BMS абсолютно одинаковы, однако большинство из них похожи. Ваша BMS, вероятно, будет иметь 3 толстых провода B, P и C
Установка В провода
Если Ваша BMS поставляется с толстыми проводами, уже припаянными к плате BMS ( как BMS в нашем магазине), то самый трудный шаг для Вас уже сделан. Если нет, Вам придется припаять отрезок провода к B-колодке на Вашей BMS. Затем возьмите свободный конец Вашего B-провода и подключите его к контактам на Вашей батарее, которые должны быть привинчены к отрицательному терминалу первой группы ячеек.
Теперь Ваша BMS подключена к отрицательному полюсу Вашей батареи. Как правило, в этот момент рекомендуется установить BMS на Ваш аккумулятор, если Вы этого еще не сделали. Мы обычно используем термоклей или двухсторонний скотч.
Установка балансировочных проводов
Далее необходимо добавить провода баланса (тонкие провода с белым разъемом). Ваша BMS будет иметь такое же количество балансировочных проводов, что и последовательных элементов в батарее и плюс еще один. BMS, которые продаются в нашем магазине, имеют на один провод больше, чем количество ячеек в серии. Если Ваша BMS имеет на один провод больше, чем количество последовательных ячеек, то все провода баланса будут соединены с положительными терминалами параллельных групп ячеек, кроме самого первого, который соединится с отрицательным концом первой параллельной группы ячеек. Если BMS имеет то же количество проводов балансировки, что и последовательных ячеек, то каждый провод баланса будет подключаться только к положительному терминалу каждой группы ячеек.
Лучше всего подключать тонкие балансировочные провода, удалив гайку на одной ячейке в группе, подняв шину и затем обмотав провод вокруг резьбовой стойки. Затем установите шину обратно на верхнюю часть ячейки, убедившись, что она соприкасается с балансировочным проводом, наживите гайку и затяните. Это зажмет балансировочный провод между шиной и пластиковым колпачком. Вы также можете зажать балансировочный провод между шиной и гайкой, но это добавит некоторое сопротивление потоку электричества через батарею. Размещая балансировочный провод под шиной вместо шины и гайки, вы позволяете основному потоку электричества обходить чувствительный провод во время разряда блока, при этом оставляя его в электрическом соединении. По сути, вы проводите провод баланса параллельно с потоком электроэнергии, а не последовательно.
Кроме того, Вы также можете припаять балансировочные провода непосредственно на сборные шины. Таким образом, Вам не нужно беспокоиться о создании надежного соединения.
Установка P-провода
Теперь, когда Вы установили все провода баланса, Вы можете двигаться по оставшимся толстым проводам. P-провод является отрицательным разрядным соединением, поэтому он подключается к любому устройству, к которому Вы подключаете питание, например, к контроллеру электрического велосипеда или самоката, инвертору и т. д.
В нашей BMS этот провод уже припаян, так что на этом мы практически закончили, если только Вы не хотите удлинить этот провод. Если вы используете другую BMS, вам необходимо аккуратно припаять этот провод к P-контакту BMS. Советуем использовать довольно толстый провод(12 или 14 AWG).
Установка С-провода
Далее необходимо установить C-провод. Опять же, если Вы использовали одну из наших BMS, этот провод уже установлен. Если только Вы не хотите удлинить провод — все готово.
При использовании любой другой BMS, нужно аккуратно припаять провод к C-контакту BMS. Здесь можно использовать несколько более тонкий провод, так как зарядное устройство обычно обеспечивает меньший ток по сравнению с разрядкой (14-18 AWG).
Далее, нужно установить свой разъем зарядного устройства. Опять же, любой разъем зарядного устройства будет работать до тех пор, пока он может выдерживать Ваши нагрузки. Обычными разъемами для зарядки являются XT-60, Anderson Power Poles, XLR и DC 5.5х2.1 мм.
Установка положительного заряда и разряда проводов
Провода положительного заряда и разряда обычно не подключаются к BMS, вместо этого они обычно подключаются напрямую к батарее. Они оба подключатся к положительному концу последней группы ячеек, который является положительным выводом всей батареи.
Для разрядного провода нужно использовать провод той же толщины, который вы использовали для B- и P-проводов, обычно это 12 или 14 AWG. Зарядный провод может быть тоньше — от 14 до 18 AWG. Если Вы использовали один проводной зажим на вашей батарее, убедитесь, что Ваш разрядный провод надежно обжат. Если для положительного заряда и разрядного провода недостаточно места, Вы всегда можете припаять меньший зарядный провод к зажиму. Если Вы использовали два зажима для проводов на положительном выводе вашей батареи, Вы можете использовать два разрядных провода, которые сращиваются вместе, или просто зачистить разрядный провод дальше, чтобы зажать его в двух местах. Всегда лучше использовать два или три проводных зажима на клеммах вашей батареи, если это возможно. Это распределяет нагрузку между элементами на концах вашей батареи.
Наконец, Вам нужно добавить свои разъемы. Вы, вероятно, уже установили разъемы на ваших C- и P-проводах. Вы будете использовать те же разъемы на проводах C + и P + (положительный заряд и положительный разряд), которые Вы только что подключили на этом шаге.
Последний совет — установить разъемы до подключения проводов к аккумулятору, если это возможно. Это означает, что, если Вы запутали разъем или иным образом затруднили его установку, Вы можете перезагрузить его, не подключая его к аккумулятору. Это также немного безопаснее, так как это означает, что оголенные концы проводов не будут подключены к электричеству во время установки разъемов.
Это все, что нужно для установки вашей BMS. Просто не забывайте выполнять все инструкции медленно и осторожно. Если у Вас есть какие-либо вопросы, не забудьте зайти на форумы, где есть раздел, посвященный BMS. Задайте любые вопросы, которые у Вас есть, и прочитайте о шагах, которые другие пользователи использовали для установки своих BMS.
Как самостотяельно подключить BMS плату — инструкция
Для долгой и безопасной работы литий-ионных аккумуляторов важно не допускать их глубокого разряда и избыточного заряда – не выходить за рамки диапазона 2,5–4,2 В. Контроль соблюдения этих условий возлагается на особую электронную систему – BMS плату. Она следит за рабочими характеристиками аккумуляторной батареи, не допускает возникновения опасных ситуаций, управляет процессом зарядки, распределяет нагрузку и продлевает срок службы АКБ.
В зависимости от функционала, БМС плата может обеспечивать защиту Li-ion батареи:
- от избыточного и критически малого напряжения – отключает зарядник при достижении верхнего предела и не дает подключить потребляющее устройство, если батарея разряжена;
- от токовых перегрузок и КЗ – при превышении допустимого тока отключает источник потребления энергии, разомкнув цепь;
- от дисбаланса между «банками» в сборке – при помощи балансировочного шлейфа выравнивается их уровень заряда;
- от перегрева – терморезистор отключает нагрузку, если температура АКБ превышает допустимое значение.
Подготовка АКБ к подключению BMS платы
Перед подключением БМС платы важно корректно собрать аккумуляторную батарею – соединить элементы питания в единый блок. Схема BMS их соединения зависит от заданных характеристик собираемой батареи. При параллельном соединении ячеек суммируется емкость, а при последовательном – наращивается напряжение АКБ.
Чаще всего используется параллельно-последовательное соединение: вначале «банки» соединяются параллельно, а затем полученные сборки – последовательно. Например, по схеме 9S4P последовательно соединяется 9 параллельных сборок, каждая из которых состоит из 4 аккумов. При последовательной сборке элементов между ними обязательно размещаются изолирующие прослойки, например, из стеклотекстолита толщиной 0,5 мм. БМС плата воспринимает параллельно соединенные «банки» как 1 аккумулятор.
Схема подключения BMS контроллера
Платы защиты АКБ бывают разной конструкции, но большинство из них похожи. Чтобы подключить BMS плату для 18650 или других элементов питания в сборке, используют 2 основные набора проводов – тонкие (балансировочные) и толстые (силовые, предназначенные для подключения нагрузки и зарядного устройства). Обычно БМС плата имеет 3 толстых провода – В, Р и С.
Проще подключить BMS (PCM) плату, к которой уже припаяны толстые провода. В противном случае нужно припаять их самостоятельно. Вначале нужно взять отрезок провода, припаять его к В-колодке на плате, а его свободный конец – подключить к контактам АКБ на отрицательном терминале 1-й группы элементов. В результате плата защиты будет подключена к минусовому полюсу АКБ.
Далее устанавливаются балансировочные провода. Если их число на 1 больше, чем количество последовательных ячеек, то все проводки соединяются с «+» терминалами параллельных групп аккумуляторов, за исключением первого – он соединяется с «-» полюсу первой параллельной группы. Если число балансировочных проводов равно количеству последовательных элементов, то каждый проводок подключается к «+» терминалу каждой группы аккумуляторов.
После проводов баланса подключается Р-провод. Он обеспечивает минусовое разрядное соединение – идет к контроллеру или другому устройству, к которому подключается питание. Далее подключается С-провод, обеспечивающий соединение с зарядным устройством, и устанавливается разъем ЗУ. Провода «+» заряда и разряда обычно подключаются напрямую к АКБ – к «+» выводу последней группы.
Как правильно подключить плату BMS
Рассмотрим схему подключения BMS платы симметричной конфигурации:
При подсоединении этой электронной системы важно соблюдать последовательность действий:
- Подсоединить балансировочный шлейф. Взять тонкий черный проводок, идущий от точки «В-» шлейфа. Подсоединить его к «-» клемме 1-го элемента сборки. Второй проводок шлейфа подсоединить к «+» клемме 1-го элемента. Далее последовательно подсоединить остальные тонкие проводки шлейфа балансировки к «+» клеммам каждого элемента.
- Проконтролировать последовательность подсоединения проводов.
- Измерить напряжение на клеммах разъема – поместить «-» мультиметра на черный проводок шлейфа балансировки, а «+»– на красный.
- Поместить разъем в гнездо БМС модуля.
- Подсоединить силовой провод «В-» к «-» клемме 1-го элемента. Черный силовой провод «Р-» – это «минус» АКБ, идущий на зарядник и потребляющее оборудование.
- Плюсовой полюс АКБ подсоединить к «+» клемме последней ячейки АКБ. Вывести на потребляющее устройство и ЗУ.
- Измерить напряжение АКБ на клеммах, проверить крайние полюса батареи, напряжение через БМС, провод «Р-» и крайний плюсовой полюс. При отличиях в напряжении отследить последовательность подсоединения.
После того, как БМС плату подключили, ее нужно протестировать.
Алгоритм тестирования BMS платы
Аккумуляторную батарею нужно полностью зарядить. По завершении зарядного процесса на каждом элементе питания необходимо отследить напряжение отсечки БМС по верхнему пределу. Плата управления и защиты должна отключать ЗУ в момент, когда хотя бы на одном аккумуляторе из сборки напряжение достигнет максимума, и через небольшой временной промежуток снова включать его. Это необходимо для выполнения балансировки ячеек и недопущения их перезаряда. В рамках тестирования нужно проверить все элементы АКБ до достижения их полной балансировки.
Дальнейшее тестирование работы БМС платы выполняется в процессе разряда АКБ. Ее нужно разрядить и проконтролировать напряжение отсечки по нижней границе. После тестирования готовая батарея с BMS платой помещается в прочный защитный корпус и может использоваться по назначению.
О том, как выбрать зарядное устройство для титаната лития, читайте здесь.
Что такое система управления BMS
Литий-ионные аккумуляторы и их модификации успешно вытесняют остальные виды химических источников тока с рынка элементов питания. Обладая многочисленными достоинствами, позволяющими осуществить эту экспансию, тем не менее, Li-ion батареи имеют врожденные проблемы в плане пожароопасности и взрывоопасности. По этой причине разработчики вынуждены оснащать эти аккумуляторы дополнительными средствами защиты.
Что такое система BMS, где применяется
Одним из подобных широко применяемых устройств является система BMS — battery management system (в точном переводе — система управления батареей, а в русскоязычном инженерном сленге – балансир). Применяется она для защиты батарей, составленных из нескольких последовательно соединенных литиевых элементов.
Невозможно подобрать в батарею ячейки с полностью идентичными характеристиками, включая емкость. Между «банками» всегда будет существовать разброс, который в течение периода эксплуатации будет скорее увеличиваться, чем уменьшаться.
Известно, что время зарядки зависит, в том числе, и от зарядного тока. Если элементы соединены последовательно, то при подзаряде (да и при разряде тоже) ток в такой цепи будет одинаковым для каждой «банки». В результате разницы в емкостях, одни элементы будут еще не заряжены, в других уровень энергии достигнет предельного значения. Если процесс в этот момент не прервать, а дожидаться полного заряда всех элементов, ячейки с меньшей емкостью войдут в режим перезаряда. Это крайне нежелательно, так как перезаряд чреват возгоранием. Если же подзаряд остановить по достижению предельного уровня одним элементом, остальные ячейки будут недозаряжены, что тоже плохо. Чтобы избежать этой ситуации потребовалось разработать специальное электронное устройство.
Процесс возгорания Li-ion аккумулятора прервать очень сложно
Основные функции, характеристики и принцип работы
Главная функция, которую выполняет устройство балансировки – не допустить перезаряда ни одной из ячеек, полностью зарядив все аккумуляторы. Для этого напряжение на каждом элементе постоянно контролируется. При достижении номинального уровня различные по схемотехнике платы отрабатывают одним из двух способов:
- Либо закорачивают (шунтируют) зарядившийся элемент (резистором или другим способом).
- Либо подключают его через резистор к недозаряженной ячейке, выравнивая запас энергии.
Достоинства первого способа, называемого пассивным – простота реализации, а минусом считается излишняя потеря энергии на шунтирующих элементах.
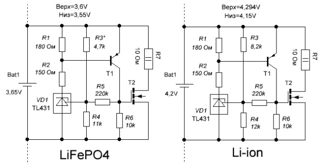
При пассивном способе балансировки в данной схеме аккумулятор шунтируется резистором R7 при открывании мощного транзистора T2
Второй способ, называемый активным, сложнее, зато экономичнее. Обычно применяются два алгоритма:
- подзаряд от самого заряженного элемента всей оставшейся цепочки аккумуляторов;
- подзаряд от самой заряженной «банки» самого разряженного элемента.
Активная система балансировки может быть использована для подзаряда в буферном режиме, поэтому ее применяют в источниках бесперебойного питания и подобных устройствах.
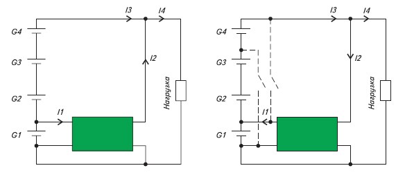
Реализация двух способов активной балансировки
Существует еще одна активная система балансировки, когда каждая ячейка оснащается своим зарядным устройством.
Помимо основного назначения, на плату BMS обычно возлагаются и дополнительные защитные функции:
- защита от перегрева (для этого нужен отдельный выносной датчик температуры) – прекращает подзаряд, если батарея достигла верхнего ограничения по температуре;
- защита от сверхтока (перегрузки) – отключает всю батарею при превышении отдаваемого тока выше заданного предела;
- защита от глубокого разряда (при достижении одним элементом нижнего порогового уровня отключается от нагрузки вся цепочка аккумуляторов).
Все эти функции могут быть реализованы измерением одного лишь напряжения, включая защиту от сверхтока. Эта защита срабатывает при определенном «проседании» напряжения элемента или нескольких одновременно. Но иногда отключение от сверхтока реализуется и другими способами (например, с помощью традиционного токоизмерительного шунта – так точнее, но сложнее).
Как подключить BMS плату?
Главное преимущество современной аккумуляторной батареи (АКБ) – высокая плотность энергии на единицу массы – сопровождается недостатками, которые нужно компенсировать. Речь идет о перезаряде и глубоком разряде. АКБ не потерпит подобного обращения и отреагирует выходом из строя. BMS (Battery Management System) плата, устройство, которое следит за параметрами аккумулятора, управляет зарядкой и коммутирует нагрузку.
Функциональные возможности BMS платы.
- Защита по току. При коротком замыкании или подключении потребителя с избыточной энергоемкостью контроллер автоматически размыкает цепь (отключает нагрузку).
- Защита по напряжению. Контроллер измеряет его значение на каждой банке. Он не дает подключить нагрузку при низком напряжении и автоматически отключает зарядку при достижении максимального значения.
- Защита по температуре. Терморезистор отключает нагрузку и не допускает перегрева АКБ.
- Балансировка. Эта функция компенсирует разницу в емкости отдельных батарей, не допускает их перезаряда или недостаточной зарядки.
Перечисленные функции встречаются в BMS платах в различных комбинациях. Многие производители предлагают АКБ с интегрированной системой управления. Также существуют отдельные модули BMS, которые можно подключить к обычному аккумулятору без защиты.
Подготовка аккумулятора к установке BMS платы.
Перед подключением BMS платы важно правильно коммутировать (собрать) ячейки аккумулятора в аккумуляторный блок.
Между ячейками аккумулятора при последовательной сборке ОБЯЗАТЕЛЬНО необходимо поставить изолирующие прокладки, лучшим вариантом для изолирующих прокладок служит стеклотекстолит толщиной 0,5 миллиметров.
Инструкция по подключению симметричной BMS платы.
При подключении BMS платы необходимо соблюдать последовательность операций:
Первым этапом необходимо подключить балансировочный шлейф, для этого, берем черный тонкий провод, соединяющего «B-» балансировочного шлейфа, подсоединяется к минусовой «-» клемме первой ячейки аккумуляторной сборки, далее берем следующий тонкий провод (на схеме обозначен красным цветом) балансировочного шлейфа и подсоединяем к положительной «+» клемме первой ячейки. Далее необходимо в строгой последовательности подключить остальные провода (на схеме обозначен красным цветом) балансировочного шлейфа к положительным клеммам каждой ячейки аккумуляторной сборки. Очень ВАЖНО подключить шлейф в строгой последовательности от черного провода до последнего красного провода, перед установкой шлейфа в гнездо проверьте последовательность подключения проводов балансировочного шлейфа.
После подключения балансировочного шлейфа к ячейкам аккумулятора не спешите устанавливать разъем в BMS плату. Проверьте напряжение на клеммах разъема (минус мультиметра на черный провод балансировочного шлейфа, плюс на красный).
После проверки последовательности соединения и напряжения на балансировочном шлейфе, установите разъем в гнездо BMS платы.
Силовой провод «B-» подключите к минусовой клемме первой ячейки (на данной клемме ячейки установлен черный провод балансировочного шлейфа). Черный силовой провод «P-» идет на потребитель и зарядное устройство, является минусом аккумулятора.
Положительный полюс аккумулятора необходимо подключить к плюсовой клемме последней ячейки аккумуляторной сборки и пустить ее напрямую на потребитель и зарядное устройство.
После того, как подключение BMS платы завершено, необходимо проверить напряжение аккумулятора на клеммах, крайний минус «-» и крайний плюс «+» сборки ячеек, затем напряжение через BMS, провод «P-» и крайний плюс «+» сборки. В случае если напряжение отличается, проверьте последовательность подключения.
После сборки аккумулятора необходимо протестировать его в работе.
Первым этапом необходимо полностью зарядить аккумулятор и по окончании заряда, проверить напряжение отсечки BMS платы по верхнему порогу напряжения по каждой ячейки, т. е. BMS должна отключать зарядное устройство, как только на одной из ячеек напряжение достигнет верхнего порога, затем, через короткий промежуток времени вновь включать. Данную проверку необходимо сделать на всех ячейках аккумуляторной сборки, до полной балансировки аккумулятора.
Вторым этапом необходимо под контролем полностью разрядить аккумулятор и проверить напряжение отсечки по нижнему порогу BMS платы.
На этом этап сборки аккумулятора и подключения BMS платы можно считать законченным и, если не требуется подключение дополнительного оборудования, аккумуляторную сборку можно упаковывать в защитный корпус. В случае, если корпус аккумулятора металлический, предварительно необходимо изолировать аккумулятор, например, обложить листами стеклотекстолита.




