Режимы синхронизации
Обычно в осциллографах предусмотрены следующие режимы синхронизации генератора развертки:
— синхронизация «от сети».
Один из этих режимов выбирается вручную установкой переключателя «Источник синхронизирующего напряжения» на передней панели осциллографа в соответствующее положение.
Чаще всего используется внутренняя синхронизация, при которой на вход узла синхронизации поступает исследуемое напряжение с выхода предварительного усилителя КВО, то есть с внутреннего узла осциллографа. При внутренней синхронизации на осциллограф достаточно подать только само исследуемое напряжение.
Несколько реже используется внешняя синхронизация, при которой на вход узла синхронизации поступает напряжение, поданное на специальный вход «Вход внешн. синхр.» осциллографа. При внешней синхронизации на осциллограф нужно подать два напряжения: первое – исследуемое, а второе – синхронизирующее развертку. То есть напряжение развертки становится синхронным со вторым напряжением, а на экране наблюдают форму первого – исследуемого. Устойчивое изображение на экране получится только тогда, когда эти два напряжения (исследуемое и синхронизирующее развертку) сами будут между собой синхронны.
Режим внешней синхронизации используется, например, когда:
— нужно убедиться в синхронности некоторых двух напряжений;
— исследуемое напряжение кроме сигнала содержит шум (в этом случае при внутренней синхронизации изображение будет неустойчивым), а некоторое синхронное с ним напряжение шума не содержит;
— нужно измерить временной сдвиг одного напряжения относительно другого и т.п.
Иногда используется синхронизация «от сети», то есть от сети питания «220 В, 50 Гц», при которой на вход узла синхронизации поступает напряжение от источника питания осциллографа, являющееся частью поданного на этот источник внешнего напряжения питания «220 В, 50 Гц». По сути это режим внешней синхронизации, но опасное напряжение «220 В, 50 Гц» от сети питания на вход «Вход внешн. синхр.» подавать не нужно, так как оно уже введено внутрь осциллографа по проводу питания. Естественно, этот режим синхронизации невозможен, если осциллограф питается от встроенного в него аккумулятора. Режим синхронизации «от сети»используется, например, для проверки, не содержит ли исследуемое напряжение наводку от сети питания и т.п.
Часто с помощью осциллографа исследуют импульсные напряжения, в частности, измеряют длительность фронта импульса. В этом случае развертка должна начаться вместе с началом исследуемого фронта (лучше – даже немного раньше), чтобы на экране был виден весь фронт, и тогда можно будет измерить его длительность.
Наиболее трудно это обеспечить при внутренней синхронизации, когда само исследуемое импульсное напряжение, воздействуя на узел синхронизации, запускает генератор напряжения развертки. Причина в том, что от момента, когда начнется фронт исследуемого импульса и напряжение достигнет уровня (уровня запуска), до момента начала прямого хода напряжения развертки проходит некоторое время – время запаздывания запуска развертки (оно складывается из времени срабатывания компаратора, времени срабатывания формирователя импульсов и времени перехода генератора развертки из состояния ожидания запуска к прямому ходу). За это время успевает пройти часть фронта исследуемого импульса, и на экране осциллографа она показана не будет. На рис. 3.6 пояснена эта ситуация и показано изображение, получающееся на экране.
Получить полное изображение фронта импульса на экране при внутренней синхронизации можно с помощью линии задержки в канале вертикального отклонения.
Исследуемый импульс с выхода предварительного усилителя КВО (см. рис. 3.1) подается на вход узла синхронизации для запуска развертки и, одновременно, на вход линии задержки, где задерживается на время . Если окажется, что > , то прямой ход развертки начнется раньше, чем на вертикально отклоняющие пластины ЭЛТ поступит задержанный исследуемый импульс. В результате фронт импульса будет изображен на экране полностью.
Временные диаграммы и изображение на экране для этого случая показаны на рис. 3.7.
Однако технически сложно реализовать линию задержки, которая имеет достаточно большое , но мало искажает форму проходящего через нее исследуемого напряжения. Поэтому во многих осциллографах линии задержки в канале вертикального отклонения нет.
Полное изображение фронта импульса на экране таких осциллографов можно получить, только применяя внешнюю синхронизацию развертки вспомогательным импульсом, опережающим исследуемый импульс и синхронным с ним.
Этот вспомогательный импульс нужно будет подать на вход внешней синхронизации осциллографа, а переключатель «Источник синхронизирующего напряжения» на передней панели осциллографа поставить в положение «Внешняя синхронизация».
На рис. 3.8 показаны временные диаграммы напряжений в осциллографе при внешней синхронизации опережающим синхронным вспомогательным импульсом и изображение, получающееся на экране.
На этом рисунке использованы обозначения:
– исследуемое импульсное напряжение;
– вспомогательное синхронизирующее напряжение;
– заданный ручкой «Уровень» уровень срабатывания компаратора (уровень запуска);
– напряжение на выходе формирователя импульсов;
Из приведенных диаграмм видно, что момент достижения вспомогательным синхронизирующим импульсом уровня опережает начало фронта исследуемого импульса. И если это опережение будет больше (времени запаздывания запуска развертки), то на экране исследуемый импульс воспроизведется полностью.
Воспользуйтесь поиском по сайту:

Синхронизация в осциллографе
Синхронизация – получение неподвижного изображения исследуемого сигнала на экране осциллографа. Чтобы это изображение казалось непрерывным оно должно приходить в одну и туже точку экрана относительно начала напряжения развертки. В этом случае исследуемый сигнал и напряжение с генератора развертки приходят на отклоняющие пластины электроннолучевой трубки одновременно, синхронно.
Для получения синхронизации в осциллографе есть схема синхронизации. На лицевую панель осциллографа от нее выводятся следующие регулировки:
– стабильность;
– вид синхронизации.
«Стабильность» управляет режимом работы генератора развертки. При этом крайнее правое положение соответствует автоколебательному режиму работы генератора развертки, а крайнее левое положение – ждущему режиму работы генератора развертки.
«Уровень» регулирует амплитуду синхроимпульса, который запускает задающий генератор.
– Внутренняя синхронизация. Генератор развертки запускается исследуемым сигналом;
– Внешняя синхронизация. Генератор развертки запускается внешним сигналом;
– Синхронизация от сети. Генератор развертки запускается синхроимпульсом с частотой от блока питания осциллографа.
Работа с осциллографом
1. Поставить все регулировки электроннолучевой трубки (яркость, смещения по горизонтали и вертикали) в среднее положение.
2. Включить осциллограф в сеть .
3. Регулировку «Стабильность» поставить в крайнее правое положение.
4. Регулировку «Уровень» поставить в крайнее левое положение. На экране появляется линия развертки.
5. Аттенюатор «» поставить в одно из левых положений, но не крайнее (загрубить вход осциллографа).
6. Подать на « ” осциллографа исследуемый сигнал.
7. Выбрать нужный вид синхронизации.
8. Аттенюатор «» поставить в положение при котором изображение занимает не менее половины экрана по вертикали.
9. Регулировку «Стабильность» медленно поворачивать влево и остановиться в момент исчезновения изображения.
10. Регулировку «Уровень» медленно поворачивать вправо до появления неподвижного изображения.
11. Переключателем «» растянуть изображение исследуемого сигнала на необходимую величину.
1. Цыкин Г.С. Усилительные устройства. –М.: Связь, 1982.
2. Королев Г.В. Электронные устройства автоматики: Учеб. пособие. –2-е изд., перераб. и доп. –М.: Высш. шк., 1991.
3. Горбоконенко А.Д. Проектирование аналоговых электронных схем. Учебное пособие. – Ульяновск.: УлГТУ, 1995.
4. Титце У., Шенк К. Полупроводниковая схемотехника: Справочное руководство. Пер. с нем. –М.: Мир. 1982.
5. Транзисторы для аппаратуры широкого применения. Справочник / Под ред. Б.Л. Перельмана. –М.: Радио и связь, 1981.
Сборник лабораторных работ
Составитель Елягин Сергей Владимирович
Корректор О.П. Мальцева
Подписано в печать 31.08.2001. Формат 60х84/16.
Бумага писчая. Печать трафаретная.
Усл. печ. л. 1,40. Уч.-изд. л. 1,10. Тираж 50 экз. Заказ.
Ульяновский государственный технический университет,
432027, Ульяновск, Сев. Венец, 32.
Типография УлГТУ, 432027, Ульяновск, Сев. Венец, 32.
РЕЦЕНЗИЯ
на методические указания «Основы схемотехники»
к лабораторным работам по курсу «Основы схемотехники»
для студентов направления 55.04.00 «Телекоммуникации»
Составитель С.В. Елягин
Формирование, передача, прием и обработка электрических сигналов, осуществляется с помощью разнообразной радиоэлектронной аппаратуры. Знание правил построения основных узлов и устройств позволяет не только грамотно эксплуатировать существующие системы связи, но и создавать новые. В связи с этим рецензируемые методические указания представляются весьма актуальными.
Методические указания составлены в соответствии с программой курса «Основы схемотехники» и предназначены для студентов направления 55.04.00 «Телекоммуникации» радиотехнического факультета.
Рассмотрены вопросы анализа работы двухкаскадного усилителя с отрицательной обратной связью, двухтактного усилителя мощности, операционных усилителей, RC – генераторов, аналого-цифровых и цифроаналоговых преобразователей. Приведены основные теоретические соотношения, позволяющие студентам самостоятельно рассчитать исследуемые устройства.
Структура построения указаний, последовательность изложения материала способствует пониманию и усвоению студентами рассматриваемых вопросов.
Рукопись оформлена аккуратно. Ошибок, искажений ГОСТов в работе не замечено.
Учитывая сказанное, рекомендую методические указания «Основы схемотехники» к изданию.
Мотортестер, ваш помощник. Часть 4
Вспомним, что электронно-лучевой осциллограф имеет два типа синхронизации: внешнюю, когда в качестве опорных используются импульсы, подаваемые оператором извне, и внутреннюю, когда основой для синхронизации служит сам исследуемый сигнал.
Как осуществляется синхронизация в мотортестерах, к чему разумнее всего осуществить привязку?
Совершенно очевидно, что основные получаемые с помощью мотортестера сигналы – циклические, связанные с рабочими процессами в двигателе. Поэтому привязку нужно выполнить именно к этим циклам, попросту говоря, к вращению двигателя.
Сведем в систему все методы синхронизации мотортестера:
- Синхронизация по высоковольтному импульсу. Для ее осуществления на высоковольтный провод устанавливается специальный датчик в виде прищепки, и с его помощью мотортестер отслеживает моменты искрообразования. Датчик можно установить на провод как первого, так и любого другого цилиндра, интерпретируя полученные результаты соответствующим образом. Такой тип синхронизации присутствует в любом мотортестере и является основным вследствие удобства и быстроты применения.
- Разновидностью первого типа синхронизации является синхронизация по высоковольтному импульсу в системе DIS. Напомним, что в системе типа DIS в каждом цикле работы двигателя возникает два момента искрообразования: на такте сжатия (рабочая искра) и на такте выпуска (холостая искра). Этот тип синхронизации также будет обязательно присутствовать в любом мотортестере и отличается от первого лишь количеством синхроимпульсов за рабочий цикл.
- В том или ином виде, под тем или иным названием практически во всех мотортестерах присутствует тип синхронизации, который условно можно назвать «самописец» или «магнитофон». Никакие синхронизирующие импульсы не поступают, а исследуемые сигналы записываются, как на магнитофонную ленту. В дальнейшем их можно просматривать и анализировать. Данный тип синхронизации очень удобен при поиске спорадических дефектов. Например, двигатель сам собой глохнет, причем это может произойти один раз в два-три часа. Можно подключить каналы мотортестера к высоковольтным проводам, форсункам, проводам питания ЭБУ и бензонасоса и, запустив самописец, ждать проявления дефекта. После чего просмотреть осциллограмму и выяснить, что произошло в момент остановки двигателя.
- Синхронизация по каналу. Фактически это аналог рассмотренной выше внутренней синхронизации осциллографа. Сигнал какого-либо канала используется как синхронизирующий, привязка происходит по нему. Таким сигналом может служить, например, напряжение на форсунках, на датчике положения распределительного вала, на датчике давления в цилиндре и т.п.
- В отдельную группу можно выделить синхронизацию по ДПКВ. Некоторые мотортестеры обладают способностью привязываться к сигналу ДПКВ аналогично тому, как это делает блок управления двигателем. В этом случае достаточно один из каналов мотортестера соединить с выходом ДПКВ и задать в настройках соответствующие параметры синхронизации.
Краткий итог
Синхронизация мотортестера выполняется аналогично осциллографу. Ее особенностью является тот факт, что привязка производится к рабочим циклам (частоте вращения) двигателя. Самый распространенный тип синхронизации – по высоковольтному импульсу. Для поиска спорадических дефектов используется «самописец».
Параметры мотортестера. Выбор мотортестера
Назовем несколько основных параметров, которые характеризуют мотортестер как электронный диагностический прибор. Часть из них уже упоминалась выше.
Обращайте внимание на следующие параметры, выбирая мотортестер:
- Полоса пропускания. Основной параметр, характеризующий качество обработки сигнала.
- Частота дискретизации. Должна быть достаточно высокой для обеспечения качественной оцифровки аналогового сигнала.
- Количество каналов. Должно быть не менее четырех. Меньшее количество не позволяет выполнить ряд измерений. Наличие более чем 6-8 каналов не имеет смысла: при моторной диагностике не возникает задач, требующих исследования такого большого количества сигналов одновременно.
- Входной импеданс. Можно представить его как совокупность входного сопротивления Rвх и входной емкости Cвх. Когда щупы мотортестера подключаются к исследуемой цепи, они привносят дополнительное сопротивление и емкость и могут повлиять на работу цепи. Для исключения этого влияния входное сопротивление прибора должно быть достаточно большим (порядка 1МОм), а емкость – малой (порядка 10 пФ).
Приобретение мотортестера на первый взгляд может показаться сложным делом. Попытаемся дать некоторые рекомендации по выбору прибора.
Самое главное
Не следует гнаться за громкими именами иностранных производителей. Не будет преувеличением сказать, что выпускаемые в России приборы вполне соответствуют мировому уровню и даже превышают его.
Мотортестеры ведущих отечественных производителей по своей функциональности стоят на очень высоком уровне, зачастую их возможности намного превышают потребности мастеров-диагностов. Качество изготовления, уровень защиты от неверных действий оператора, уровень применяемых схемотехнических решений позволяют смело рекомендовать их к приобретению.
Некоторые возможности, вроде уникальных альтернативных методик диагностики, содержатся только в двух мотортестерах в мире: полноценно в выпускаемом на Украине USB Autoscope III и частично в производимом в Таганроге MotoDoc III. Можно отметить продукцию компании AceLab из Ростова-на-Дону, мотортестер АвтоАсПрофи, и выпускаемый в Самаре прибор МТ-10. Одним словом, в данном сегменте рынка вполне достойное место занимает отечественное диагностическое оборудование.
17. Электронно-лучевой осциллограф: виды разверток и синхронизации.
Электроннолучевой осциллограф является универсальным измерительным прибором широкого назначения.
При его помощи можно визуально наблюдать и документально фиксировать непрерывные и импульсные электрические процессы, непериодические, случайные и
Линейная развертка – наиболее распространенный вид. Напряжение этой развертки имеет форму пилообразного импульса, т.е. возрастает пропорционально времени, и поэтому луч с равномерной скоростью движется по экрану осциллографа. Увеличение напряжения прекращается в момент достижения лучом края экрана. В этот момент оно мгновенно уменьшается до нуля, и луч также мгновенно перебрасывается к противоположному краю экрана трубки. Далее процесс повторяется, и луч чертит на экране трубки прямую – линию развертки.
Напряжение развертки, как правило, подается на пластины Х, и поэтому линия развертки получается горизонтальной. В зависимости от того, нарастает или спадает пилообразное напряжение, луч устанавливается у левого или у правого края экрана и разворачивается слева направо или наоборот. Развертка будет линейной, если в пределах ее длительности пилообразное напряжение изменяется пропорционально времени.
где Апл – высота пилообразного напряжения, τпл – его длительность
Если на пластины Y подается напряжение исследуемого сигнала UY , то луч получает дополнительные отклонения по вертикали в функции времени: UY = f(t). Осциллограмма неподвижна только в том случае, если длительность развертки равна или кратна периоду Т сигнала.
Рассмотренная линейная непрерывная развертка пригодна для наблюдения периодических непрерывных сигналов и последовательностей импульсов с малой скважностью, т.е. с большим коэффициентом заполнения.
Осциллографирование импульсов большой скважности, а также непериодических и однократных процессов осуществляют, применяя линейную ждущую развертку. При ждущей развертке исследуемый сигнал и напряжение развертки в виде одиночного и пилообразного импульса синхронно поступают на пластины Х и У соответственно. Длительность и скорость развертки должны соответствовать аналогичным параметрам сигнала.
Для того чтобы на экране осциллографа воспроизводился передний фронт исследуемого сигнала, нужно импульс развертки подать на пластины Х несколько раньше, чем исследуемый сигнал на пластины У.
Синусоидальная развертка. При синусоидальной развертке на пластины Х подается гармоническое напряжение. Если на пластинах У напряжения нет, на экране трубки получается горизонтальная линия – линия развертки. Каждый полупериод напряжения развертки вызывает перемещение луча вправо и влево со скоростью, изменяющейся по синусоидальному закону. Следовательно, синусоидальная развертка является нелинейной.
Фигуры на экране осциллографа неподвижны только в том случае, если периоды (и частоты) приложенных напряжений относятся друг к другу, как целые числа: Тх/Ту = n/m. Это объясняется тем, что за промежуток времени Т = mTx = mTy периоды обоих напряжений повторяются целое число раз и луч возвращается в исходное положение. Устойчивость осциллограммы тем лучше, чем меньше n и m, а полная ее неподвижность получается только при равенстве или кратности частот. При нецелочисленном отношении частот изображение перемещается по экрану. Если отношение частот близко к целому числу, перемещение происходит медленно и можно наблюдать осциллограмму, принимающую разные очертания. В случае сильного различия частот фигура перемещается так быстро, что на экране видны лишь ее следы, сливающиеся в сплошной светящийся прямоугольник, стороны которого пропорциональны амплитудам отклоняющих напряжений.
Круговая (эллиптическая) и спиральная развертки.
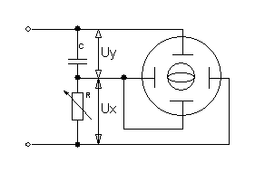
Для получения круговой развертки гармоническое напряжение
u=Usinωt подводится к фазорасщепляющей (на 90 0 )цепи RC, с которой подаются на обе пары пластин напряжения uх=Uхsinωt и uy=Uysin(ωt+π/2).
Эти напряжения создают на экране трубки фигуру Лиссажу в виде эллипса или окружности. По виду этой фигуры развертку называют эллиптической или круговой
Круговая развертка получается при одинаковых максимальных отклонениях луча по горизонтали и по вертикали. Чтобы облегчить выполнение этого условия, элементы фазорасщепляющей цепи должны удовлетворять равенству R=1/ωC. Точная установка линии развертки в виде окружности достигается регулировкой сопротивления резистора R. При круговой развертке луч совершает один оборот за время, равное периоду развертывающего напряжения, а количество оборотов в секунду численно равно частоте развертывающего напряжения в герцах. Исследуемое напряжение подается по каналу Z на модулятор трубки или на второй анод. В первом случае осциллограмма имеет вид штриховой окружности, во втором – зубчатой. Применение круговой развертки обеспечивает относительное увеличение времени наблюдения и уменьшение погрешности отсчетов. Еще большее увеличение времени наблюдения получается при спиральной развертке. Спиральную развертку можно осуществить одновременным воздействием на амплитуды напряжения круговой развертки периодическим пилообразным напряжением; амплитуды будут изменяться во времени по линейному закону от 0 до Ux и Uy, а луч будет описывать архимедову спираль. Длительность пилообразного напряжения должна быть кратна периоду гармонического напряжения круговой развертки, в противном случае неподвижную осциллограмму получить невозможно. Спиральная развертка часто осуществляется в ждущем режиме.
Виды синхронизации: Синхронизирующее устройство предназначено для принудительной установки периода (или длительности) развертки, равного или кратного периоду (или длительности) исследуемого сигнала. В режиме ждущей развертки синхронизация осуществляется коротким запускающим импульсом, который формируется из исследуемого сигнала или напряжения внешнего источника. Для этого предусматривается усилитель синхронизирующего напряжения и триггер, формирующий запускающие импульсы; при такой схеме запуск генератора развертки не зависит от формы запускающих сигналов. Иногда триггер в цепи синхронизации отсутствует, тогда на выходе усилителя предусматривается дифференцирующая цепочка для получения коротких запускающих импульсов. На выходе усилителя обеспечивается необходимая величина и полярность этих импульсов независимо от величины и полярность их на входе. В большинстве современных осциллографов генератор развертки имеет в своем составе триггер управления, воздействуя на который можно осуществить синхронизацию и в режиме непрерывной развертки. В некоторых осциллографах генераторы развертки работают в автоколебательном режиме, и для их синхронизации в схему вводится напряжение Uсин синхронизирующей частоты. Синхронизация тем лучше, чем частота генератора развертки ближе к частоте напряжения синхронизации. Синхронизация достигается и при кратности частоты синхронизации, т.е. когда последняя в целое число раз больше частоты генератора развертки. Такая синхронизация называется синхронизацией на субгармониках. Устойчивость синхронизации зависит от значения синхронизирующего напряжения: нужно устанавливать минимальное, при котором осциллограмма неподвижна. Синхронизация периодической развертки осуществляется исследуемым сигналом, напряжение внешнего источника или напряжением питающей сети. Переход от одного вида синхронизации к другому осуществляют переключением входа синхронизации на одно из трех положений: «Внутренняя», «внешняя» или «от сети».
Наиболее употребительной является внутренняя синхронизация, напряжение для которой снимается с усилителя канала вертикального отклонения. При этом создаются наиболее благоприятные условия наблюдения, так как сигнал даже при нестабильности его частоты «ведет» за собой частоту развертки и осциллограмма остается неподвижной. Синхронизация от сети используется для исследования процессов, частота которых равна или кратна 50 Гц.

