Постоянная времени цепи RC
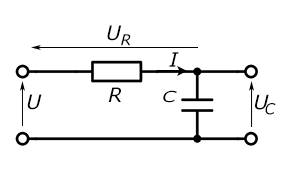
Рассмотрим ток в электрической цепи, состоящей из конденсатора ёмкостью C и резистора сопротивлением R, соединённых параллельно. Значение тока заряда или разряда конденсатора определится выражением I = C(dU/dt), а значение тока в резисторе, согласно закону Ома, составит U/R, где U — напряжение заряда конденсатора.
Из рисунка видно, что электрический ток I в элементах C и R цепи будет иметь одинаковое значение и противоположное направление, согласно закону Кирхгофа. Следовательно, его можно выразить следующим образом:
Решаем дифференциальное уравнение C(dU/dt)= -U/R
Из таблицы интегралов здесь используем преобразование
Получаем общий интеграл уравнения: ln|U| = — t/RC + Const. Выразим из него напряжение U потенцированием: U = e -t /RC * e Const . Решение примет вид:
U = e -t /RC * Const.
Здесь Const — константа, величина, определяемая начальными условиями.
Следовательно, напряжение U заряда или разряда конденсатора будет меняться во времени по экспоненциальному закону e -t /RC .
Экспонента — функция exp(x) = e x e – Математическая константа, приблизительно равная 2.718281828.
Постоянная времени τ
Если конденсатор емкостью C последовательно с резистором сопротивлением R подключить к источнику постоянного напряжения U, в цепи пойдёт ток, который за любое время t зарядит конденсатор до значения UC и определится выражением:
Тогда напряжение UC на выводах конденсатора будет увеличиваться от нуля до значения U по экспоненте:
UC = U(1 — e -t/RC )
При t = RC, напряжение на конденсаторе составит UC = U(1 — e -1 ) = U(1 — 1/e) . Время, численно равное произведению RC, называется постоянной времени цепи RC и обозначается греческой буквой τ.
Постоянная времени τ = RC
За время τ конденсатор зарядится до (1 — 1/e)*100% ≈ 63,2% значения U. За время 3τ напряжение составит (1 — 1/e 3 )*100% ≈ 95% значения U. За время 5τ напряжение возрастёт до (1 — 1/e 5 )*100% ≈ 99% значения U.
Если к конденсатору емкостью C, заряженному до напряжения U, параллельно подключить резистор сопротивлением R, тогда в цепи пойдёт ток разряда конденсатора.
Напряжение на конденсаторе при разряде будет составлять UC = Ue -t/τ = U/e t/τ .
За время τ напряжение на конденсаторе уменьшится до значения U/e, что составит 1/e*100% ≈ 36.8% значения U. За время 3τ конденсатор разрядится до (1/e 3 )*100% ≈ 5% от значения U. За время 5τ до (1/e 5 )*100% ≈ 1% значения U.
Параметр τ широко применяется при расчётах RC-фильтров различных электронных цепей и узлов.
Конвертер величин
Данный калькулятор позволяет рассчитывать максимальный ток Imax в начале заряда конденсатора, максимальную энергию Emax и максимальный заряд конденсатора Qmax, когда он полностью заряжен при данном напряжении, а также постоянную времени RC-цепи.
Пример. Рассчитать постоянную времени, максимальную энергию, максимальный ток и максимальный заряд для цепи, состоящей из последовательно соединенных резистора 2 кОм и конденсатора 5 мкФ. Цепь подключена к источнику постоянного напряжения 10 V. Обратите внимание: напряжение не нужно для расчета постоянной времени RC-цепи.
Введите величины в поля для ввода, выберите единицы измерения и нажмите кнопку Рассчитать.
Постоянная времени определяется по формуле
где τ — постоянная времени в секундах, R — сопротивление в омах и C — емкость в фарадах. Постоянная времени RC-цепи определяется как время, которое требуется, чтобы конденсатор зарядился до 63,2% его максимально возможного заряда при условии, что начальный заряд нулевой. Отметим, что конденсатор зарядится до 63,2% за время τ и почти полностью (до 99,3%) зарядится за время 5τ.
Энергия E, которую хранит полностью заряженный до напряжения V конденсатор, при условии, что время заряда T ≫ τ, определяется формулой
где C — емкость в фарадах и V — напряжение в вольтах.
Максимальный ток I определяется по закону Ома:
Максимальный заряд Q определяется по формуле
где C — емкость в фарадах и V — напряжение в вольтах.
Применение
Конденсаторы часто используются в различных электрических и электронных устройствах и системах. Вероятно, вы не найдете ни одно электронное устройство, в котором не содержится хотя бы один конденсатор. Конденсаторы используются для хранения энергии, обеспечения импульсов энергии, для фильтрации питающего напряжения, для коррекции коэффициента мощности, для развязки по постоянному току, в электронных частотных фильтрах, для фильтрации шумов, для запуска электродвигателей, для хранения информации, для настройки колебательных контуров, в различных датчиках, в емкостных экранах мобильных телефонов. Этот список можно продолжать до бесконечности.
Резистивно-емкостные (RC) цепи обычно используются в качестве простых фильтров нижних и верхних частот, а также простейших интегрирующих и дифференцирующих цепей.
Резистивно-емкостные фильтры нижних частот
Фильтры нижних частот пропускают только низкочастотные сигналы и подавляют высокочастотные сигналы. Частота среза определяется компонентами фильтра.
Такие фильтры широко используются в электронике. Например, их используют в сабвуферах для того, чтобы не подавать на них звуки высоких частот, которые они не могут воспроизводить. Фильтры нижних частот используются также в радиопередатчиках для блокировки нежелательных высокочастотных составляющих в передаваемом сигнале. У тех, кто пользуется ADSL подключением к Интернету, всегда установлены частотные разделители с такими фильтрами нижних частот, которые предотвращают возникновение помех в аналоговых устройствах (телефонах) от сигналов DSL и воздействия помех от аналоговых устройств на оборудование DSL, подключенное к обычной телефонной линии.
Фильтры нижних частот используются для обработки сигналов перед их аналого-цифровым преобразованием. Такие фильтры улучшают качество аналоговых сигналов при их дискретизации и необходимы для подавления высокочастотных компонентов сигнала выше частоты Найквиста таким образом, чтобы он удовлетворял требованиям теоремы Котельникова для данной частоты дискретизации, то есть максимальная частота не должна быть выше половины частоты выборки.
На верхнем рисунке показан простой фильтр нижних частот. В нем используются только пассивные компоненты, поэтому он называется пассивным фильтром нижних частот (ФНЧ). В более сложных пассивных ФНЧ используются также катушки индуктивности.
В отличие от пассивных фильтров нижних частот, в активных фильтрах используются усилительные устройства, например, транзисторы или операционные усилители. В пассивные фильтрах также часто имеются операционные усилители, применяемые для развязки. В зависимости от количества конденсаторов и катушек индуктивности, влияющих на крутизну частотной характеристики фильтра, они обычно называются «фильтрами первого порядка», «второго порядка» и так далее. Фильтр, состоящий только из одного резистора и одного конденсатора, называется фильтром первого порядка.
RC-фильтры верхних частот
Фильтры верхних частот пропускают только высокочастотные составляющие сигналов и ослабляют низкочастотные составляющие. Фильтры верхних частот используются, например, в разделительных фильтрах звуковых частот (кроссоверах) для подавления низкочастотных составляющих в сигналах, подаваемых на высокочастотные динамики («пищалки»), которые не могут воспроизводить такие сигналы и к тому же обладают малой мощностью по сравнению с мощностью низкочастотных сигналов.
Фильтры верхних частот часто используются для блокировки постоянной составляющей сигналов в тех случаях, когда она нежелательна. Например, в профессиональных микрофонах очень часто используется «фантомное» питание постоянным напряжением, которое подается по микрофонному кабелю. В то же время микрофон записывает переменные сигналы, такие как человеческий голос или музыка. Постоянное напряжение не должно появляться на выходе микрофона и не должно поступать на вход микрофонного усилителя, поэтому для его блокировки используется фильтр верхних частот.
Если фильтр нижних частот и фильтр верхних частот стоят друг за другом, они образуют полосовой фильтр, который пропускает частоты только в определенной полосе частот и не пропускает частоты за пределами этой полосы. Такие фильтры широко используются в радиоприемниках и радиопередатчиках. В приемниках полосовые фильтры используются только для селективного пропускания и усиления сигналов радиостанции в требуемой узкой полосе частот. При этом сигналы других радиостанций за пределами этой полосы подавляются. Передатчики могут передавать радиосигналы только в определенном разрешенном для них диапазоне частот. Поэтому в них используются полосовые фильтры для ограничения полосы передаваемого сигнала таким образом, что он вписывался в допустимые пределы.
Определение постоянной времени. Переходные процессы в R-L-C-цепи.
Как отмечалось в предыдущей лекции, линейная цепь охвачена единым переходным процессом. Поэтому в рассматриваемых цепях с одним накопителем энергии (катушкой индуктивности или конденсатором) – цепях первого порядка – постоянная времени будет одной и той же для всех свободных составляющих напряжений и токов ветвей схемы, параметры которых входят в характеристическое уравнение.
Общий подход к расчету переходных процессов в таких цепях основан на применении теоремы об активном двухполюснике: ветвь, содержащую накопитель, выделяют из цепи, а оставшуюся часть схемы рассматривают как активный двухполюсник А (эквивалентный генератор) (см. рис.1, а) со схемой замещения на рис. 1,б.
Совершенно очевидно, что постоянная времени здесь для цепей с индуктивным элементом определяется, как:
и с емкостным, как:
где — входное сопротивление цепи по отношению к зажимам 1-2 подключения ветви, содержащей накопитель энергии.
Например, для напряжения на конденсаторе в цепи на рис. 2 можно записать
где в соответствии с вышесказанным
Рассмотрим два случая:
Согласно изложенной в предыдущей лекции методике расчета переходных процессов классическим методом для напряжения на конденсаторе в цепи на рис. 3 можно записать
| . | (1) |
Тогда для первого случая принужденная составляющая этого напряжения
| . | (2) |
Характеристическое уравнение цепи
решая которое, получаем
В зависимости от соотношения параметров цепи возможны три типа корней и соответственно три варианта выражения для свободной составляющей:
1. или , где — критическое сопротивление контура, меньше которого свободный процесс носит колебательный характер.
В этом случае
| . | (3) |
2. — предельный случай апериодического режима.
В этом случае и
| . | (4) |
3. — периодический (колебательный) характер переходного процесса.
В этом случае и
| , | (5) |
где — коэффициент затухания; — угловая частота собственных колебаний; — период собственных колебаний.
Для апериодического характера переходного процесса после подстановки (2) и (3) в соотношение (1) можно записать
Для нахождения постоянных интегрирования, учитывая, что в общем случае и в соответствии с первым законом коммутации , запишем для t=0 два уравнения:
решая которые, получим
Тогда ток в цепи
и напряжение на катушке индуктивности
На рис. 4 представлены качественные кривые , и , соответствующие апериодическому переходному процессу при .
Для критического режима на основании (2) и (4) можно записать
Для колебательного переходного процесса в соответствии с (2) и (5) имеем
Для нахождения постоянных интегрирования запишем
На рис. 5представлены качественные кривые и , соответствующие колебательному переходному процессу при .
При подключении R-L-C-цепи к источнику синусоидального напряжения для нахождения принужденных составляющих тока в цепи и напряжения на конденсаторе следует воспользоваться символическим методом расчета, в соответствии с которым
Здесь также возможны три режима:
| 1. ; | 2. | 3. |
Наибольший интерес представляет третий режим, связанный с появлением во время переходного процесса собственных колебаний с частотой . При этом возможны, в зависимости от соотношения частот собственных колебаний и напряжения источника, три характерные варианта: 1 — ; 2 — ; 3 — , — которые представлены на рис. 6,а…6,в соответственно.
Основы теории цепей: Учеб. для вузов /Г.В.Зевеке, П.А.Ионкин, А.В.Нетушил, С.В.Страхов. –5-е изд., перераб. –М.: Энергоатомиздат, 1989. -528с. Бессонов Л.А. Теоретические основы электротехники: Электрические цепи. Учеб. для студентов электротехнических, энергетических и приборостроительных специальностей вузов. –7-е изд., перераб. и доп. –М.: Высш. шк., 1978. –528с. Теоретические основы электротехники. Учеб. для вузов. В трех т. Под общ. ред. К.М.Поливанова. Т.1. К.М.Поливанов. Линейные электрические цепи с сосредоточенными постоянными. –М.: Энергия- 1972. –240с. Как можно определить постоянную времени в цепи с одним накопителем энергии по осциллограмме тока или напряжения в какой-либо ветви? Определить, какой процесс: заряд или разряд конденсатора в цепи на рис. 2 – будет происходить быстрее?
Что такое дифференцирующие и интегрирующие цепи?
Святая простота! Что может быть проще? А проще могут быть лишь чётко сформулированные определения дифференцирующей и интегрирующей цепей, не обременённые ни лингвистическими излишествами, ни всякого рода необязательными формулами.
Итак, полностью оправдывая свои названия: Дифференцирующая цепь — это цепь, в которой мгновенное значение напряжения на выходе прямо пропорционально дифференциалу входного напряжения; Интегрирующая цепь — цепь, у которой мгновенное значение выходного напряжения не менее прямо пропорционально интегралу входного напряжения.
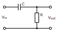
Начнём с RC и RL дифференцирующих цепей.
Рис.1.
Основной характеристикой данных цепей является постоянная времени цепи τ = rC, либо τ = L/r. В общем случае сигнал на выходе цепи описывается следующей формулой: U2 = τ ×d(U1-U2)/dt. Однако на практике, если мы выбираем τ τ ×dU1/dt.
Приведём несколько поясняющих картинок.
На Рис.2 приведены осциллограммы напряжений на выходах дифференцирующих цепей, в зависимости от различных соотношений постоянной времени цепи τ и длительности входного импульса tи.
В начальный момент подачи входного импульса, напряжение на выходе Uвых практически моментально достигает амплитудного значения входного Uвх, а затем идёт относительно плавный спад до: Uвх/√e ≈ 0,61Uвх за время, равное τ /2, Uвх/e ≈ 0,37Uвх за время, равное τ , Uвх/e 2 ≈ 0,135Uвх за время, равное 2 τ , Uвх/e 3 ≈ 0,05Uвх за время, равное 3 τ , где e — это основание натурального логарифма ≈ 2,72.
Переходим к интегрирующим RC и RL цепям.
Интегрирующая цепь предназначена для формирования импульсов большой длительности, т. е. для удлинения или расширения импульсов, преобразования импульсов по интегральному закону, получения линейно изменяющегося напряжения. Отсюда и другое название интегрирующей цепи — удлиняющая цепь.
Рис.3.
Значение величины постоянной времени интегрирующей цепи ничем не отличается от дифференцирующих собратьев: τ = rC, либо τ = L/r.
Для корректного выполнения цепью интегрирующих функций должно выполняться условие: τ >> Tи, где Tи — длительность входного импульса. При соблюдении этого условия выходное напряжение U2 описывается следующей формулой: U2 = 1/ τ ×∫U1dt.
Продолжим уроки рисования.
На Рис.4 приведены осциллограммы напряжений на выходах интегрирующих цепей, в зависимости от различных соотношений постоянной времени цепи τ и длительности входного импульса tи.
В начальный момент подачи входного импульса, напряжение на выходе Uвых равно 0, после чего начинает расти со скоростью, обратно пропорциональной значению τ и достигает следующих значений: Uвх×(1-1/√e) ≈ 0,39Uвх за время, равное τ /2, Uвх×(1-1/e) ≈ 0,63Uвх за время, равное τ , Uвх×(1-1/e 2 ) ≈ 0,86Uвх за время, равное 2 τ , Uвх×(1-1/e 3 ) ≈ 0,95Uвх за время, равное 3 τ , где e — это по-прежнему основание всё того же пресловутого натурального логарифма ≈ 2,72.
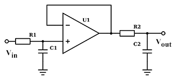
Снять ограничения по выбору постоянной времени дифференцирующих и интегрирующих цепей (по отношению к длительности входного импульса) можно посредством применения операционных усилителей (Рис.5).
Рис.5 Схемы активных дифференциаторов на ОУ
Здесь всё по аналогии с пассивными цепями, только без ограничений по длительности входного импульса и, поскольку включение операционного усилителя инвертирующее – со знаком минус: Uвых = – RC×dUвх/dt. Уменьшение реактивного сопротивления конденсатора С при росте частоты приводит к синхронному повышению коэффициента усиления активного дифференциатора, что создаёт условия для возможного самовозбуждения устройства. Для того, чтобы этого избежать в схему активного дифференциатора часто вводят корректирующее сопротивление Rк (Рис.5 справа). Применение данного резистора ограничивает коэффициент усиления на BЧ, что, в свою очередь, обеспечивает более высокую динамическую устойчивость. Для того чтобы не сильно пострадала точность преобразования, номинал корректирующего резистора Rк следует выбрать небольшим, как минимум в 100 раз меньшим, чем величина сопротивления резистора R.
Переходим к схемам интеграторов, построенных на операционных усилителях (Рис.6).
Рис.6 Схемы активных интеграторов на ОУ
Здесь тоже всё без изменений: Uвых = – ∫Uвхdt / (RC).
Ну и под занавес приведём таблицу для расчёта значения величины постоянной времени дифференцирующих и интегрирующих цепей τ . Как уже говорилось — это величина одинакова для обоих типов цепей и равна τ = rC, либо τ = L/r. Незадействованные элементы при вводе данных можно оставить без внимания.




