Правильное подключение дневных ходовых огней автомобиля
Дневные ходовые огни (далее ДХО) получили свою популярность после того, как произошли изменения и в последнюю редакцию российских ПДД были внесены специальные поправки. Так, по новым правилам любое передвигающийся автомобиль или другое ТС (участник дорожного движения) в светлое время суток должны иметь некоторые световые элементы для собственного обозначения. Ранее это было только в виде рекомендаций и вот почти 10 лет назад было введено на обязательной основе. Использовать для обозначения световым сигналом можно как обычные фары (используя специальный матовый режим), так и дополнительно установленные противотуманные вары (ПТФ) или дневные ходовые огни (ДХО).
При использовании фар на режиме ближнего света всплывает много нюансов, которые делают их эксплуатацию не очень комфортной. Противотуманки тоже не безгрешны и часто вызывают вопросы.
Поэтому для таких ситуаций многие водители предпочитают покупку специального устройства – ДХО. Модули ходовых огней недорого приобрести и несложно установить на автомобиль. Правда, есть некоторые нюансы в их подключении – если их не учесть, то установленные ДХО могут оказаться не только бесполезными, но даже опасными и противозаконными. Схема подключения ДХО довольно щекотливый вопрос.
Существует несколько схем (не менее семи) подключения дневных ходовых огней по всем нормам. Каждую из этих схем можно реализовать самостоятельно в условиях гаража – нет смысла переплачивать и обращаться в сервис. Рассмотрим их.
Важные нюансы, которые надо знать
Как и для любого норматива, все параметры, которые надо соблюдать при подключении дневных ходовых огней, можно найти в ГОСТе – в нашем частном случае нам понадобится ГОСТ Р 41.48-2004, конкретно пункт 6, подпункт 19. Из того, что необходимо знать и учесть: электрическая функциональная схема, которая необходима, чтобы контролировать напряжение в зависимости от положения клемм, должна собираться особым образом. В случае дневных ходовых огней критерием правильной установки является тот факт, что огни должны включаться автоматически при запуске двигателя. Но при этом они должны также автоматически отключаться если водитель вручную включил основные передние фары.
Можно также выделить пункт 5 подпункт 12, где сказано, что основные фары (так называемые фары головного света) сами по себе должны включаться только после того, как были включены габаритные огни. Исключением можно считать те моменты, когда габаритные огни включаются кратковременно как сигналы (мигают).
Несмотря на то, что это кажется не особенно важным на первый взгляд, при самостоятельном подключении дневных ходовых огней вам придётся учитывать все эти нюансы и вникать в них.
Хотя может показаться, что «наука» правильного подключения ДХО заключается именно в этом соблюдении баланса между различными сигнальными огнями автомобиля, это на самом деле не так. Схема подключения ходовых огней должна учитывать и тот факт, что блок стабилизации светодиодных модулей является очень желательным при эксплуатации ходовых огней. Без этого блока внутри ДХО будет постоянно прыгать напряжение. Такое колебание напряжения приводит к быстрому выходу устройства из строя и необходимости его замены.
Впрочем, немало автолюбителей, которые утверждают, что стабилизация совсем необязательна и их ДХО отлично работают без неё. Они ратуют за то, что установка стабилизатора будет пустой тратой времени и никакой разницы между «пустых» ДХО от ДХО с блоком стабилизации нет. И, вроде как, подключение дневных ходовых огней — это лишь дополнительные траты.
На самом же деле это совершенно не так. Достаточно иметь хотя бы небольшие понимания в электронике, чтобы знать, что каждый скачок напряжения порождает дополнительный прямой ток, который греет кристаллы. В случае светодиодов можно даже оперировать конкретными цифрами: величина скачка напряжения может достигать до 12В, из-за этого номинальное значение прямого тока повышается и происходит сильный перегрев излучателя.
В результате вы получите сниженную яркость дневных ходовых огней и их непосредственная задача (то, ради чего вы их и устанавливали) – предупреждение водителей со встречки – будет выполняться недостаточно эффективно.
Используя светодиодные дневные ходовые огни без дополнительного блока стабилизации, вы получите необходимость заменять их практически ежегодно, а то и чаще, при этом их прямая функция будет выполняться хуже. Стоит ли лениться и экономить пару сотен рублей из-за этого?
Подключение ДХО от генератора
Подключение ДХО от генератора – самая простая из имеющихся схем. При её реализации ДХО включаются в тот момент, как включается двигатель (генератор).
Для того, чтобы подключить таким образом дневные ходовые огни, вам нужно взять плюсовой провод и присоединить его к плюсовой клемме на замке зажигания. Минусовой провод вы можете закрепить на корпусе в любом уместном месте.
Почему помимо такой простой схемы, которую может реализовать даже ребенок, существует что-то ещё? Всё дело в том, что схема, имея огромное достоинство в виде простоты, имеет и существенный недостаток – дневные ходовые огни нельзя выключить при включенном двигателе. И требования ГОСТа по согласованию всех фар и огней на автомобиле тоже не соблюдены. Поэтому используются другие, более сложные схемы для подключения.
Использование для подключения габаритных огней и фар ближнего света
Следующий вариант подключение – задействование в схеме габаритных огней и фар ближнего света, которые сами по себе завязаны в цепь питания.
Для реализации такой схемы ДХО своими руками нужно провод со знаком «плюс», взяв его от ходовых огней, присоединить к плюсу аккумулятора, а минус соединить (тут внимательно!) с плюсом (!) габаритов. Почему так? Дело в том, что при подключении плюса ДХО к аккумулятору, мы делаем плюс аккумулятора нейтральным из положительного. Таким образом получается новая цепь аккумулятор-светодиоды-габариты-лампочка-корпус. А минусом в такой цепи будет последнее звено – корпус.
Потребление тока в такой реализации очень небольшое (исчисляется в мА), поэтому светодиоды излучают свет при включении автомобиля, а вот спираль от ходовых не загорается.
Если же водитель включает габариты, то тогда напряжение увеличивается, разница потенциалов наоборот уменьшается, светодиоды отключаются, а вот сами ДХО включаются.
Схема подключения дневных ходовых огней к габаритам тоже имеет ряд недостатков, и не всегда ими можно пренебречь.
- Ходовые не зависят от двигателя и при выключенном двигателе продолжают работать. Это противоречит ГОСТу.
- Эта схема не работает в том случае, если ваши ДХО имеют собственные светодиоды.
- Схема будет работать некорректно при использовании очень мощных светодиодов.
- Для того, чтобы схема работала корректно и не случилось короткого замыкания необходимо установить дополнительно предохранитель на схему.
Ряд недостатков можно уравнять, использовав несколько хитростей. Например, если вы возьмете плюсовой провод, который относится к LED-модулю, не напрямую с плюсом аккумулятора, а через плюс зажигания, то первый пункт станет недействительным и ходовые не будут работать при выключенном двигателе.
Другой вариант, похожий на подключение через габаритные огни, – подключение в схему с лампой ближнего света. Работает она так: если загорается ближний свет (водитель включает его вручную), то ДХО в тот же момент гаснут. Всё остальное время они работают.
Такая схема хуже, чем подключение в схему с габаритными огнями, потому что помимо того, что в ней сохраняются все пункты недостатков из списка выше, в добавок это прямое нарушение не только ГОСТов, но и ПДД.
По правилам дорожного движения запрещено использовать ДХО при стоянке, для этой функции используются только габаритные огни.
Четырёхконтактное реле в схеме подключения дневных ходовых огней
Следующий рассматриваемый нами способ – более продвинутый. При его использовании вы получите отключение ходовых огней будет происходить сразу после выключения двигателя, а включаться они будут одновременно.
Несмотря на то, что звучит такая схема сложно, разобраться при желании может каждый. Сама схема основана на том, чтобы задействовать переключение четырёхконтактного реле и геркона. Итак, чтобы использовать подключение ДХО через реле, нужно:
- Плюс LED DRL на плюсы обоих светодиодных модулей.
- Выход на корпус к плюсам габариток.
- Второй выход на любой выход геркона.
- Второй выход геркона к плюсу зажигания.
После того, как было произведено соединение всех проводов, нужно провести ряд небольших настроек. Обязательно делать это при включенном двигателе автомобиля. После того, как автомобиль будет заведён, нужно подвигать геркон рядом с генератором и определить его оптимальное положение – такое, чтобы он вовремя срабатывал, а дневные ходовые огни стабильно излучали свет. После того, как нужное положение было найдено, нужно повесить геркон в термотрубку, а саму термотрубку зафиксировать в найденном до этого положение.
Что должно происходить в момент запуска двигателя? Сначала должен включиться генератор, а после этого ток пойдет по присоединённым клеммам реле и геркона на светодиоды. Лампы габаритов в этот момент выключены, потому что подаваемый ток очень мал.
Если геркона нет – всё равно есть выход. Используйте вместо него датчик масла. Просто используйте вместо геркона датчик давления и его клеммы – ничего сложного.
Итак, где подвох и почему это не универсальная схема? Всё просто – она в любой реализации (с герконом или датчиком давления масла) не реализует возможность подключения светодиодов к самим ДХО.
Использование для подключения пятиконтактное реле
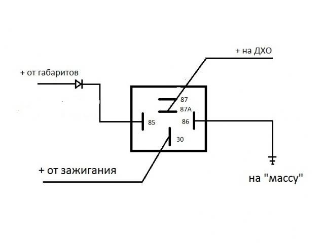
Итак, вам может показаться, что универсального выхода нет и любая схема имеет серьёзные недостатки. Это не так. На самом деле есть целых две схемы, которые учитывают все требования и вполне могут использоваться без нарушений. Первая из них – подключение дневных ходовых огней с помощью реле с пятью контактами. Она учитывает все недостатки предыдущих способов и устраняет их. Выглядит эта схема так.
- Плюсовые клеммы LED DRL (две клеммы-выводы светодиодных модулей) подключаются через первую клемму к плюсу замка зажигания.
- Вторая клемма подключается на пюсовую клемму габаритов.
- Третья клемма присоединяется к корпусу вашего автомобиля.
- Четвертая клемма снова подводится к плюсу замка зажигания.
- Пятая клемма должна быть изолирована и ни к чему не подключена.
С помощью такой схемы вы можете правильно установить свои дневные ходовые огни в соответствии со всеми требованиями ГОСТов и ПДД. Напряжение после того, как вы заводите двигатель, подается на прямо на ДХО в размере 12 вольт. Таким образом вы включаете свои ходовые огни при включении зажигания. Если же будут включены любые фары – как фары основного света, так и габаритные фары, то произойдёт разрыв цепи и на ДХО перестанет подаваться напряжение. Без тока они выключаются.
Наличие или отсутствие диодов не может помещать работать этой схеме.
Всё, что вам нужно для того, чтобы присоединить дневные ходовые огни в соответствии со всеми правилами с помощью пяти клемм, всё, что вам понадобится, – это несколько соединительных проводов, клеммы, на которых вы будете их закреплять, стяжки, с помощью которых вы будете соединять клеммы и провода, и термотрубка для изоляции. После того, как вы убедитесь, что все работает как надо, аккуратно закрепите все под капотом, чтобы не нарушить работу уже собранной схемы и в соответствии со своим чувством прекрасного.
Такая схема позволяет току проходить в дневные ходовые огни абсолютно независимо от других путей. Поэтому работа габаритов и ДХО не взаимосвязана напрямую и возможно использование любых внутренних устройств без учёта их мощности и классификации.
Использование блока управления дневными ходовыми огнями в схеме подключения
Последний вариант установки ДХО также соблюдает все нормы и требования нормативов.
Этот вариант очень простой и доступный каждому. Более того, он весьма удобен в использовании. Здесь не используются реле – его заменяет небольшое устройство, которое называют блоком управления дневных ходовых огней.
Это маленькое устройство само включает ДХО после того, как водитель заводит машину, при этом работа ДХО проходит также независимо (как и в предыдущей схеме). Такое устройство само гарантирует правильную работу, поэтому не нужно ломать голову, как правильно подключить ходовые огни на свой автомобиль.
Блок управления можно использовать с любым типом ламп, можно устанавливать его на ДХО с собственными светодиодами. В блоке реализована защита от перегрузки.
К хорошим блокам обязательно прилагается подробная документация, где указывается схема подключения (она максимально простая, нужно будет просто правильно определить плюс и минус, что совсем несложно), а также в документации должно быть обозначено соответствие ГОСТу (большинство заводских моделей соответствует, но проверить все равно стоит). Это значит, что такой контроллер не затрагивает работу других узлов и абсолютно независим.
Для того чтобы не попасть впросак, обязательно обращайте внимание на соответствие ГОСТу. Иногда производители добавляют другие функции для того, чтобы выделиться в однотипной линейке, однако они могут нарушать правила работы. Например, они отключают ДХО в непредусмотренные стандартами моменты, например, при использовании ручника.
В такие моменты очень важно вовремя остановиться и выбрать то, что попроще, но безопаснее.
Подключение ДХО через 5-ти контактное реле от генератора.
По заголовку уже известно, что речь пойдет ДХО, чтобы в светлое время суток использывать только одни ДХО, а в темное время ДХО отключалось при включении габаритов и горели только основные фары для этого понадобилось 5-ти контактное реле обычное от ваза за 44р, колодка под него, предохранитель 5А и провод я брал 0,5кв и термотрубки для проводов двух цветов красный и синий, ДХО у меня мало мощные(китай), но светят даже скажу и ни чего.
Реле, коробочка под предохранитель и колодка Понадобится 4-ре контакта от реле и вот сама схема подключения Разметил Массу брал вот от сюда на ДХО и реле Плюс от габаритов для отключения ДХО Предохранитель на проводе от генератора Ну и само подключения к генератору Каждый провод продел в трубку, избегая протирания.
Ну и вот сам результат на видео
, при запуске двигателя через несколько секунд загораются ДХО при включении габаритов ДХО тухнет и горят основные фары, как я и хотел
Лайфхак: как подключить ДХО от генератора автомобиля?
Производим подключение нештатных ДХО от генератора через четырехконтактное или пятиконтактное реле с использованием кнопки управления.
С недавнего времени дневные ходовые огни — обязательная составляющая в списке базового оборудования любого нового автомобиля. Впрочем, владельцам устаревших машин расстраиваться не стоит — рынок автоаксессуаров предлагает различные альтернативы головному «ближнему», которые можно смонтировать своими силами.
Суть модернизации
Технология подключения ДХО от автомобильного генератора возникла не случайно. Ведь основные требования ГОСТ по вопросу функционирования DRL таковы:
мощные светоизлучающие диоды должны обязательно выключаться при активировании головного света, в качестве которого выступают «ближний», «дальний» или световой поток от ПТФ;
ДХО должны автоматически запускаться при передвижении органа, управляющего режимами работы двигателя, в положение «включено»;
должна быть обеспечена возможность выключения ходовых огней без помощи постороннего инструмента, т.е. кнопкой.
Лучшие схемы подключения ДХО своими руками на авто
Здравствуйте, дорогие друзья! Думаю, многих интересует эффективная схема подключения ДХО, то есть дневных ходовых огней.
Уже не первый год на территории страны действуют правила, согласно которых при движении авто днем следует обозначать свое присутствие с помощью соответствующих фар. В качестве таких светильников используют противотуманки, ближний свет головных фар и непосредственно сами ДХО.
Применение противотуманок и головного света отличается объективными недостатками. Потому оптимальнее всего выполнить подключение ДХО от генератора или АКБ своими руками.
Существуют различные способы и схемы реализации задумки. Некоторые делают это без реле, другие совмещают ДХО с поворотниками, третьи и вовсе управляют дневными огнями отдельной кнопкой и пр. Чтобы сделать все верно, нужно знать некоторые важные моменты. И тогда автоматическое включение будет осуществляться без нарушений ПДД.
Нюансы использования огней
Существует специальный ГОСТ, который определяет и регламентирует установки, технические параметры и само подключение дневных ходовиков.
Ворсовые коврики в салон автомобиля: в чем преимущество, отзывы покупателей
В регламенте указывается, что схема должна применяться такая, дабы ходовики включались автоматически, когда происходит поворот ключа в замке зажигания. То есть при пуске силовой установки. Но также ДХО обязаны в автоматическом режиме выключаться, как только в работу вступают фары основного света. Здесь, как вы понимаете, речь идет о блоке головных фар (ближний или дальний свет). Также есть правило, указывающее на то, что головной свет должен включаться лишь тогда, когда включаются габариты. Исключением являются кратковременные сигналы для предупреждения других водителей.
Исходя из сказанного выше, можно смело говорить, что через кнопку ДХО выводить не стоит. Так же как и через ручник. А вот в поворотники вмонтировать можно, но тут потребуется подключить 2 дополнительных провода от каждого поворотника.
Все это крайне важно учитывать, подключая ходовики. Ведь вас должно волновать не только то, чтобы не перегорали лампочки. Хотя и это крайне значимый момент.
Без продуманной и грамотной схемы самостоятельно поставить ДХО точно не получится. Ведь все должно работать с отключением при включении дальнего или ближнего света.
Существует целый ряд схем, по которым в теории можно поставить на свою машину ДХО при их отсутствии в штатной комплектации своего автотранспортного средства. Вопрос лишь в том, какую именно схему лучше задействовать.
Немаловажную роль играет стабилизатор напряжения, о котором ходит много споров при использовании диодных ходовых огней. Сами ДХО оснащаются резисторами, которые выполняют функцию ограничителя тока. Но при перепадах напряжения они не способны удерживать напряжение на едином уровне. Потому правильно считать, что применение стабилизатора в такой схеме будет обязательным и необходимым. В противном случае срок службы ДХО существенно сократится из-за регулярных перепадов напряжения. Хотя некоторые до сих пор считают, что подключение можно выполнить без стабилизатора.
Стоит рассмотреть отдельно несколько схем, сделать по ним соответствующие выводы и принять для себя окончательное решение.
Проще некуда
Это самая простая схема, которая предусматривает подключение к аккумулятору или генератору как источнику питания.
Схема предусматривает, что ДХО будут активизироваться одновременно с пуском двигателя. Суть заключается в том, чтобы плюс завести на плюсовую клемму от замка зажигания вашего Рено Логан или той же Лада Ларгус, а минус зафиксировать на корпусе авто в любом удобном месте. Все выглядит просто и предельно логично. Но торопиться с выводами не стоит, как и выполнять подобное подключение. Ведь у него имеется очевидный недостаток.
Если систему собрать по такой схеме, диоды из ДХО начнут работать постоянно, пока ключ находится в замке зажигания. Ни о каком согласовании с другими фарами здесь речи не идет. А потому подобное соединение противоречит ГОСТу и ПДД.
Ближний свет или габариты
Еще можно подключиться к габаритам или фарам ближнего света. В теории тут также все выглядит довольно просто, интересно и перспективно.
Первая из рассматриваемых схем предусматривает, что вы будете использовать электроцепь, питающую лампы габаритов. Тут плюс от ДХО соединяется непосредственно с аккумуляторной батареей, как источником питания. А вот минус идет на плюс от габаритов. В такой момент последний будет электрически нейтральным. Тем самым ток идет от плюса АКБ через диоды на габариты, а затем через лампу на корпус, где последний выступает минусом созданной электроцепи.
Поскольку уровень потребления тока будет маленьким, диоды начнут работать, а лампа габаритов не включится.
Стоит водителю переключиться на габариты, на его плюсе появится напряжение 12В, на проводке ДХО будут выравниваться потенциалы и диоды погаснут. Схема начнет работать уже в штатном режиме, давая ток габаритам.
Все вроде бы неплохо. Но опять же, выводы сделаны поспешно.
Схема простая и рабочая. Только имеет несколько недостатков:
- Ходовики будут оставаться активными, когда двигатель отключается. Это напрямую противоречит действующим законам;
- Если габариты оснащаются светодиодными лампами, такая схема сразу же станет неработоспособной;
- Работа окажется некорректной при использовании мощных SMD диодов в составе ДХО;
- Чтобы обеспечить дополнительную безопасность, придется обязательно добавить в схему предохранитель.
Чтобы избежать первого недостатка, схему несколько переделывают. Плюс от светодиодного модуля берут не от плюса АКБ, а через плюс замка зажигания.
Вторая схема предусматривает активацию ДХО с помощью лампы от ближнего света. Суть в том, чтобы при включении ближнего света ходовики отключались, а в остальное время работали.
Тут имеются те же недостатки, что и для предыдущей схемы. То есть она противоречит ГОСТу и ПДД.
4 контактное реле, генератор и датчик масла
Рейлинги на Рено Каптур: варианты конструкции, какие выбрать и установить
Это еще два способа, которые стоит рассмотреть. Здесь будет использоваться 4 контактное реле, генератор и датчик давления масла. Но не в единой цепи.
Обе схемы предполагают, что ДХО будут включаться лишь тогда, когда запускается мотор. Питается система от генератора и основана на переключениях 4-контактника и геркона.
Подключение контактов реле выглядит так:
- 30 контакт идет на плюс светодиодного модуля;
- 85 контакт следует к плюсу провода к габаритам;
- 86 контакт необходим для любого вывода от геркона;
- 87 контакт на плюсовую клемму от АКБ;
- также на плюс аккумулятора идет второй вывод от геркона.
После подключения обязательно проводится настройка. Тут нужно запустить мотор и начать перемещать геркон около генератора, чтобы получить срабатывание и стабильную работу ходовиков. Потом геркон следует убрать в специальную термотрубку и зафиксировать.
Если геркона нет, тогда питание для ДХО можно подать через датчик давления масла. Тогда 86 контакт идет на лампу давления, а в остальном схема сохраняется в изначальном виде.
Схемы во многом отличные. Но их нельзя использовать в ситуациях, когда габариты основаны на светодиодах. Это единственный существенный минус.
5 контактное реле
Правила выбора видеорегистратора с магнитным креплением
Чтобы избавиться от минусов предыдущих схем, применяется вариант подключения через 5 контактное реле.
Реле соединяется следующим образом:
- 87 контакт не подключается и просто изолируется;
- 87а идет на плюс к замку зажигания;
- 86 контакт нужен для соединения с корпусом;
- 85 следует к плюсовому проводу от габаритных огней;
- 30 контакт выводится на плюс светодиодного модуля ДХО.
Поворачивая ключ в замке, к ДХО начинает поступать 12В, что позволяет зажечь лампы ходовиков. Включая габариты или головной свет, реле размыкает 87а контакт и замыкает 87 контакт. Тем самым ходовики выключаются, а другие фонари включаются. Такая схема хороша тем, что соответствует ГОСТу и ПДД. Плюс можно использовать диодные габариты.
Тут рекомендуется обязательно использовать стабилизатор напряжения. Недостаток схемы лишь в том, что при повороте ключа без запуска мотора ДХО будут светить.
Блок управления
Наиболее простым и надежным методом подключения считается применение блока управления и отказ от реле. Это полностью продуманный узел, не требующий проведения никаких сложных манипуляций.
Шар для фаркопа: виды, размеры, установочные данные, цена, где купить
Но большая проблема в том, что чаще всего автомобилистам встречается китайский контроллер. Они не соответствуют ГОСТу и обладают низким качеством сборки.
Если использовать блоки управления, то только такие:
- DayLight+;
- Philips;
- Osram.
Эти производители отлично себя зарекомендовали, и предлагаемые ими блоки действительно работает качественно и эффективно. Причем первый из списка является решением отечественного производства.
Вторые два блока немецкие, продаются в сборе с ДХО, а потому стоят заметно дороже.
А как вы решаете проблему с подключением ДХО, которые фактически стали обязательным элементом?
Спасибо за ваше внимание! Подписывайтесь, оставляйте комментарии и задавайте свои вопросы!



























