Как смотреть осциллографом высокое напряжение?
30кГц. Как это правильно делать, чтобы не спалить прибор? Никаких готовых делителей нет, нужно что-то собирать.
Частотно-компенсированный делитель. Мне кажется, уже обсуждали здесь применительно к осциллограммам свечи зажигания.
Элементарно! Ёмкостной делитель с соотношением ёмкостей 1:100. Например, высоковольтная ёмкость 10 пФ, а вторая на 50 В 1000 пФ. Точность измерений (ориентировочно) 10%. Если надо точность повысить, придётся учесть входную ёмкость осциллографа и вычесть её из низковольтного конденсатора. При входной ёмкости 100 пФ придётся взять конденсатор на 900 пФ.
Если требуется и постоянную составляющую отлавливать, то параллельно с ёмкостным включают и резистивный делитель с тем же соотношением сопротивлений, т.е. 1:100. И, конечно, по необходимости придётся учесть и входное сопротивление осцилографа.
И надо иметь в виду, что подключение такого делителя к источнику высокого напряжения (колебательный контур, трансформатор или др.) может заметно изменить режим работы последнего и исказить результаты. Поэтому всегда желательно иметь минимально возможную вносимую ёмкость в измеряемую цепь, и нагружать её максимально возможным сопротивленим.
Дмитрий М: Мне кажется, уже обсуждали
Форум про радио — сайт, посвященный обсуждению электроники, компьютеров и смежных тем.
Измерения на высоком напряжении — Общие вопросы осциллографирования
Глава первая
ОБЩИЕ ВОПРОСЫ ОСЦИЛЛОГРАФИРОВАНИЯ БЫСТРО ИЗМЕНЯЮЩИХСЯ ВЫСОКИХ НАПРЯЖЕНИЙ И БОЛЬШИХ ТОКОВ
Регистрация быстро изменяющихся во времени напряжений и токов в технике высоких напряжений (ТВН) связана с особыми трудностями. Максимальные значения напряжений и токов здесь могут достигать миллионов вольт и сотен тысяч ампер, поэтому их непосредственное измерение невозможно. Обычно от делителя напряжения или низкоомного измерительного шунта получают сигнал и(t), который в большей или меньшей степени пропорционален измеряемой величине. Этот сигнал по кабелю подводится к электроннолучевому осциллографу. При преобразовании величины, подлежащей измерению, в измерительный сигнал, передаче его по кабелю и при регистрации на экране электроннолучевого осциллографа возникают погрешности. В дальнейшем рассматриваются только те погрешности, которые возникают при регистрации уже имеющегося измерительного сигнала. Погрешности, возникающие при преобразовании величины, подлежащей измерению, в измерительный сигнал, являются предметом отдельного рассмотрения.
1. ЭЛЕКТРОННОЛУЧЕВЫЕ ОСЦИЛЛОГРАФЫ
Вместо ранее применявшихся осциллографов на электроннолучевой трубке с холодным катодом и непосредственным входом высокого напряжения до 100 кВ [Л. 1] в современных высоковольтных лабораториях используют только осциллографы на трубках с накаливаемым катодом *. Чувствительность таких трубок колеблется от нескольких милливольт до 100 В/см, поэтому промежуточное включение делителя напряжения здесь совершенно необходимо.
*См. также Стекольников И. С. «Импульсная осциллография и ее применение». Изд. АН СССР, 1949. Прим. ред.
В настоящее время критерием разрешающей способности и эксплуатационных свойств электроннолучевых осциллографов является не максимальная скорость записи, а ширина полосы регистрируемых частот. Скорость записи можно согласовать с шириной полосы частот путем применения более высоких после ускоряющих напряжений. Например, электроннолучевой осциллограф «Тектроникс-454» с шириной полосы частот до 150 МГц имеет скорость записи около 2,5 см/нс.
Рис. 1. Упрощенная блок-схема импульсного электроннолучевого осциллографа «Тектроникс-507».
1 — входные зажимы; 2 — спусковой усилитель; 3— генератор пилообразного напряжения; 4 — подключаемая снаружи линия задержки.
Электроннолучевые осциллографы на трубке с накаливаемым катодом не уступают осциллографам на трубке с холодным катодом и благодаря меньшим габаритам отклоняющей системы даже превосходят их.
Специальные импульсные осциллографы не имеют усилителей по каналу вертикального отклонения. Их чувствительность на входе зависит от чувствительности электроннолучевой трубки и составляет несколько десятков вольт на сантиметр. Входной сигнал непосредственно с входных зажимов осциллографа попадает на отклоняющие пластины (иногда через аттенюатор) (рис. 1). В противоположность осциллографам, применяемым в технике связи и высоких частот (с чувствительностью несколько милливольт на сантиметр), осциллографы для импульсных напряжений малочувствительны к напряжению помехи, так как разница между полезным и мешающим сигналами здесь сравнительно велика. Точные измерения можно провести и обычными электроннолучевыми осциллографами с высокой чувствительностью на входе, если для подавления помех принять соответствующие меры. В последнее время начат выпуск электроннолучевых осциллографов с чувствительностью около 1 мВ/см в защищенном от помех исполнении. У этих осциллографов защита от помех в значительной степени обеспечивается применением фильтра на входе питания и кожуха с высокочастотным экраном (например, «Тектроникс-454, модель. 163D).
В ТВН быстро изменяющиеся напряжения и токи чаще всего представляют собою однократные импульсы. Их осциллографирование требует управляемого запуска горизонтальной (временной) развертки. В зависимости от того, запускается ли измеряемый сигнал изнутри электроннолучевого осциллографа генератором горизонтальной развертки или на особый входной зажим осциллографа извне поступает сигнал для запуска развертки, пуск последней называют внутренним или внешним. Отпирающий импульс проходит через усилитель и включает генератор горизонтальной развертки, пилообразное напряжение которого усиливается усилителем горизонтального отклонения и подается на отклоняющие пластины. С момента поступления измеряемого сигнала до начала развертки проходит промежуток времени порядка 100 нс, т. е. измеряемый сигнал попадает на вертикальные отклоняющие пластины на указанный промежуток времени раньше. Линия задержки или включается в усилитель вертикального отклонения (например, «Тектроникс-581»), или подключается между усилителем и отклоняющими пластинами (рис. 2).
У специальных импульсных осциллографов без встроенной линии задержки замедление и запуск могут производиться различными способами:
кабель длиной от 20 до 40 м, соединяющий делитель напряжения с электроннолучевым осциллографом, служит одновременно линией задержки.
1 Осциллографы с внешним запуском, предназначенные для автоматической регистрации перенапряжений в условиях эксплуатации энергосистем и обеспечивающие полную автоматизацию процесса измерений, описаны в статьях: Гребешков С. С. и др. «Автоматический регистратор внутренних перенапряжений» ЦИТЭИН, 1961, № 14 и Зихерман Μ. X., Хоециан К. В. «Автоматический регистратор внутренних перенапряжений». Труды ВНИИЭ, вып. 34. М., «Энергия», 1969. П р и м. ред.
Запуск производится практически безынерционно от антенны, напряжение с которой подается на входные зажимы для внешнего запуска;
сигнал поступает на электроннолучевой осциллограф по кабелю нормальной длины. Задержка осуществляется путем подключения коаксиального кабеля, длина которого согласована с необходимым временем задержки. Небольшая часть энергии сигнала питает высокоомный вход спускового усилителя, с каскада формирования импульсов которого отбирается управляющий импульс, запускающий генератор пилообразного напряжения;
генератор импульсов напряжения или тока (ГИН или ГИТ) выполняется управляемым. Для этого необходимо электронное управляющее устройство, которое выдает команду, состоящую по меньшей мере из двух импульсов напряжения, с регулируемым промежутком времени между ними. Первый импульс напряжения служит для запуска развертки электроннолучевого осциллографа, а второй запускает ГИН или ГИТ. Это устройство иногда выдает еще третий, сдвинутый по времени, импульс напряжения, используемый для поджига срезающего искрового промежутка.
Если необходим запуск только ГИН либо ГИТ, а в срезающем искровом промежутке нет необходимости, можно в некоторых случаях отказаться от специального управляющего аппарата.
Рис. 2. Упрощенная блок-схема электроннолучевого осциллографа “Тектроникс-541”.
1— предварительный усилитель; 2 — усилитель вертикального отклонения; 3 — линия задержки; 4 — спусковой усилитель; 5 — генератор пилообразного напряжения; 6 — усилитель горизонтального отклонения.
Например, импульсный осциллограф «Тектроникс-507» имеет встроенный генератор импульсов, который при нажатии кнопки запускает развертку и создает на выходном зажиме импульс напряжения
700 В. Этот импульс может служить для запуска ГИН. От момента нажатия кнопки до фактического включения ГИН проходит время, в течение которого может быть осуществлен запуск развертки. Этот способ запуска весьма целесообразен, так как длина кабеля, соединяющего делитель напряжения с электроннолучевым осциллографом, здесь не определяется временем, необходимым для задержки. Это позволяет применить сравнительно короткие отрезки кабеля, и возникающие в нем погрешности передачи по сравнению с остальными погрешностями очень малы, так что ими можно пренебречь.
Рис. 3. Электроннолучевая трубка осциллографа «Тектроникс-581».
— нагрузочное сопротивление цепочки электродов (волновое сопротивление).
Для экстремальных значений частот (100— 2 000 МГц) вертикальная отклоняющая система электроннолучевой трубки состоит из нескольких электродов, которые электрически соединены между собой по типу многозвенного фильтра (рис. 3). Параметры этой цепочки выбирают так, чтобы скорость распространения сигнала вдоль отклоняющей системы была равна скорости электронов в электронном луче [Л. 15]. При более высоких частотах отклоняющая система в виде цепочки электродов выполняется из двух плоских спиралей с постоянным волновым сопротивлением. Чтобы можно было полностью использовать большую полосу частот этой электроннолучевой трубки, ее применяют без предварительного усилителя. Сигнал подводится непосредственно к отклоняющей системе. Применение этого так называемого осциллографа бегущей волны ограничено из-за его низкоомного входного сопротивления (100—125 Ом), обусловленного неотражающей оконечной нагрузкой, равной волновому сопротивлению отклоняющей системы. Он может применяться для измерения импульсов напряжения с крутым фронтом только в соединении с омическими делителями напряжения. Емкостный делитель напряжения требует применения преобразователя полного сопротивления, вход которого согласован с низковольтной частью делителя [Л. 2].
Как одним движением сжечь 10000$ и получить удар током
В данной статье затрагиваются вопросы, касающиеся сетевого напряжения, которое может представлять угрозу жизни и здоровью человека, а также работоспособности приборов. Вся информация в этой статье представлена исключительно в ознакомительных целях. Вы используете указанную информацию на свой страх и риск. Автор ни в коем случае не несет ответственности за какой-либо прямой, непрямой, особый или иной косвенный ущерб в результате любого использования информации из данной статьи.
Структура источника питания
В данном разделе, конечно, мы не будем подробно рассматривать устройство импульсных преобразователей, это тема для целой серии статей. Мы рассмотрим этот вопрос в минимальном объеме, необходимом для понимания темы статьи. Итак, на рисунке ниже приведена по сути структурная схема простейшего обратноходового преобразователя. Обратноходовый преобразователь здесь выбран исключительно для примера, совершенно не важно, какая топология источника питания (прямоходовый, мост, полумост, пуш-пул или вообще балластный конденсатор), все сказанное верно для любой из них.
В ней не показаны фильтры синфазных и дифференциальных помех, цепи защиты и некоторые другие компоненты, однако для рассмотрения нашего вопроса это и не нужно. На схеме мы видим диодный мост, к которому подводится сетевое напряжение, микросхему ШИМ-контроллера, объединенную с силовым транзистором, трансформатор и цепь обратной связи. Сетевое напряжение выпрямляется диодным мостом: плюс подводится к трансформатору и коммутируется силовым транзистором, а минус образует потенциал локальной (силовой) земли. Относительного этого потенциала питается ШИМ-контроллер, измеряется напряжение обратной связи, а также относительно него подаются управляющие напряжения на затворы силового транзистора (который в данной схеме находится внутри контроллера). Если мы хотим измерить какое-то напряжение на первичной стороне, это тоже надо делать относительного этого потенциала. В общем, классический такой GND, за исключение одного нюанса: он гальванически не развязан от сети (имеет прямую связь с фазой и нейтралью через пару диодов). И вот именно этот нюанс и является решающим, однако об этом позднее.
Структура осциллографа
В данном разделе будет рассмотрен вопрос, касающейся гальванической связи как между непосредственно самими каналами осциллографа, так и между каналами осциллографа и линией заземления. Существует два типа осциллографов: с изолированными каналами и без такой изоляции. Осциллографы с изолированными каналами – довольно редкий вид приборов, и этот факт будет обязательно подчеркнут в описании устройства. Если вы никогда не задумывались о том, есть ли у вашего осциллографа такая изоляция, то, скорее всего, ее нет. Что это значит на практике? Это значит, что сопротивление между земляным хвостом щупа осциллографа и земляным выводом в сетевой розетке 230 В близко к нулю. Для лучшего понимания, этот факт продемонстрирован на рисунке ниже.
На данном рисунке показано измерение сопротивление между земляным хвостом щупа осциллографа и земляным контактом шнура питания осицллографа. Как видим, величина сопротивления очень мала и составляет всего 2,18 Ома. В реальности она еще меньше, потому что здесь не учитывалось сопротивление самих щупов мультиметра, которое может быть более 1 Ома.
Итак, сделаем важный вывод: у осциллографа земляной хвост щупа соединен с земляным контактом розетки и через нее заземлен в электрическом щитке.
Структура бытовой сети 230 В
Наиболее полное описание структуры сети 230 В, конечно, лучше найти в какой-нибудь литературе по теории электрических цепей, прочитав раздел про трехфазные цепи. В рамках данной статьи будет представлена только очень маленькая часть этого курса, имеющая непосредственное отношение к нашей проблеме.
В обычную бытовую розетку приходит как правило 3 провода: фаза, нейтраль и заземление. В старых домах советской постройки третьего провода (заземления) может и не быть. Провод заземления в общем-то соответствует своему названию: в конечном итоге он переходит в шину (контур заземления), которая закапывается глубоко в землю где-нибудь под зданием или в непосредственной близости от него (разумеется, не просто абы как, а в соответствии с определенными правилами). Этот провод предназначен для защиты человека от возможного поражения электрическим током: в случае нештатной ситуации, например, попадания напряжения на корпус прибора, ток начинает идти по проводу заземления, что приводит к срабатыванию защитной автоматики и отключению напряжения.
Нейтраль по сути своей очень близка к заземлению. Если вы внимательно рассмотрите линию электропередач в сельской местности, то заметите, что нейтральный проводник заземляется на каждой опоре.
Кроме того, нейтральный проводник заземлен также и на подстанции (здесь есть свои нюансы, но в быту обычно это так, схемы с изолированной нейтралью мы не рассматриваем).
В идеальном мире сопротивление между проводом заземления и нейтралью в розетке равно нулю, и они имеют абсолютно одинаковый потенциал. В реальном мире сопротивление проводников вносит свои коррективы и между нейтралью и заземлением имеется сопротивление порядка единиц-десятков Ом. Запомним этот факт, он пригодится нам в дальнейшем.
Фазный проводник – это непосредственно сам «рабочий» проводник, который формирует синусоиду относительно нейтрали. Синусоида в бытовой розетке имеет амплитуду порядка 325 В и колеблется в плюс и в минус относительно нейтрального проводника. Таким образом, при положительной полуволне синусоиды ток течет из фазного проводника в нейтральный, а при отрицательной полуволне наоборот – ток течет из нейтрального проводника в фазный.
Что происходит при подключении осциллографа?
Итак, сведем в кучку выводы по предыдущим разделам статьи:
- В сетевом импульсном источнике питания цепь локальной (силовой) земли связана с нейтралью и фазой через диоды.
- У осциллографа земляной хвост щупа соединен внутри него с земляным контактом розетки.
- Сопротивление между нейтралью и заземлением в сети мало и составляет единицы-десятки Ом.
- При положительной полуволне синусоиды ток течет из фазного проводника в нейтральный, а при отрицательной полуволне – из нейтрального в фазный.
Для начала давайте посмотрим, как ведет себя схема без подключенного осциллографа. На рисунке ниже приведены результаты моделирования такой схемы (картинка кликабельна).
Сопротивление R1 в данном случае – это сопротивление нагрузки. Я выбрал его равным 100 кОм. Можно взять любое другое, в данном случае его величина не принципиальна. Сопротивление R2 – это сопротивление между нейтральным и проводником и заземлением. Я выбрал его равным 10 Ом. Амплитудное напряжение между фазой и нейтралью составляет 325 В, что соответствует действующему значению напряжения в 230 В, сигнал показан на зеленом графике.
Как видно из графиков тока, он нигде не превышает величины нескольких миллиампер и вся система чувствует себя хорошо.
А что будет, если подключить к такой цепи осциллограф? Результат показан на рисунке ниже (картинка кликабельна).
Как видим, в модель добавился резистор R3 с сопротивлением 2 Ома. Этот резистор соответствует сопротивлению между земляным хвостом щупа осциллографа и контактом заземления шнура питания осциллографа. Чуть выше мы проводили измерение этого параметра и получили величину равную порядка 2 Ом. Этот резистор подключен к локальной силовой земле PGND: именно к этой цепи вы скорее всего и подключите землю осциллографа, если захотите произвести измерения на первичной стороне источника питания. Но как же ведет себя при этом ток? А он вырастает до катастрофических величин. Величина тока в нашей модели составляет более 25 А! В данном случае ток ограничен величиной сопротивления между нейтралью и заземлением, внутренним сопротивлением диодного моста, а также величиной сопротивления всех проводов. И этот ток протекает, помимо всего прочего, через резистор R3, т.е. через щуп осциллографа и через его внутренние цепи. 25 А через внутренние цепи осциллографа гарантированно выжгут внутри все, что возможно, не факт даже, что уцелеет сама печатная плата. Таким образом, данная картинка весьма наглядно показывает, что будет с прибором, если вот так просто попытаться измерить сигналы на не отвязанном от сети источнике.
Если чуть проанализировать результаты выше, то становится понятным, что смертельным для осциллографа оказывается отрицательная полуволна синусоиды в розетке. Отрицательная полуволна создает в точке между диодами D1 и D3 отрицательный потенциал. К точке PGND оказывается приложен нулевой потенциал (GND) через хвост щупа осциллографа, который соединен внутри него с землей розетки. Таким образом, у нас образуется разность потенциалов, причем диод D1 оказывается включенным в прямой полярности, что и приводит к резкому росту тока. Все вышесказанное наглядно проиллюстрировано на рисунке ниже.
А как же УЗО?
Действительно, при подключении земляного хвоста осциллографа к локальной (силовой) земле на стороне сетевого напряжения возникает дисбаланс токов и это должно отрабатываться УЗО. Возможно, оно и спасет цепи осциллографа от полного выгорания, однако, увы, УЗО срабатывает отнюдь не мгновенно, время его реакции составляет десятки миллисекунд. За это время вполне успеет проскочить хотя бы одна полуволна синусоиды сетевого напряжения, которая если не выжжет прибор совсем, скорее всего, все равно повредит чувствительные входные цепи осциллографа. Кроме того, в электрическом щитке УЗО присутствует далеко не всегда. Поэтому, не смотря на то, что УЗО, безусловно, полезный компонент электропроводки, в данном случае неразумно полагаться на защиту прибора с его помощью. Но как же быть, если все-таки необходимо посмотреть какие-то сигналы у прибора, работающего от сети 230 В? На самом деле, есть несколько способов, как это можно сделать относительно безопасно, об этом в следующем разделе
Как посмотреть сигналы на стороне сетевого напряжения и не спалить приборы?
1. Использовать осциллограф с гальванически развязанными каналами
У осциллографа с гальванически развязанными каналами все каналы имеют изоляцию как друг относительно друга, так и относительно земли. Таким образом, при подключении прибора к схеме, у нас не будет образовано контура, через который может произойти короткое замыкание и выгорание схемы. Однако будьте все равно предельно внимательны, даже если у вас осциллограф с развязанными каналами. Внимательно изучите документацию на свой прибор и обратите внимание на конкретные цифры по максимально допустимому напряжению относительно земли. Если вы будете анализировать сигналы на стороне сетевого напряжения, то, скорее всего, вам понадобятся специальные высоковольтные щупы, которые позволяют проводить измерения под большим потенциалом. Использование осциллографа с развязанными каналами имеет один большой недостаток – цена. Такие осциллографы заметно дороже осциллографов с аналогичными характеристиками, земли каналов которых соединены на общем шасси. Кроме того, модельный ряд таких осциллографов довольно-таки скудный, по сравнению с классическими осциллографами, конечно же. В общем, если у вас есть осциллограф с изолированными каналами и вы умеете с ним работать, скорее всего, вы мало что нового узнали из этой статьи.
2. Использовать дифференциальный пробник
Если у вас нет осциллографа с гальванически развязанными каналами, но есть обычный, то можно развязать какой-либо его канал с использованием специального устройства, которое называется дифференциальный пробник. Пример такого устройства приведен на рисунке ниже.
С помощью данного устройства возможно относительно безопасно смотреть сигналы на стороне сетевого напряжения. Существует достаточно большое число видов подобных устройств на разные входные напряжения и частот с разными коэффициентами деления входного напряжения. Как правило это активные устройства, требующие дополнительного питания, например, устройство с рисунка выше требует адаптер 9 В. Цена подобных устройств обычно тоже не очень демократична и составляет десятки, а иногда и сотни тысяч рублей (по курсу на момент написания статьи).
3. Использовать развязывающий трансформатор
Вполне рабочий способ защитить осциллограф и посмотреть при этом сигналы на стороне сетевого напряжения – использование развязывающего трансформатора с коэффициентом трансформации 1:1 (т.е. величина напряжения на выходе трансформатора равна величине напряжения на его входе). Через такой трансформатор необходимо подключить объект исследования (например, все тот же анализируемый нами источник питания). Поясняющий рисунок с результатами моделирования приведен ниже (картинка кликабельна).
Как видим, не смотря на то, что к схеме точно таким же образом подключен заземленный хвост щупа осциллографа, на графиках тока нет никаких запредельных величин. Ток через внутренности осциллографа (через сопротивление R3) равен нулю, а амплитуда тока источника питания и нагрузки составляет несколько миллиампер, как было у нас при не подключенном осциллографе. Это происходит потому, что теперь у нас земля PGND гальванически развязана от сетевого напряжения. Однако это вовсе не значит, что теперь все безопасно для человека: на выходе трансформатора по-прежнему 230 В действующего напряжения, которые могут представлять смертельную опасность.
При использовании развязывающего трансформатора помимо коэффициента трансформации необходимо также обязательно посмотреть на такой параметр, как максимально допустимая мощность. Очевидно, что потребляемая вашей нагрузкой мощность не должна превышать максимально допустимую мощность, на которую рассчитан трансформатор. Таким образом, этот способ вряд ли подойдет для анализа установок на несколько киловатт: габариты и масса требуемого трансформатора будут слишком велики.
4. Использовать лабораторный источник питания
Если ваш объект исследования – импульсный источник питания, то безопасно посмотреть его первичные цепи можно запитав его не от сети 230 В, а через лабораторный источник питания постоянного тока. Внутри такого источника питания всегда стоит трансформатор, таким образом достигается гальваническая развязка, и осциллограф можно безбоязненно подключать к анализируемой схеме. Поскольку на входе импульсного источника питания стоит выпрямитель, то для его работы нет большой разницы, подадите вы на вход синусоиду или же постоянное напряжение. Разумеется, величина этого постоянного напряжения должна соответствовать выпрямленному сетевому напряжению с каким-либо допуском. На прошлой работе в качестве такого источника питания мы использовали источник Б5-50, он изображен на рисунке ниже.
Он выглядит не очень современно, однако умеет выдавать на выходе напряжение до 300 В и неплохо подходит для отладки схем мощностью до пары сотен ватт.
Дополнительный очень жирный плюс использования лабораторного источника питания при отладке – вы можете выставить на источнике питания необходимое ограничение по току. Таким образом, даже если схема неисправна, у вас не будет громкого ба-баха и с большой долей вероятности ничего не сгорит. Такой подход несравнимо лучше всем известного включения схемы через лампочку накаливания. Единственное о чем стоит помнить – мощность лабораторного источника питания должна быть достаточной для организации питания исследуемой схемы.
5. Использовать розетку без заземления
Внимание! Данный способ относится к категории опасных, поэтому я не могу рекомендовать использовать его. Однако все-таки для полноты картины я должен про него рассказать, хотя бы для того, чтобы сообщить о возможных опасностях. Более того, бывает, что зачастую он оказывается единственным возможным способом посмотреть сигнал на стороне сетевого напряжения без привлечения какого-либо специального оборудования типа развязывающего трансформатора или осциллографа с изолированными каналами. Данный способ заключается в том, что осциллограф включается в розетку без клеммы заземления (см. рисунок ниже).
Таким образом разрушается контур протекания тока, однако это приводит к одной большой проблеме. Теперь земля осциллографа оказывается под смертельно опасным потенциалом. Это значит, что опасное для жизни напряжение будет присутствовать на всех BNC-разъемах осциллографа, на земляных хвостах всех подключенных щупов, а также, возможно, и на корпусах всех других приборов, включенных в ту же розетку (в случае, если в розетке все же есть контакты заземления, но к ней не подведен заземляющий провод). И если теперь одной рукой просто задеть коаксиальный разъем на корпусе осциллографа, а другой при этом, условно, схватиться за батарею… в общем, вы понимаете. Совершенно недопустимо использовать этот способ, если у вас осциллограф в металлическом корпусе. Если все-таки используете этот способ, то отключите все лишние щупы, а также другие провода (USB, RS-232 и др.), убедитесь, что в розетку включен только один осциллограф, выполните все подключения, настройте заранее все крутилки на осциллографе, убедитесь, что не заденете случайно BNC разъемы и только потом подавайте сетевое напряжение.
Тем не менее, при соблюдении всех мер предосторожностей, этот способ в целом рабочий. Под спойлером ниже приведена осциллограмма напряжения из розетки, снятая мной еще в студенческие годы как раз с использованием этого самого способа. Поскольку сетевое напряжение имеет размах, превышающий количество клеток на экране осицллографа, измерение происходило через резистивный делитель напряжения 1:5.
6. Использовать осциллограф с питанием от аккумуляторной батареи
Некоторые осциллографы могут работать от встроенных аккумуляторных батарей. Сетевой шнур при этом не подключается, соответственно, осциллограф оказывается не заземленным. По сути этот способ является полным аналогом предыдущего, только вместо розетки без заземления используется питание осциллографа от встроенной батареи. Этот способ абсолютно точно также опасен, как и предыдущий: на всех разъемах осциллографа будет присутствовать все тот же смертельно опасный потенциал, поэтому все меры безопасности, описанные в предыдущем пункте статьи, в равной степени справедливы и для этого способа.
7. Запитать управляющие микросхемы низким напряжением от лабораторного источника
Иногда бывают ситуации, когда для отладки не обязательно наличие высокого сетевого напряжения. В таком случае лучше просто запитать управляющие цепи с помощью низковольного лабораторного источника питания. Величина требуемого напряжения всегда прописана в документации на конкретные микросхемы (например, в случае исследования ШИМ-контроллера оно обычно не превышает 20 В). Сетевое напряжение 230 В при этом, само собой, не подается, поэтому можно абсолютно безопасно исследовать осциллографом импульсы на выходе контроллера, работу осциллятора, величину опорных напряжений и другие критические сигналы. Конечно, без наличия сетевого напряжения все проверить не получиться, но откровенно мертвый контроллер без проблем можно продиагностировать.
Общие рекомендации по работе с сетевым напряжением
1. При работе с сетевым напряжением всегда соблюдайте технику безопасности
Да, сто раз про это везде уже писали, но, тем не менее, почему-то часто то, как делать не надо, выясняется только на своей шкуре своем опыте. Не стоит лезть в приборы под напряжением во время работы, лучше выполните все подключения до включения питания. Не забывайте про накопительные конденсаторы: на их разряд нужно некоторое время, которое может стремиться к бесконечности (условно, конечно же), если разработчик не поставил разрядных резисторов.
2. Изучите инструкцию на ваш прибор
Конечно, жизнь слишком коротка, чтобы читать инструкции, поэтому их обычно открывают только когда что-то не работает или сломано. Но если вы работаете с сетевым напряжением, все-таки стоит заранее посмотреть, а какие, собственно, предельные цифры у вашего прибора. Небрежность в этом вопросе может стоить очень дорого.
3. Используйте недорогие приборы
Если вы исследуете сетевое напряжение, то отложите в сторону ваш крутой Tectronix DPO 7254 ценою в несколько миллионов и возьмите какой-нибудь Наntек DSO 5102 за пару десятков тысяч рублей. На стороне сетевого напряжения вам не нужны гигасемплы и крутая математика, зато если что-то пойдет не так, ошибка не будет стоить настолько дорого.
4. По возможности всегда работайте с гальванической развязкой от сети
Из-за несоблюдения этого правила в этом мире погорело уже куча электроники. В моей практике был случай, который стоил мне ноутбука и JTAG-отладчика. Я проводил отладку одного устройства и вроде бы ничего не предвещало беды. Устройство имело металлический корпус и на корпусе была установлена неоновая лампочка, которая светилась от сети 230 В. Корпус, естественно, был заземлен. Сама плата с микроконтроллером была запитана от отдельного изолированного источника питания. И в один прекрасный момент эта лампочка пробилась на корпус устройства. В этот момент к плате был подключен JTAG-отладчик, который был воткнут в ноутбук. Ноутбук же в свою очередь был включен в розетку с заземлением. Таким образом, ток пошел по цепочке «неоновая лампочка – корпус – плата – JTAG-отладчик – ноутбук – источник питания ноутбука – заземление». Разумеется, ноутбук и программатор при этом выгорели без возможности восстановления. Этого можно было бы избежать, если бы применялся JTAG-отладчик с гальванической развязкой. Ну и использовать топовый MacBook Pro в качестве рабочей машины при отладке силовой электроники, конечно же, тоже не стоит (см. предыдущий пункт).
Проведение измерений с помощью осциллографа
Цифровой осциллограф, конечно, намного совершеннее обычного электронного, позволяет запоминать осциллограммы, может подключаться к персональному компьютеру, имеет математическую обработку результатов, экранные маркеры и многое другое. Но при всех достоинствах эти приборы нового поколения обладают одним существенным недостатком, — это высокая цена.
Именно она делает цифровой осциллограф недоступным для любительских целей, хотя существуют «карманные» осциллографы стоимостью всего в несколько тысяч рублей, которые продаются на Алиэкспресс, но пользоваться ими не особенно удобно. Ну, просто интересная игрушка. Поэтому пока речь пойдет об измерениях с помощью электронного осциллографа.
На тему выбора осциллографа для использования в домашней лаборатории в интернете можно найти достаточное количество форумов. Не отрицая достоинств цифровых осциллографов, на многих форумах советуют остановить выбор на простых малогабаритных и надежных осциллографах отечественной разработки С1-73 и С1-101 и подобных, с которыми мы ранее познакомились в этой статье.
При достаточно демократичной цене эти приборы позволят выполнить большинство радиолюбительских задач. А пока познакомимся с общими принципами измерений с помощью осциллографа.
Рисунок 1. Осциллограф С1-73
Что измеряет осциллограф
Измеряемый сигнал подается на вход канала вертикального отклонения Y, который имеет большое входное сопротивление, как правило, 1MΩ, и малую входную емкость, не более 40pF, что позволяет вносить минимальные искажения в измеряемый сигнал. Эти параметры часто указываются рядом с входом канала вертикального отклонения.
Рисунок 2. Осциллограф С1-101
Высокое входное сопротивление свойственно вольтметрам, поэтому можно с уверенностью сказать, что осциллограф измеряет напряжение. Применение внешних входных делителей позволяет снизить входную емкость и увеличить входное сопротивление. Это также снижает влияние осциллографа на исследуемый сигнал.
Здесь следует вспомнить, что существуют специальные высокочастотные осциллографы, входное сопротивление которых всего 50 Ом. В радиолюбительской практике такие приборы не находят применения. Поэтому далее речь пойдет об обычных универсальных осциллографах.
Полоса пропускания канала Y
Осциллограф измеряет напряжения в очень широких пределах: от напряжений постоянного тока, до напряжений достаточно высокой частоты. Размах напряжения может быть достаточно разнообразным, — от десятков милливольт до десятков вольт, а при использовании внешних делителей вплоть до нескольких сотен вольт.
При этом следует иметь в виду, что полоса пропускания канала вертикального отклонения Y д.б. не менее, чем в 5 раз выше частоты сигнала, который будет измеряться. То есть усилитель вертикального отклонения должен пропускать не ниже пятой гармоники исследуемого сигнала. Особенно это требуется при исследовании прямоугольных импульсов, которые содержат множество гармоник, как показано на рисунке 3. Только в этом случае на экране получается изображение с минимальными искажениями.
Рисунок 3. Синтез прямоугольного сигнала из гармонических составляющих
Кроме основной частоты на рисунке 3 показаны третья и седьмая гармоники. С увеличением номера гармоники возрастает ее частота: частота третьей гармоники в три раза выше основной, пятой гармоники в пять раз, седьмой в семь и т.д. Соответственно амплитуда высших гармоник падает: чем выше номер гармоники, тем ниже ее амплитуда. Только если усилитель вертикального канала без особого ослабления сможет пропустить высшие гармоники, изображение импульса получится прямоугольным.
На рисунке 4 показана осциллограмма меандра при недостаточной полосе пропускания канала Y.
Примерно так выглядит меандр частотой 500 КГц на экране осциллографа ОМШ-3М с полосой пропускания 0…25 КГц. Как будто прямоугольные импульсы пропущены через интегрирующую RC цепочку. Такой осциллограф выпускался советской промышленностью для лабораторных работ на уроках физики в школах. Даже напряжение питания этого прибора в целях безопасности было не 220, а всего 42В. Совершенно очевидно, что осциллограф с такой полосой пропускания позволит почти без искажений наблюдать сигнал с частотами не более 5КГц.
У обычного универсального осциллографа полоса пропускания чаще всего составляет 5 МГц. Даже при такой полосе можно увидеть сигнал до 10 МГц и выше, но полученное на экране изображение позволяет судить лишь о наличии или отсутствии этого сигнала. О его форме что-либо сказать будет затруднительно, но в некоторых ситуациях форма не столь уж и важна: например есть генератор синусоиды, и достаточно просто убедиться, есть эта синусоида или ее нет. Как раз такая ситуация показана на рисунке 4.
Современные вычислительные системы и линии связи работают на очень высоких частотах, порядка сотен мегагерц. Чтобы увидеть столь высокочастотные сигналы полоса пропускания осциллографа должна быть не менее 500 МГц. Такая широкая полоса очень «расширяет» цену осциллографа.
В качестве примера можно привести цифровой осциллограф U1610A показанный не рисунке 5. Его полоса пропускания 100МГц, при этом цена составляет почти 200 000 рублей. Согласитесь, не каждый может позволить себе купить столь дорогой прибор.
Пусть читатель не сочтет этот рисунок за рекламу, поскольку все координаты продавца не закрашены: на месте этого рисунка мог оказаться любой подобный скриншот.
Виды исследуемых сигналов и их параметры
Наиболее распространенным видом колебаний в природе и технике является синусоида. Это та самая многострадальная функция Y=sinX, которую проходили в школе на уроках тригонометрии. Достаточно много электрических и механических процессов имеют синусоидальную форму, хотя достаточно часто в электронной технике применяются и другие формы сигналов. Некоторые из них показаны на рисунке 6.
Рисунок 6. Формы электрических колебаний
Периодические сигналы. Характеристики сигналов
Универсальный электронный осциллограф позволяет достаточно точно исследовать периодические сигналы. Если же на вход Y подать реальный звуковой сигнал, например, музыкальную фонограмму, то на экране будут видны хаотично мелькающие всплески. Естественно, что детально исследовать такой сигнал невозможно. В этом случае поможет применение цифрового запоминающего осциллографа, который позволяет сохранить осциллограмму.
Колебания, показанные на рисунке 6, являются периодическими, повторяются, через определенный период времени T. Подробнее это можно рассмотреть на рисунке 7.
Рисунок 7. Периодические колебания
Колебания изображены в двухмерной системе координат: по оси ординат отсчитывается напряжение, а по оси абсцисс время. Напряжение измеряется в вольтах, время в секундах. Для электрических колебаний время чаще измеряется в миллисекундах или микросекундах.
Кроме компонентов X и Y осциллограмма содержит еще компонент Z – интенсивность, или попросту яркость (рисунок 8). Именно она включает луч на время прямого хода луча и гасит на время обратного хода. Некоторые осциллографы имеют вход для управления яркостью, который так и называется вход Z. Если на этот вход подать импульсное напряжение от образцового генератора, то на экране можно увидеть частотные метки. Это позволяет точнее отсчитывать длительность сигнала по оси X.
Рисунок 8. Три компонента исследуемого сигнала
Современные осциллографы имеют, как правило, калиброванные по времени развертки, позволяющие точно отсчитывать время. Поэтому пользоваться внешним генератором для создания меток практически не приходится.
В верхней части рисунка 7 располагается синусоида. Нетрудно видеть, что начинается она в начале координатной системы. За время T (период) выполняется одно полное колебание. Далее все повторяется, идет следующий период. Такие сигналы называются периодическими.
Ниже синусоиды показаны прямоугольные сигналы: меандр и прямоугольный импульс. Они также периодические с периодом T. Длительность импульса обозначена как τ (тау). В случае меандра длительность импульса τ равна длительности паузы между импульсами, как раз половина периода T. Поэтому меандр является частным случаем прямоугольного сигнала.
Скважность и коэффициент заполнения
Для характеристики прямоугольных импульсов используется параметр, называемый скважностью. Это есть отношение периода следования импульсов T к длительности импульса τ. Для меандра скважность равна двум, — величина безразмерная: S= T/τ.
В англоязычной терминологии как раз все наоборот. Там импульсы характеризуются коэффициентом заполнения, соотношением длительности импульса к периоду следования Duty cycle: D=τ/T. Коэффициент заполнения выражается в %%. Таким образом, для меандра D=50%. Получается, что D=1/S, коэффициент заполнения и скважность величины взаимно обратные, хотя характеризуют собой один и тот же параметр импульса. Осциллограмма меандра показана на рисунке 9.
Рисунок 9. Осциллограмма меандра D=50%
Здесь вход осциллографа подключен к выходу функционального генератора, показанного тут же в нижнем углу рисунка. И вот тут внимательный читатель может задать вопрос: «Амплитуда выходного сигнала с генератора 1В, чувствительность входа осциллографа 1В/дел., а на экране прямоугольные импульсы с размахом 2В. Почему?»
Дело в том, что функциональный генератор выдает двухполярные прямоугольные импульсы относительно уровня 0В, примерно так же, как синусоида, с положительной и отрицательной амплитудой. Поэтому на экране осциллографа наблюдаются импульсы с размахом ±1В. На следующем рисунке изменим коэффициент заполнения Duty cycle, например, до 10%.
Рисунок 10. Прямоугольный импульс D=10%
Нетрудно видеть, что период следования импульсов составляет 10 клеток, в то время, как длительность импульса всего одна клетка. Поэтому D=1/10=0,1 или 10 %, что видно по настройкам генератора. Если воспользоваться формулой для подсчета скважности, то получится S = T / τ = 10 / 1 = 1 – величина безразмерная. Вот здесь можно сделать вывод, что Duty cycle намного наглядней характеризует импульс, чем скважность.
Собственно сам сигнал остался такой же, как на рисунке 9: прямоугольный импульс амплитудой 1В и частотой 100Гц. Изменяется только коэффициент заполнения или скважность, уж это как кому привычней и удобней. Но для удобства наблюдения на рисунке 10 длительность развертки снижена в два раза по сравнению с рисунком 9 и составляет 1мс/дел. Поэтому период сигнала занимает на экране 10 клеток, что позволяет достаточно легко убедиться, что Duty cycle составляет 10%. При пользовании реальным осциллографом длительность развертки выбирается примерно также.
Измерение напряжения прямоугольного импульса
Как было сказано в начале статьи, осциллограф измеряет напряжение, т.е. разность потенциалов между двумя точками. Обычно измерения проводятся относительно общего провода, земли (ноль вольт), хотя это необязательно. В принципе возможно измерение от минимального до максимального значения сигнала (пиковое значение, размах). В любом случае действия по измерению достаточно просты.
Прямоугольные импульсы чаще всего бывают однополярными, что характерно для цифровой техники. Как измерить напряжение прямоугольного импульса, показано на рисунке 11.
Рисунок 11. Измерение амплитуды прямоугольного импульса
Если чувствительность канала вертикального отклонения выбрана 1В/дел, то получается, что на рисунке показан импульс с напряжением 5,5В. При чувствительности 0,1В/дел. Напряжение будет всего 0,5В, хотя на экране оба импульса выглядят совершенно одинаково.
Что еще можно увидеть в прямоугольном импульсе
Прямоугольные импульсы, показанные на рисунках 9, 10 просто идеальные, поскольку синтезированы программой Electronics WorkBench. Да и частота импульсов всего 100Гц, поэтому проблем с «прямоугольностью» изображения возникнуть не может. В реальном устройстве при высокой частоте следования импульсы несколько искажаются, прежде всего, появляются различные выбросы и всплески, обусловленные индуктивностью монтажа, как показано на рисунке 12.
Рисунок 12. Реальный прямоугольный импульс
Если не обращать внимания на подобные «мелочи», то прямоугольный импульс выглядит так, как показано на рисунке 13.
Рисунок 13. Параметры прямоугольного импульса
На рисунке показано, что передний и задний фронты импульса возникают не сразу, а имеют какое-то время нарастания и спада, несколько наклонены относительно вертикальной линии. Этот наклон обусловлен частотными свойствами микросхем и транзисторов: чем более высокочастотный транзистор, тем менее «завалены» фронты импульсов. Поэтому длительность импульса определяется по уровню 50% от полного размаха.
По этой же причине амплитуда импульса определяется по уровню 10…90%. Длительность импульса, так же, как и напряжение, определяется умножением числа делений горизонтальной шкалы на значение деления, как показано на рисунке 14.
На рисунке показан один период прямоугольного импульса, несколько отличного от меандра: длительность положительного импульса составляет 3,5 деления горизонтальной шкалы, а длительность паузы 3,8 деления. Период следования импульса составляет 7,3 деления. Такая картинка может принадлежать нескольким разным импульсам с различной частотой. Все будет зависеть от длительности развертки.
Предположим, что длительность развертки 1мс/дел. Тогда период следования импульса 7,3*1=7,3мс, что соответствует частоте F=1/T=1/7.3= 0,1428КГц или 143ГЦ. Если длительность развертки будет 1мкс/дел, то частота получится в тысячу раз выше, а именно 143КГЦ.
Пользуясь данными рисунка 14 нетрудно подсчитать скважность импульса: S=T/τ=7,3/3,5=2,0857, получается почти, как у меандра. Коэффициент заполнения Duty cycle D=τ/T=3,5/7,3=0,479 или 47.9%. При этом следует обратить внимание, что эти параметры ни в коем случае не зависят от частоты: скважность и коэффициент заполнения были подсчитаны просто по делениям на осциллограмме.
С прямоугольными импульсами все вроде бы понятно и просто. Но мы совсем забыли о синусоиде. В сущности, там то — же самое: можно измерить напряжения и временные параметры. Один период синусоиды показан на рисунке 15.
Рисунок 15. Параметры синусоиды
Очевидно, что для показанной на рисунке синусоиды чувствительность канала вертикального отклонения составляет 0,5В/дел. Остальные параметры нетрудно определить умножив число делений на 0,5В/дел.
Синусоида может быть и другой, которую придется измерять при чувствительности, например, 5В/дел. Тогда вместо 1В получится 10В. Однако, на экране изображение обеих синусоид выглядит абсолютно одинаково.
Временные параметры показанной синусоиды неизвестны. Если предположить, что длительность развертки 5мс/дел., период составит 20мс, что соответствует частоте 50ГЦ. Цифры в градусах на оси времени показывают фазу синусоиды, хотя для одиночной синусоиды это не особо важно. Чаще приходится определять сдвиг по фазе (непосредственно в миллисекундах или микросекундах) хотя бы между двумя сигналами. Лучше всего это делать с помощью двухлучевого осциллографа. Как это делается, будет показано чуть ниже.
Как осциллографом измерить ток
В некоторых случаях требуется измерение величины и формы тока. Например, переменный ток, протекающий через конденсатор, опережает напряжение на ¼ периода. Тогда в разрыв цепи включают резистор с небольшим сопротивлением (десятые доли Ома). На работу схемы такое сопротивление не влияет. Падение напряжения на этом резисторе покажет форму и величину тока, протекающего через конденсатор.
Примерно так же устроен обычный стрелочный амперметр, который включатся в разрыв электрической цепи. При этом измерительный резистор находится внутри самого амперметра.
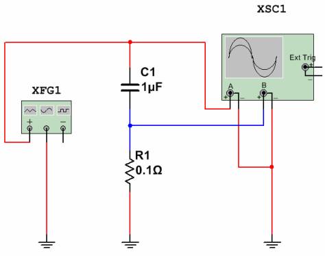
Схема для измерения тока через конденсатор показана на рисунке 16.
Рисунок 16. Измерение тока через конденсатор
Синусоидальное напряжение частотой 50 Гц амплитудой 220 В с генератора XFG1 (красный луч на экране осциллографа) подается на последовательную цепь из конденсатора C1 и измерительного резистора R1. Падение напряжения на этом резисторе покажет форму, фазу и величину тока через конденсатор (синий луч). Как это будет выглядеть на экране осциллографа, показано на рисунке 17.
Рисунок 17. Ток через конденсатор опережает напряжение на ¼ периода
При частоте синусоиды 50 Гц и развертке 5 ms/Div один период синусоиды занимает 4 деления по оси X, что очень удобно для наблюдения. Нетрудно видеть, что синий луч опережает красный ровно на 1 деление по оси X, что соответствует ¼ периода. Другими словами ток через конденсатор опережает по фазе напряжение, что полностью соответствует теории.
Чтобы рассчитать ток через конденсатор достаточно воспользоваться законом Ома: I = U/R. При сопротивлении измерительного резистора 0,1Ом падение напряжения на нем 7мВ. Это амплитудное значение. Тогда максимальный ток через конденсатор составит 7/0,1=70мА.
Измерение формы тока через конденсатор не является какой-то очень актуальной задачей, тут все ясно и без измерений. Вместо конденсатора может быть любая нагрузка: катушка индуктивности, обмотка электродвигателя, транзисторный усилительный каскад и многое другое. Важно, что именно таким методом можно исследовать ток, который в некоторых случаях значительно отличается по форме от напряжения.
Надеюсь, что эта статья была для вас полезной. Смотрите также другие статьи в категории Электрическая энергия в быту и на производстве » Практическая электроника
Подписывайтесь на канал в Telegram про электронику для профессионалов и любителей: Практическая электроника на каждый день






























