Ford Focus 2 нет связи с ЭБУ и ЭУР, приключения can шины.
Всем доброго времени суток. Наверное все кто имеет отношение к ремонту электрооборудования вторых фокусов знакома надпись на приборке — Двигатель неисправен . 90 процентов советов в сети относится к пропайке приборки, но это не наш случай, автомобиль постоянного клиента и приборку лично пропаивал пол года назад. Да к стати данные автомобиля — фф2 рестайлинг 2008 год выпуска, 1.8 механика. У этого авто эбу находится под левым крылом. В общем авто не запускается, ошибки по кан, эбу и усилитель руля на связь не выходят. ABS на связи, что немаловажно. Пост написан не для того что бы повторять прописные истины про шину данных, скорее просто с экономить время при поиске и устранении неисправности. На диагностическом разъёме имеем 120 ом, что естественно, приборка подключена, терминатор находится в ней. В подкапотном блоке предохранителей имеется сборка F19, F8, F7 все они относятся к блоку ABS , если их извлечь, становятся видны две клемы CAN шины . Становимся на них мультиметром видим 120ом, вроде и всё правильно, только это сразу может дезинформировать и увести по ложному пути. Отсоединяем большой разъём, который находится сверху блока предохранителей и убеждаемся что теперь сопротивление на клемах отличается от нормы. Всё это говорит лишь о том, что проводка до эбу в порядке и не нужно тратить время на доступ к разъёмам эбу. Помним, что ABS на связи и начинаем танцевать от печки блока, снимаем аккумулятор, потрошим жгут и убеждаемся что та всё в порядке. Половиним блок предохранителей и наблюдаем как наша витая пара транзитом следует через него и скрывается под левой фарой в жгут, который идёт по верху основного радиатора в сторону правой фары и усилителя руля. И возвращается от туда как раз к тем клемам под сборкой ABS и соответственно ЭБУ. Прозвонка от разъёма усилителя руля до блока управления двигателем показала что шина цела, да что за блин, где же она соединяется с шиной идущей от ABS? Решили добить до победы. Разбираем жгут под правой фарой, и вот оно соединение, интересно зачем понадобилось такое решение? Шина прошла транзитом к правой фаре и только потом вернулась к эбу. Попытались было найти где же обрыв, но решили, что трудозатраты на такие поиски уже не оправданы, откусили обе шины под левой фарой соединили вместе и добавили два новых провода в гофре и провели его до усилителя руля под правую фару, там то же старую шину откусили. Мало ли что там с ней произошло, лучше подстраховаться. Автомобиль запустился, ошибки удалились. Всем удачных ремонтов.
Can шина автомобиля форд фокус 2 где находится
Точки подключения авто сигнализации на Форд Фокус 2
Точки подключения авто сигнализации на Форд Фокус 2
Инструкция по установке сигнализации на Форд Фокус 2 — 2006 г.в. с автозапуском своими руками.
Почти все подключения можно произвести на блоке предохранителей в салоне за бардачком и замке зажигания в случае с автозапуском. В Ford Focus 2 есть возможность установить сигнализацию с использованием CAN шины либо по аналоговой схеме.
CAN — шина управляет и принимает сигналы:
- Концевики
- Стояночный тормоз
- Контроль работы двигателя по тахометру
- Центральный замок
- Комфорт
В некоторых машинах ЦЗ можно подключить в разъемах дверей — зелено черный и сине черный. Центральный замок управляется минусом. При поиске закройте все двери, иначе замки не будут закрываться. Концевики дверей — положительные. Искать лучше вольтметром, пробник не всегда там показывает плюс. Контроль двигателя не рекомендуем брать с розового провода генератора — плюс не сразу появляется. Для отключения ближнего света при автозапуске, надо на выключателе габаритов перерезать тонкие зелено красный и зелено желтый провода.
О принципе работы сетевого интерфейса CAN-шина
Кан-шина в автомобиле предназначена для обеспечения подключения любых электронных устройств, которые способны передавать и получать определенную информацию. Таким образом, данные о техническом состоянии систем и управляющие сигналы проходят по витой паре в цифровом формате. Такая схема позволила снизить негативное влияние внешних электромагнитных полей и существенно увеличить скорость передачи данных по протоколу (правила, по которым блоки управления различными системами способны обмениваться информацией).
Кроме того, диагностика ЭБУ различных систем автомобиля своими руками стала проще. За счет применения подобной системы в составе бортовой сети автомобиля высвободилось определенное количество проводников, которые способны обеспечивать связь по различным протоколам, например, между блоком управления двигателем и диагностическим оборудованием, системой сигнализации. Именно наличие Кан-шины в автомобиле позволяет владельцу своими руками выявлять неисправности контроллеров и ошибки с помощью специального диагностического оборудования.
CAN-шина – это специальная сеть, с помощью которой осуществляется передача и обмен данными между различными узлами управления. Каждый из узлов состоит из микропроцессора (CPU) и CAN-контроллера, с помощью которого реализуется исполняемый протокол и обеспечивается взаимодействие с сетью автомобиля. Шина Кан имеет минимум две пары проводов – CAN_L и CAN_H, по которым и передаются сигналы посредством трансиверов – приемо-передатчиков, способных усиливать сигнал от управляющих устройств сети. Кроме того, трансиверы выполняют и такие функции как:
- регулировка скорости передачи данных посредством усиления или уменьшения подачи тока;
- ограничение тока для предотвращения повреждения датчика или замыкания линий передачи;
- тепловая защита.
На сегодняшний день признаны два вида трансиверов – High Speed и Fault Tolerant. Первый тип наиболее распространен и соответствует стандарту (ISO 11898-2), он позволяет передавать данные со скоростью до 1МБ в секунду. Второй тип приемопередатчиков позволяет создать энергосберегающую сеть, со скоростью передачи до 120 Кб/сек, при этом подобные передатчики не имеют чувствительности к каким-либо повреждениям на самой шине.
Как расшифровывается ошибка U1900
На английском языке согласно расшифровке ошибок по протоколу ОБД2 название ошибки звучит «Communication BUS FAULT» — это переводится как «Ошибка связи по CAN-шине». Чтобы понять где находится причина такой ошибки, необходимо знать что такое CAN-шина в автомобиле и для чего она предназначена.
Большинство пользователей персональных компьютеров со стажем имеют представление о локальной сети. Она предназначена для объединения компьютеров пользователей в офисе (на производстве, в доме и т.д.) с целью обмена информацией.
Например, в большом магазине все кассовые терминалы, бухгалтерия, компьютеры баз данных объединены в единую сеть, чтобы в режиме реального времени контролировать склады, бухгалтерские операции, поступление средств и др. Если в магазине случится нарушение связи по локальной сети, в принципе, ни склад, ни бухгалтерия не встанут (могут продолжать работать), но их взаимодействие будет нарушено. Не будут поступать данные об остатках на складе, поступлении средств. Управление магазином будет нарушено.
Точно так же организован обмен информацией в автомобиле. Дело в том, что большинство систем автомобиля сейчас управляется отдельными микропроцессорами (в составе блоков управления). Они связаны друг с другом по CAN-шине. Данные, например, о скорости автомобиля блок АБС и приборная панель получают не по отдельному проводу, а в составе потокового цифрового сигнала, передающегося по CAN-шине. Так идет обмен информации по всему автомобилю.
Принцип передачи введен еще в прошлом веке. При этом применяется симметричная «скрутка» (два провода, скрученные в единый жгут). Несмотря на простоту, такая система показала отличные результаты в плане скорости передачи данных и помехозащищенности. Схематически CAN-шину можно изобразить так.
Если в каком-то месте разорвать CAN-шину, а еще хуже, ее закоротить, то обмен информацией по шине будет нарушен. В этом случае приборная панель может не видеть сообщений о скорости автомобиля, температуре охлаждающей жидкости, частоте вращения двигателем, охранная система – данные о состоянии дверей и так далее.
Сообщение диагностического устройства в виде ошибки U1900 свидетельствует о том, что связь нарушена. О том, что может являться последствием данного нарушения, ошибка молчит. С этой точки зрения ошибка очень сложна для исправления. Где искать причину, неизвестно, ведь CAN-шина следует по практически всем системам автомобиля.
Автоэлектрики, в основном, используют свой опыт, советы коллег, перебирают все блоки, начиная от главного монтажного, затем приборную панель, блок управления двигателем, АБС и далее по схеме.
Прибор работает по стандартному принципу сканеров. Модуль принимает входящую информацию из электронного блока питания. ЭБУ формирует пакет данных, отправляет на интерфейс ELM. Декодирования информации осуществляется непосредственно в приборе.
Для правильного транслирования пакетов, предусмотрены протоколы OBD2. Каждая модель имеет собственный стандарт обмена. Они отличаются набором команд, алгоритмом модуляции и главное – строением информационного пакета.
Существует пять стандартов обмена данными по линии связи:
- SAE J1850 PWM;
- SAE J1850 VPW;
- ISO 9141-2;
- ISO 14230-4 (Keyword Protocol 2000);
- ISO 15765 CAN.
Каждый отличается годом применения, а также структурой информационного пакет. Автомобили Форд преимущественно используют несколько стандартов:
- CAN – в новых моделях, начиная с 2002;
- ISO 9141-2 – варианты Ford 1996, 2003 годов;
- PWM – ранние выпуски.
Зависимо от протокола, электронный блок поддерживает конкретные режимы диагностики.
Выберите модель авто и год выпуска, чтобы определить какие режимы диагностики через адаптер ELM327 поддерживает ваш автомобиль, а так же на каком протоколе базируется OBD2 порт. Данные предсталвны на следующие марки и их модификации: B-Max, Ba Falcon, C-Max, C-Max II, Contour, Cougar, Ecosport, Ecosport 2, Escape, Escape 2, Escape 3, Escort, Everest, Expedition, Expedition 2, Expedition 3, Explorer, F150, F250, FPV GT-P, Fairmont, Falcon, Fiesta, Fiesta 7, Focus, Focus 3, Fusion, Fusion (US), Galaxy, Galaxy II, Ka, Kuga, M350, Mercury, Mondeo, Mondeo 3, Mondeo 4, Mustang 4, Mustang 5, Mustang 6, Probe GT, Puma, Ranger, Ranger (T6), S-Max, Territory, Tourneo Connect, Transit, Transit Courier, Trend, Windstar.
Точки подключения автосигнализации на Ford Focus 2006-2009
На замке зажигания берём силовые провода.
12 Вольт — красный
Зажигание — зелёно/жёлтый
Стартер — серо/красный
АСС — жёлтый
К габаритам подключаемся на переключателе света к оранжево/чёрному (в некоторых к оранжево/жёлтому) проводу (положительная полярность)
Бензонасос можно найти в правом пороге — зелёно/оранжевый.
Стоп — зел/белый на «лягушке» педали тормоза.
Управление центральным замком и концевики дверей берём на блоке предохранителей снизу в ногах пассажира. (В некоторых авто цз берётся в двери водителя — зел/ч и син/ч).
ЦЗ (управляется минусом) — чёрно/оранжевый и чёрно/зелёный в оранжевом разъёме. Когда будете искать — закройте все двери, иначе замки не будут закрываться.
Концевики дверей (положительные) — ч/ж (водительский), ч/ор (задний левый), ч/з (задний правый) и ч/син (передний правый) в том же оранжевом разъёме, где и цз. Ищите вольтметром, а не пробником. Пробник не покажет «плюс» при открытии двери (во всяком случае лампочный).
Концевик багажника там же, где все остальные и тоже положительный — ч/кр.
Если есть концевик капота на авто, то можно взять его в соседнем синем разъёме — ч/ж. Он, кстати, тоже положительный.
Для контроля двигателя лучше взять сигнал с форсунки (любой). Правый провод по ходу движения.
Можно попробовать зарядку — розовый провод на генераторе. Но на этом проводе 12 вольт долго появляется. Поэтому, часто некорректно работает автозапуск. По шумам (или напряжению) работает, но при полностью включённой печке (мотор на максимум) опять же некорректно (в случае с шерханами — 100 % не правильно работает).
Если при включении зажигания включается ближний свет, то (чтобы этого не было) на выключателе габаритов перерезать з/кр тонкий и з/ж тонкий.
Как исправить ошибку U1900 на Форд Фокус 2
В некоторых автомобилях ошибка U1900 проявляется очень часто. Классическим примером является автомобиль Форд Фокус 2. Автолюбители и электрики давно обнаружили слабое место, которое приводит к такой ошибке. Это пропайка разъема на приборной панели.
Оригинальный ODB2 сканер Scan Tool Pro Black Edition
Выполнив подключение вы сможете:
- Считывать коды ошибок и стирать их с ЭБУ.
- Вести журнал поездок и расхода топлива.
- Отображать в режиме реального времени:
- обороты двигателя;
- скорость автомобиля;
- давление масла;
- температуру охлаждающей жидкости;
- показания со всех имеющихся датчиков;
- и многое другое!
Сканер совместим с устройствами на базе iOS, Android, Windows
Видео — частая ошибка U1900 Форд Фокус 2 и как её устранить:
Там образуется эффект, называемый «холодная пайка». Пайка на первый взгляд нормальная, но контакт отсутствует или периодически пропадает. Для ремонта надо разобрать панель.
Далее необходимо пропаять все контакты разъема на печатной плате.
Чтобы не паять абсолютно все контакты (при этом можно нарушить еще что-нибудь), можно по схеме найти, какие именно контакты разъема пропаивать.
Как видно на схеме, это контакты 17 и 18 разъема приборной панели. К ним подходят провода CAN-H (высокий уровень) и CAN-L (низкий уровень). Эта шина идет и к другим блокам управления автомобиля. По схеме можно расшифровать цвет этих проводов. Они будут серо-красного и голубо-красного цвета. Такого-же цвета будет скрутка, идущая по всему автомобилю. Это и есть CAN-шина. Она имеет свой собственный разъем на монтажном блоке.
Приблизительно также следует исправлять ошибку U1900 и на других автомобилях.
Основные симптомы появления ошибки IC U1900-60
Симптомы этих неисправностей малоприятны, а их возникновение никак не зависит от года выпуска, комплектации, типа двигателя:
- глючит приборный щиток, загораются все контрольные лампы одновременно;
- стрелка тахометра внезапно падает на ноль, дёргается, некорректно показывает количество оборотов;
- стрелка спидометра падает на ноль;
- одометр не считает пробег;
- двигатель продолжает работать, но при этом на дисплее возникает сообщение о том, что интенсивность разгона уменьшена;
- растёт температура охлаждающей жидкости;
- периодически загорается лампа Check Engine.
При сканировании ошибок компьютер выдаёт одну из перечисленных выше ошибок, а это значит, что пора исправлять ошибку IC U1900-60 своими руками, если машина уже не на гарантии. В дилерском центре за работу и диагностику возьмут приличную сумму, к тому же навяжут замену свечей, электронной педали акселератора, модуля бензонасоса, словом, будут проталкивать залежалый товар подороже. Поэтому разбираться будем сами.
Что такое CAN-шина
Электронный КАН-интерфейс в авто представляет собой сеть контроллеров, использующихся для объединения всех управляющих модулей в единую систему.
Данный интерфейс представляет собой колодку, с которой можно соединять посредством проводов блоки:
- противоугонного комплекса, оборудованного функцией автозапуска либо без нее;
- системы управления мотором машины;
- антиблокировочного узла;
- системы безопасности, в частности, подушек;
- управления автоматической коробкой передач;
- контрольного щитка и т. д.
Устройство и где находится шина
Конструктивно CAN-шина представляет собой блок, выполненный в пластиковом корпусе, либо разъем для подсоединения кабелей. Цифровой интерфейс состоит из нескольких проводников, которые называются CAN. Для подключения блоков и устройств используется один кабель.
Место монтажа устройства зависит от модели транспортного средства. Обычно этот нюанс указывается в сервисном руководстве. СAN-шина устанавливается в салоне автомобиля, под контрольным щитком, иногда может располагаться в подкапотном пространстве.
Как работает?
Принцип работы автоматической системы заключается в передаче закодированных сообщений. В каждом из них имеется специальный идентификатор, являющийся уникальным. К примеру, «температура силового агрегата составляет 100 градусов» или «скорость движения машины 60 км/ч». При передаче сообщений все электронные модули будут получать соответствующую информацию, которая проверяется идентификаторами. Когда данные, передающиеся между устройствами, имеют отношение к конкретному блоку, то они обрабатываются, если нет — игнорируются.
Длина идентификатора CAN-шины может составить 11 либо 29 бит.
Каждый передатчик информации одновременно выполняет считывание данных, передающихся в интерфейс. Устройство с более низким приоритетом должно отпустить шину, поскольку доминантный уровень с высоким показателем искажает его передачу. Одновременно пакет с повышенным значением остается нетронутым. Передатчик, который потерял связь, спустя определенное время ее восстанавливает.
Интерфейс, подключенный к сигналке или модулю автоматического запуска, может функционировать в разных режимах:
- Фоновый, который называется спящим или автономным. Когда он запущен, все основные системы машины отключены. Но при этом на цифровой интерфейс поступает питание от электросети. Величина напряжения минимальная, что позволяет предотвратить разряд аккумуляторной батареи.
- Режим запуска или пробуждения. Он начинает функционировать, когда водитель вставляет ключ в замок и проворачивает его для активации зажигания. Если машина оборудована кнопкой Старт/Стоп, это происходит при ее нажатии. Выполняется активация опции стабилизации напряжения. Питание подается на контроллеры и датчики.
- Активный. При активации этого режима процедура обмена данными осуществляется между регуляторами и исполнительными устройствами. Параметр напряжения в цепи увеличивается, поскольку интерфейс может потреблять до 85 мА тока.
- Деактивация или засыпание. Когда силовой агрегат останавливается, все системы и узлы, подключенные к шине CAN, перестают функционировать. Выполняется их деактивация от электрической сети транспортного средства.
Характеристики
Технические свойства цифрового интерфейса:
- общее значение скорости передачи информации составляет около 1 Мб/с;
- при отправке данных между блоками управления различными системами этот показатель уменьшается до 500 кб/с;
- скорость передачи информации в интерфейсе типа «Комфорт» — всегда 100 кб/с.
Канал «Электротехника и электроника для программистов» рассказал о принципе отправки пакетных данных, а также о характеристиках цифровых адаптеров.
Ошибка u1900 Форд Фокус 2: код и как исправить
Бортовой компьютер и управляющая электроника на втором Фокусе редко преподносят неприятные сюрпризы хозяевам. Блоки электронного управления достаточно просты, а модульная система монтажа позволяет точно локализовать неисправность электроники. Однако иногда возникают ошибки, связанные не с надёжностью электронных модулей, а с надёжностью проводки и качеством обработки контактов. Ошибка U1900 может возникнуть неожиданно, и так же неожиданно исчезнуть. Что это такое, как её исправить, выясним вместе.
U1900, что это за ошибка на Форд Фокус 2?
При ошибке u1900 на панели может быть такое сообщение.
Все электронные модули, которые отвечают за работу и коррекцию настроек двигателя, обеспечивающие работу системы питания, зажигания и других важных электрических цепей, связаны между собой шинами по протоколу CAN или шинами высокоскоростной передачи данных. При малейшем нарушении связи между модулями, бортовой компьютер предупреждает об этом сообщениями об ошибках. Вот список ошибок, которые связаны с CAN-шинами:
- IC U1900-60 — ошибка приёма данных из-за неисправности шины, самая распространённая ошибка, но могут быть и другие сообщения;
- IC U2200-20 — возникает при некорректной работе одометра;
- IC U2510-20 — говорит о разрыве связи в коммуникационной шине CAN.
При повреждении высокоскоростной шины компьютер может выдать ошибку U0001-Е1.
Основные симптомы появления ошибки IC U1900-60
Симптомы этих неисправностей малоприятны, а их возникновение никак не зависит от года выпуска, комплектации, типа двигателя:
- глючит приборный щиток, загораются все контрольные лампы одновременно;
- стрелка тахометра внезапно падает на ноль, дёргается, некорректно показывает количество оборотов;
- стрелка спидометра падает на ноль;
- одометр не считает пробег;
- двигатель продолжает работать, но при этом на дисплее возникает сообщение о том, что интенсивность разгона уменьшена;
- растёт температура охлаждающей жидкости;
- периодически загорается лампа Check Engine.
При сканировании ошибок компьютер выдаёт одну из перечисленных выше ошибок, а это значит, что пора исправлять ошибку IC U1900-60 своими руками, если машина уже не на гарантии. В дилерском центре за работу и диагностику возьмут приличную сумму, к тому же навяжут замену свечей, электронной педали акселератора, модуля бензонасоса, словом, будут проталкивать залежалый товар подороже. Поэтому разбираться будем сами.
Как исправить ошибку U1900 на Форд Фокус 2
Как правило, сброс ошибок бортового компьютера и снятие клеммы с АКБ ничего толком не даёт. Ошибка может исчезнуть на какое-то время, но появится снова. От режима самотестирования приборной панели тоже толку мало — тест пройдёт успешно, если в этот момент шина CAN будет работать нормально. Единственный выход — пропайка контактов на плате приборного щитка.
Вот контакты, которые нужно пропаять:
Чтобы до них добраться, необходимо снять и полностью разобрать приборку. Делаем это так:
- Перемещаем рулевую колонку максимально на водителя и вниз.
- Снимаем пластиковые накладки под рулём и откручиваем два самореза.
- Откручиваем два самореза под шкалами тахометра и спидометра.
- Оттягивая козырёк вверх, поддеваем приборку сверху и освобождаем фиксатор.
- Вынимаем панель на себя и отключаем клеммную колодку.
Снимаем информационное табло.
Снимаем декоративную накладку, аккуратно снимаем стрелки и получаем доступ к плате. Вот как она выглядит.
Видео с проявлением ошибки U1900
Выводы
Таким образом, в 99% случаев ошибка U1900 пропадает навсегда. Удачного ремонта и стабильной работы электроники!
Can шина форд фокус 2 где находится
по первой цифре номера цепи можно получить ещё некоторую информацию вот из этой таблицы (источник):
В модуле системы обмена данных ( в системе шины данных) модули различных систем соединены друг с другом через один или несколько проводов.
Система шины данных существует для того, чтобы передавать данные между присоединенными модулями, а также между присоединенными модулями иобщей системой диагностики (WDS ).
Вместо простых команд ВКЛ/ВЫКЛ в системе шины данных предаются комплектные блоки данных. Такие блоки данных содержат наряду с собственно информацией также данные об адресах модулей, к которым производится обращение, размер блока, а также информацию для контроля содержания каждого отдельного блока данных.
Системы шин данных дают следующие преимущества:
простой обмен данными между модулями посредством стандартизированного протокола
меньшее число датчиков и разъемов
возможность улучшения диагностики
более низкую стоимость
Через стандартный 16-полюсный разъем (DLC) WDS (соединяется) с различными системами шин данных и питанием. Через DLC сигнал передается при программировании модуля.
Если у системы шин данных обрываются один или несколько проводов или имеет место короткое замыкание на массу или появляется напряжение, связь между модулями и с ( WDS ) нарушается или исчезает полностью.
Чтобы восстановить связь между собой, модули отдельных систем должны общаться на одном языке. Такой язык называется протоколом.
Компания Ford в настоящее время применяет четыре различных системы шин данных. В зависимости от модели автомобиля и его оборудования применяются все три системы. Каждая из систем шин данных имеет свой собственный протокол.
Системы шин данных:
Преимуществами CAN-шины являются:
минимизация затрат на разводку кабелей.
высокая помехозащищенность (защищенность от неисправностей/отказов).
прочность.
возможность расширения.
выстраивание приоритетов информации.
низкая стоимость.
автоматическое повторение поврежденной информации.
самостоятельный контроль системы и возможность автоматического отключения поврежденных модулей от шины данных.
На автомобилях, изготовленных, начиная с модельного года 2003.75, в зависимости от модели применяется дополнительно и вторая система шин CAN. Эта шина отличается в основном только более низкой скоростью передачи данных и в настоящее время применятся в основном для комфортной электроники. Для возможности различения отдельных систем CAN систему CAN с высокой скоростью передачи данных обозначают как высокоскоростную (HS) CAN, а систему CAN с более низкой скоростью передачи данных обозначают как среднескоростную (MS) CAN. Как у всех систем шин CAN у среднескоростной шины CAN для повышения помехоустойчивости установлены два нагрузочных резистора на 120 Ом. Для осуществления связи между модулями высокоскоростной шины CAN и среднескоростной шины CAN применяется модуль с обеими системами шин данных. Связь обеих систем шин данных обозначается как gateway (шлюз). В таком gateway полученные данные преобразуются в соответствии со скоростью, необходимой для соответствующей шины данных, и передаются дальше. Таким образом достигается оптимальное распределение информации между обеими системами шин данных.
На моделях Focus CMax, а также на моделях Focus, изготовленных начиная с модельного года 2005, в зависимости от варианта оснащения применяются две системы шин передачи данных.
Количество модулей, подсоединенных к двум системам шин передачи данных CAN, зависит от варианта оснащения автомобиля.
У автомобилей Focus CMax, а также у автомобилей Focus с MY2005 выпуска вследствие возросшего числа модулей и как следствие возросшего объема передаваемых данных применяется вторая CAN-шина (среднескоростная CAN-шина). Указанная шина работает с более низкой скоростью и служит в основном для связи в области комфортной электроники.
Для возможности обмена данными между высокоскоростной и низкоскоростной CAN-шинами применяется gateway. Шлюз служит в качестве интерфейса между обеими системами шин передачи данных CAN и установлен в электронном щитке приборов.
Модули, присоединенные к обеим системам шин данных CAN, зависят от варианта оборудования автомобиля.
В PCM и в электронном щитке приборов установлены соответственно по одному нагрузочному резистору сопротивлением 120 Ом высокоскоростной CAN-шины.
В GEM и в электронном щитке приборов установлены соответственно по одному нагрузочному резистору сопротивлением 120 Ом высокоскоростной CAN-шины.
Указанные нагрузочные сопротивления служат для защиты от помех. Для обеспечения надежной работы системы шин данных модули должны всегда присоединяться с встроенным нагрузочным сопротивлением.
Монтаж, настройка и подключение 2CAN+2LIN модуля на уже установленную StarLine A93 (A63) для Форд-Фокус 2.
Всем привет!
Очень часто встречаю случаи, когда люди не знают о возможностях 2CAN+2LIN модуля на StarLine А93 (А63) именно на наших фокусах. Мало того, не все установщики и продавцы знают о его возможностях, даже мне пытались вжевать то, что эта приблуда бесполезна на фокусах. А те кто все же купил данную сигу с этим модулем, доплачивают лишние деньги за его монтаж и настройку, а по факту, 80% установщиков не могут или не хотят его по уму настроить.
В общем обратился ко мне знакомый с такой же машиной как у меня, года 1,5 назад ему в Оренбурге поставили StarLine A93 и абсолютно все, с кем он консультировался там, в один голос ему говорили, что CAN модуль на его фокусе пустая трата времени и денег. После моей консультации им было решено докупить этот самый модуль и внедрить его в уже установленную сигу.
Начинать эту процедуру нужно с проверки, какой CAN модуль поддерживает ваша А93. Дело в том, что на первые А93 невозможно поставить 2CAN+2LIN модуль. Для определения нужной платы, необходимо достать блок сиги и посмотреть на красный разъем, это разъем подключения CAN модуля к машине.
Далее:
-переходим на сайт StarLine CAN Телематика;
-выбираем пункт “StarLine 2CAN+LIN, 2CAN+2LIN”;
-выбираем нашу марку “FORD”;
-под маркой машины выбираем ссылку с нужной комплектацией (в моем случае это “Ghia, Titanium”);
-жмем кнопочку “СКАЧАТЬ” и скаченный файлик сохраняем где нибудь в укромном месте!
Потом переходим СЮДА, скачиваем и устанавливаем последнюю версию StarLine Master.
Выбираем скаченную прошивку, “Открыть файл” и ждем когда прошивка зальётся в модуль. ОЧЕНЬ ВАЖНО ничего не отключать и ничего не трогать во время прошивки! Иначе можно положить модуль!
После удачной настройки отсоединяем модуль от компа и несёмся в машину! Находим в недрах авто блок сигнализации, как правило он стоит или слева или с право от бардачка, но недалеко от GEMа.
Теперь необходимо подключить 6 проводов для подключения 2CAN+LIN модуля к машине. Куда какие провода подсоединять есть ВОТ ТУТ, надо нажать “ТОЧКИ ПОДКЛЮЧЕНИЯ”. Я предпочитаю подключать обе шины CAN к диагностическому разъему, но бывает не хватает длины проводов (это зависит от месторасположения блока сигнализации), приходится удлинять провода, желательно витой парой. Кстати, в некоторых магазинах эти модули продают без проводов. На мой взгляд этот модуль просто ОБЯЗАН продаваться с проводами. Я беру такие вещи в одном, проверенном магазине, проблем пока не было!
Далее, не собирая блок сигнализации подключаем всю плату блока к разъемам сигналки. Тут тоже надо действовать крайне аккуратно, можно коротнуть пайкой платы на корпус, задев случайно металлические части кузова. Я лично перед данной процедурой застелаю все большой тряпкой. Многие советуют отключать аккум, но я считаю это бессмысленно, на мой взгляд достаточно отсоединять разъем Х2, т.к. далее нужно будет туда, сюда включать и обесточивать блок сиги.
Одна из самых главных плюшек модуля CAN, это избавление от обходчика и второго ключа (чипа иммо) в нём. Для реализации этого на наших Фокусах, необходимо проделать следующее:
— выполняем вход в режим обучения путем нажатия сервисной кнопки 14 раз;
— включаем зажигание не позднее 5 сек;
— выключаем зажигание;
— ждем 5-10 секунд;
— второй раз включаем зажигание;
— ждем подтверждающего двойного звукового сигнала об успешном завершении.
Если с первого раза не услышали двойного пика, не расстраивайтесь, нужно проделать вышеописанные танцы еще раз!
После услышанных двух пиков выключаем питание сигналки (я это делаю путем отсоединения разъема Х2) и подсоединяем CAN модуль шнурком к компу. Тут для удобства можно вытащить плату CAN модуля из основной платы сигнализации, но я это не рекомендую, т.к. ножки на модуле очень легко гнутся. Лучше все делать на месте, главное обесточить блок сигнализации.
Открываем уже известную нам прогу, StarLine Master.
Схема кан шины форд фокус 2
ELM327 – OBD-II сканер (диагностический адаптер), используемый для диагностики автомобилей при помощи ПК. Он поддерживает все протоколы этого стандарта и совместим со множеством диагностических программ (ScanXL, ScanMaster и др.). Существуют варианты с COM, USB портами и Bluetooth.
OBD-II использует несколько протоколов обмена данными, в числе которых 15765-4 CAN, используемый в Форд Фокус 2 и соплатформенниках Си-Макс и Куга (далее речь пойдет об этих моделях под обозначением ФФ2).
Стандарт OBD-II позволяет считывать и стирать коды неисправности, контролировать параметры работы двигателя в реальном времени, считывать информацию о серийном номере автомобиля и прочее. Он изначально предназначался для контроля параметров имеющих отношение к эмиссии. Это ограничивает возможности по контролю и диагностике всех параметров современного автомобиля, поэтому у каждого производителя есть свой расширенный набор команд протокола.
В основе ELM327 лежит одноименный канадский чип на базе микроконтроллера PIC18F2480, с ФФ2 полноценно работают чипы версий 1.1 и выше. По сути это программа-интерфейс между CAN-шиной (в случае с ФФ2) и последовательным портом (RS-232). Управляется адаптер AT-командами (как модем), их полное описание есть в его даташите [pdf]. Существуют также китайские (более дешевые) клоны ELM327, они у нас больше распространены, но с такими адаптерами есть нюансы в работе — некоторые требуют ввода команд без пробелов, а некоторые только заглавными буквами, сами же команды аналогичны оригиналу.
Рассмотрим процесс работы с ELM327 посредством AT-команд, упомянутым в предыдущем абзаце.
Нам понадобится терминал для работы с COM-портом, например putty. Настраиваем программу по аналогии со скрином [jpg] (в Диспетчере устройств Windows настройки порта ELM327 оставляем по-умолчанию). Далее внимательно читаем небольшой мануал по работе с ELM327 в терминале [pdf], в нем кратко описан диалог с адаптером (ссылка на даташит с полным списком AT-команд есть выше) и диалог с авто по стандарту OBD-II (весь перечень диагностических режимов и PID`ов описан в ISO-15031-5 (SAE J1979) [pdf] или в выжимке из него на wiki — OBD-II PIDs. Теперь вам вполне по силам получить такую же информацию об авто по стандарту OBD-II, как и в сторонних программах диагностики (конечно, в терминале это не совсем удобно, зато понятен механизм и можно приступать к написанию своей диагностической программы :-)).
Диагностикой по OBD-II возможности ELM327 не ограничиваются. В зависимости от комплектации в ФФ2 может быть от нескольких до двух десятков модулей, объединенных CAN-шиной, которые не только можно диагностировать данным адаптером, но и изменять их конфигурационные данные (о них чуть ниже).
Часть модулей находится на высокой (HS-CAN), другая – на средней (MS-CAN) шинах, панель приборов (IPC) висит сразу на обеих и служит шлюзом между ними (краткую информацию по шинам данных можно посмотреть ТУТ).
В заводском исполнении ELM327 висит только на высокой CAN-шине, что позволяет работать только с частью модулей ФФ2. Для работы со всеми модулями, адаптер нужно доработать.
Слева нарисована схема переделки.
Красная и синяя линии от адаптера к 6 и 14 контактам OBD-разъема – существующие провода. Нам нужно получить возможность переключать их с 6 и 14 на 3 и 11 контакты (с HS-CAN на MS-CAN) и обратно. Для этого используем сдвоенный тумблер (или кнопку или переключатель) вида ON-ON или два одинарных. Подключаем его в соответствии со схемой: перерезаем существующие провода в местах, отмеченных крестиками, и добавляем дополнительные (розовые и голубые на рисунке).
Теперь необходимо настроить адаптер на работу со средней CAN-шиной (MS-CAN). Для этого подключаемся через терминал к ELM327 (выше описано) и вводим следующую последовательность команд:
atpp2asv38
atpp2aon
atpp2csv81
atpp2con
atpp2dsv04
atpp2don
На ввод каждой их этих шести строк, адаптер должен ответить «ОК».
После этого можно приступать к диагностике всех CAN-модулей ФФ2 по родному протоколу, а также изменению их конфигурационных данных, что и разберем на следующей странице.
БОльшая часть изложенной выше информации подчерпнута на Форд Фокус клубе в темах Диагностический адаптер своими силами и Всё о ELM327, на Форд Куга клубе в теме Диагностика и конфигурирование авто с помощью ELM327 и от уважаемых людей из этих клубов.
Точки подключения авто сигнализации на Форд Фокус 2
Инструкция по установке сигнализации на Форд Фокус 2 — 2006 г.в. с автозапуском своими руками.
Почти все подключения можно произвести на блоке предохранителей в салоне за бардачком и замке зажигания в случае с автозапуском. В Ford Focus 2 есть возможность установить сигнализацию с использованием CAN шины либо по аналоговой схеме.
CAN — шина управляет и принимает сигналы:
- Концевики
- Стояночный тормоз
- Контроль работы двигателя по тахометру
- Центральный замок
- Комфорт
В некоторых машинах ЦЗ можно подключить в разъемах дверей — зелено черный и сине черный. Центральный замок управляется минусом. При поиске закройте все двери, иначе замки не будут закрываться. Концевики дверей — положительные. Искать лучше вольтметром, пробник не всегда там показывает плюс. Контроль двигателя не рекомендуем брать с розового провода генератора — плюс не сразу появляется. Для отключения ближнего света при автозапуске, надо на выключателе габаритов перерезать тонкие зелено красный и зелено желтый провода.
Точки подключения
| Цепь | Цвет провода | Полярность | Расположение |
| Масса | Черный | — | Блок предохранителей, нижний разъем |
| Питание +12 | Красный толстый | + | Блок предохранителей, зеленый разъем |
| Красный | + | Замок зажигания | |
| Зажигание 1 | Зелено белый | + | Блок предохранителей |
| Зелено желтый | + | Замок зажигания | |
| Аксессуары (АСС) | Желтый | + | Замок зажигания |
| Стартер | Серо черный | + | Горизонтальный жгут за бардачком (его же можно использовать для блокировки стартера) |
| Серо красный | + | Замок зажигания | |
| Габариты | Оранжево черный (,Бывает оранжево желтый) | + | Переключатель света |
| Поворотники 1 | Синий (где-то сине белый) | + | Блок предохранителей, зеленый разъем |
| Поворотники 2 | Сине красный | + | Блок предохранителей, зеленый разъем |
| Ц.З. (открыть) | Черно оранжевый | — | Блок предохранителей, оранжевый маленький разъем. |
| Ц.З. (закрыть) | Черно зеленый | — | |
| Концевик багажник | Черно красный | + | |
| Концевик двери водителя | Черно оранжевый | + | |
| Концевик передней правой двери | Черно синий | + | |
| Концевик задней левой двери | Черно желтый | + | |
| Концевик задней правой двери | Черно зеленый | + | |
| Открытие багажника | Черно желтый | — | |
| Концевик капота (если нет, ставим свой) | Черно желтый | + | Блок предохранитлей синий разъем. |
| Блокировка в салоне 1 | Зелено фиолетовый | + | Блок предохранителей |
| Блокировка под капотом | Зелено фиолетовый | + | Блок предохранителей под капотом |
| Педаль тормоза | Зелено белый | + | Коса к блоку. (либо на лягушке) |
| Ручник | Черно красный | — | Горизонтальный жгут за бардачком |
| Тахометр | Черно оранжевый | Катушка зажигания | |
| Контроль двигателя | Форсунка | ||
| Бензонасос | Зелено оранжевый | + | Правый порог |
| CAN — L | Синий | Блок предохранителей, маленький красный разъем | |
| CAN — H | Серый |
Разборка салона, расположение проводов и блоков оборудования.
Для доступа к блоку предохранителей снимаем мягкую защиту. Для чего надо открутить 2 пластиковые гайки. Затем поворачиваем 2 клипсы крепления блока и опускаем его.
Снимаем левую часть подторпедника и обшивку рулевой колонки.
Место установки сирены, концевика капота и датчика температуры.
Провод под капот можно протянуть по штатной косе.
Подключение сигнализации
Подключаем массу, поворотники, педаль тормоза и CAN-шины.
Подключаем силовые цепи автозапуска — зажигание, аксессуары, стартер и питание сигнализации.
Хакаем CAN шину авто. Виртуальная панель приборов
В первой статье «Хакаем CAN шину авто для голосового управления» я подключался непосредственно к CAN шине Comfort в двери своего авто и исследовал пролетающий траффик, это позволило определить команды управления стеклоподъемниками, центральным замком и др.
В этой статье я расскажу как собрать свою уникальную виртуальную или цифровую панель приборов и получить данные с любых датчиков в автомобилях группы VAG (Volkswagen, Audi, Seat, Skoda).
Мною был собран новый CAN сниффер и CAN шилд для Raspberry Pi на базе модуля MCP2515 TJA1050 Niren, полученные с их помощью данные я применил в разработке цифровой панели приборов с использованием 7″ дисплея для Raspberry Pi. Помимо простого отображения информации цифровая панель реагирует на кнопки подрулевого переключателя и другие события в машине.
В качестве фреймворка для рисования приборов отлично подошел Kivy для Python. Работает без Иксов и для вывода графики использует GL.
- CAN сниффер из Arduino Uno
- Подслушиваем запросы с помощью диагностической системы VAG-COM (VCDS)
- Разработка панели приборов на основе Raspberry Pi и 7″ дисплея
- Софт панели приборов на Python и Kivy (UI framework)
- Видео работы цифровой панели приборов на базе Raspberry Pi
CAN сниффер из Arduino Uno
Чтобы послушать, что отправляет VCDS в CAN шину я собрал сниффер на макетке из Arduino и модуля MCP2515 TJA1050 Niren.
Схема подключения следующая:
CanHackerV2 позволяет смотреть пролетающий трафик, записывать и проигрывать команды с заданным интервалом, что очень сильно помогает в анализе данных.
Подслушиваем запросы с помощью диагностической системы VAG-COM (VCDS)
Описание VCDS с официального сайта ru.ross-tech.com:
Программно-аппаратный сканер VCDS предназначен для диагностики электронных систем управления, устанавливаемых на автомобилях группы VAG. Доступ ко всем системам: двигатель, ACP, АБС, климат-контроль, кузовая электроника и т.п., считывание и стирание кодов неисправностей, вывод текущих параметров, активация, базовые установки, адаптация, кодирование и т.п.
Подключив сниффер к линиям CAN_L и CAN_H в диагностическом шнурке я смог увидеть какие запросы делает VCDS и что отвечает авто.
Особенность авто группы VAG в том, что OBD2 разъем подключен к CAN шине через шлюз и шлюз не пропускает весь гуляющий по сети трафик, т.е. подключившись в OBD2 разъем сниффером вы ничего не увидите. Чтобы получить данные в OBD2 разъёме нужно отправлять шлюзу специальные запросы. Эти запросы и ответы видно при прослушивании трафика от VCDS. Например вот так можно получить пробег.
В VCDS можно получить информацию почти с любого датчика в машине. Меня в первую очередь интересовала информация, которой вообще нет на моей приборке, это:
- температура масла
- какая именно дверь открыта
Разработка панели приборов на основе Raspberry Pi и 7″ дисплея
В качестве аппаратной части я выбрал Raspberry Pi. Была идея использовать Android планшет, но показалось, что на Raspberry Pi будет проще и быстрее. В итоге докупил официальный 7″ дисплей, и сделал CAN шилд из модуля TJA1050 Niren.
OBD2 штекер использовал от старого ELM327 адаптера.
Используются контакты: CAN_L, CAN_H, +12, GND.
Тесты в машине прошли успешно и теперь нужно было все собрать. Плату дисплея, Raspberry Pi и блок питания разместил на куске черного пластика, очень удачно подобрал пластмассовые втулки, с ними ничего не болтается и надежно закреплено.
Местом установки выбрал бардачок на торпедо, которым я не пользуюсь. По примеркам в него как раз помещается весь бутерброд.
Напильником довел лист черного пластика до размера крышки бардачка, к нему прикрепил бутерброд и дисплей. Для прототипа сойдет, а 3D модель с крышкой для дисплея и всеми нужными крепежами уже в разработке.
Софт панели приборов на Python и Kivy (UI framework)
Параллельно со сборкой самой панели приборов я вел разработку приложения для отображения информации с датчиков. В самом начале я не планировал какой либо дизайн.
Первая версия панели приборов
По мере разработки решил визуализировать данные более наглядно. Хотел гоночный дизайн, а получилось, что-то в стиле 80-х.
Вторая версия панели приборов
Продолжив поиски более современного дизайна я обратил внимание какие цифровые приборки делают автопроизводители и постарался сделать что-то похожее.
Третья версия панели приборов
Ранее, я никогда не разрабатывал графические приложения под Linux поэтому не знал с чего начать. Вариант на вебе простой в разработке, но слишком много лишних компонентов: иксы, браузер, nodejs, хотелось быстрой загрузки. Попробовав Qt PySide2 я понял, что это займет у меня много времени, т.к. мало опыта. Остановился на Kivy — графический фреймворк для Python, простой в понимании с полной библиотекой графических элементов и дающий возможность быстро создать мобильный интерфейс.
Kivy позволяет запускать приложение без Иксов, прямо из консоли, в качестве рендера используется OpenGL. Благодаря этому полная загрузка системы может происходить за 10 секунд.
Алгоритм работы следующий, используется 3 потока:
- В главном потоке работаем с графическими элементы (спидометр, тахометр, часы, температуры и др) на экране
- Во втором потоке каждые 5 мс делаем опрос следующего датчика
- В третьем потоке слушаем CAN шину, получив ответ парсим его и обновляем соответствующий графический элемент
Проект цифровой панель приборов открытый. Рад буду предложениям и комментариям!
Точки подключения авто сигнализации на Форд Фокус 2
Точки подключения авто сигнализации на Форд Фокус 2
Инструкция по установке сигнализации на Форд Фокус 2 — 2006 г.в. с автозапуском своими руками.
Почти все подключения можно произвести на блоке предохранителей в салоне за бардачком и замке зажигания в случае с автозапуском. В Ford Focus 2 есть возможность установить сигнализацию с использованием CAN шины либо по аналоговой схеме.
CAN — шина управляет и принимает сигналы:
- Концевики
- Стояночный тормоз
- Контроль работы двигателя по тахометру
- Центральный замок
- Комфорт
В некоторых машинах ЦЗ можно подключить в разъемах дверей — зелено черный и сине черный. Центральный замок управляется минусом. При поиске закройте все двери, иначе замки не будут закрываться. Концевики дверей — положительные. Искать лучше вольтметром, пробник не всегда там показывает плюс. Контроль двигателя не рекомендуем брать с розового провода генератора — плюс не сразу появляется. Для отключения ближнего света при автозапуске, надо на выключателе габаритов перерезать тонкие зелено красный и зелено желтый провода.
О принципе работы сетевого интерфейса CAN-шина
Кан-шина в автомобиле предназначена для обеспечения подключения любых электронных устройств, которые способны передавать и получать определенную информацию. Таким образом, данные о техническом состоянии систем и управляющие сигналы проходят по витой паре в цифровом формате. Такая схема позволила снизить негативное влияние внешних электромагнитных полей и существенно увеличить скорость передачи данных по протоколу (правила, по которым блоки управления различными системами способны обмениваться информацией).
Кроме того, диагностика ЭБУ различных систем автомобиля своими руками стала проще. За счет применения подобной системы в составе бортовой сети автомобиля высвободилось определенное количество проводников, которые способны обеспечивать связь по различным протоколам, например, между блоком управления двигателем и диагностическим оборудованием, системой сигнализации. Именно наличие Кан-шины в автомобиле позволяет владельцу своими руками выявлять неисправности контроллеров и ошибки с помощью специального диагностического оборудования.
CAN-шина – это специальная сеть, с помощью которой осуществляется передача и обмен данными между различными узлами управления. Каждый из узлов состоит из микропроцессора (CPU) и CAN-контроллера, с помощью которого реализуется исполняемый протокол и обеспечивается взаимодействие с сетью автомобиля. Шина Кан имеет минимум две пары проводов – CAN_L и CAN_H, по которым и передаются сигналы посредством трансиверов – приемо-передатчиков, способных усиливать сигнал от управляющих устройств сети. Кроме того, трансиверы выполняют и такие функции как:
- регулировка скорости передачи данных посредством усиления или уменьшения подачи тока;
- ограничение тока для предотвращения повреждения датчика или замыкания линий передачи;
- тепловая защита.
Как расшифровывается ошибка U1900
На английском языке согласно расшифровке ошибок по протоколу ОБД2 название ошибки звучит «Communication BUS FAULT» — это переводится как «Ошибка связи по CAN-шине». Чтобы понять где находится причина такой ошибки, необходимо знать что такое CAN-шина в автомобиле и для чего она предназначена.
Большинство пользователей персональных компьютеров со стажем имеют представление о локальной сети. Она предназначена для объединения компьютеров пользователей в офисе (на производстве, в доме и т.д.) с целью обмена информацией.
Например, в большом магазине все кассовые терминалы, бухгалтерия, компьютеры баз данных объединены в единую сеть, чтобы в режиме реального времени контролировать склады, бухгалтерские операции, поступление средств и др. Если в магазине случится нарушение связи по локальной сети, в принципе, ни склад, ни бухгалтерия не встанут (могут продолжать работать), но их взаимодействие будет нарушено. Не будут поступать данные об остатках на складе, поступлении средств. Управление магазином будет нарушено.
Точно так же организован обмен информацией в автомобиле. Дело в том, что большинство систем автомобиля сейчас управляется отдельными микропроцессорами (в составе блоков управления). Они связаны друг с другом по CAN-шине. Данные, например, о скорости автомобиля блок АБС и приборная панель получают не по отдельному проводу, а в составе потокового цифрового сигнала, передающегося по CAN-шине. Так идет обмен информации по всему автомобилю.
Принцип передачи введен еще в прошлом веке. При этом применяется симметричная «скрутка» (два провода, скрученные в единый жгут). Несмотря на простоту, такая система показала отличные результаты в плане скорости передачи данных и помехозащищенности. Схематически CAN-шину можно изобразить так.
Автоэлектрики, в основном, используют свой опыт, советы коллег, перебирают все блоки, начиная от главного монтажного, затем приборную панель, блок управления двигателем, АБС и далее по схеме.
Прибор работает по стандартному принципу сканеров. Модуль принимает входящую информацию из электронного блока питания. ЭБУ формирует пакет данных, отправляет на интерфейс ELM. Декодирования информации осуществляется непосредственно в приборе.
Для правильного транслирования пакетов, предусмотрены протоколы OBD2. Каждая модель имеет собственный стандарт обмена. Они отличаются набором команд, алгоритмом модуляции и главное – строением информационного пакета.
Существует пять стандартов обмена данными по линии связи:
- SAE J1850 PWM;
- SAE J1850 VPW;
- ISO 9141-2;
- ISO 14230-4 (Keyword Protocol 2000);
- ISO 15765 CAN.
Каждый отличается годом применения, а также структурой информационного пакет. Автомобили Форд преимущественно используют несколько стандартов:
- CAN – в новых моделях, начиная с 2002;
- ISO 9141-2 – варианты Ford 1996, 2003 годов;
- PWM – ранние выпуски.
Зависимо от протокола, электронный блок поддерживает конкретные режимы диагностики.
Выберите модель авто и год выпуска, чтобы определить какие режимы диагностики через адаптер ELM327 поддерживает ваш автомобиль, а так же на каком протоколе базируется OBD2 порт. Данные предсталвны на следующие марки и их модификации: B-Max, Ba Falcon, C-Max, C-Max II, Contour, Cougar, Ecosport, Ecosport 2, Escape, Escape 2, Escape 3, Escort, Everest, Expedition, Expedition 2, Expedition 3, Explorer, F150, F250, FPV GT-P, Fairmont, Falcon, Fiesta, Fiesta 7, Focus, Focus 3, Fusion, Fusion (US), Galaxy, Galaxy II, Ka, Kuga, M350, Mercury, Mondeo, Mondeo 3, Mondeo 4, Mustang 4, Mustang 5, Mustang 6, Probe GT, Puma, Ranger, Ranger (T6), S-Max, Territory, Tourneo Connect, Transit, Transit Courier, Trend, Windstar.
Точки подключения автосигнализации на Ford Focus 2006-2009
На замке зажигания берём силовые провода.
12 Вольт — красный
Зажигание — зелёно/жёлтый
Стартер — серо/красный
АСС — жёлтый
К габаритам подключаемся на переключателе света к оранжево/чёрному (в некоторых к оранжево/жёлтому) проводу (положительная полярность)
Бензонасос можно найти в правом пороге — зелёно/оранжевый.
Стоп — зел/белый на «лягушке» педали тормоза.
Управление центральным замком и концевики дверей берём на блоке предохранителей снизу в ногах пассажира. (В некоторых авто цз берётся в двери водителя — зел/ч и син/ч).
ЦЗ (управляется минусом) — чёрно/оранжевый и чёрно/зелёный в оранжевом разъёме. Когда будете искать — закройте все двери, иначе замки не будут закрываться.
Концевики дверей (положительные) — ч/ж (водительский), ч/ор (задний левый), ч/з (задний правый) и ч/син (передний правый) в том же оранжевом разъёме, где и цз. Ищите вольтметром, а не пробником. Пробник не покажет «плюс» при открытии двери (во всяком случае лампочный).
Концевик багажника там же, где все остальные и тоже положительный — ч/кр.
Если есть концевик капота на авто, то можно взять его в соседнем синем разъёме — ч/ж. Он, кстати, тоже положительный.
Для контроля двигателя лучше взять сигнал с форсунки (любой). Правый провод по ходу движения.
Можно попробовать зарядку — розовый провод на генераторе. Но на этом проводе 12 вольт долго появляется. Поэтому, часто некорректно работает автозапуск. По шумам (или напряжению) работает, но при полностью включённой печке (мотор на максимум) опять же некорректно (в случае с шерханами — 100 % не правильно работает).
Если при включении зажигания включается ближний свет, то (чтобы этого не было) на выключателе габаритов перерезать з/кр тонкий и з/ж тонкий.
В некоторых автомобилях ошибка U1900 проявляется очень часто. Классическим примером является автомобиль Форд Фокус 2. Автолюбители и электрики давно обнаружили слабое место, которое приводит к такой ошибке. Это пропайка разъема на приборной панели.
Оригинальный ODB2 сканер Scan Tool Pro Black Edition
Выполнив подключение вы сможете:
- Считывать коды ошибок и стирать их с ЭБУ.
- Вести журнал поездок и расхода топлива.
- Отображать в режиме реального времени:
- обороты двигателя;
- скорость автомобиля;
- давление масла;
- температуру охлаждающей жидкости;
- показания со всех имеющихся датчиков;
- и многое другое!
Сканер совместим с устройствами на базе iOS, Android, Windows
Видео — частая ошибка U1900 Форд Фокус 2 и как её устранить:
Там образуется эффект, называемый «холодная пайка». Пайка на первый взгляд нормальная, но контакт отсутствует или периодически пропадает. Для ремонта надо разобрать панель.
Далее необходимо пропаять все контакты разъема на печатной плате.
Чтобы не паять абсолютно все контакты (при этом можно нарушить еще что-нибудь), можно по схеме найти, какие именно контакты разъема пропаивать.
Как видно на схеме, это контакты 17 и 18 разъема приборной панели. К ним подходят провода CAN-H (высокий уровень) и CAN-L (низкий уровень). Эта шина идет и к другим блокам управления автомобиля. По схеме можно расшифровать цвет этих проводов. Они будут серо-красного и голубо-красного цвета. Такого-же цвета будет скрутка, идущая по всему автомобилю. Это и есть CAN-шина. Она имеет свой собственный разъем на монтажном блоке.
Приблизительно также следует исправлять ошибку U1900 и на других автомобилях.
Основные симптомы появления ошибки IC U1900-60
Симптомы этих неисправностей малоприятны, а их возникновение никак не зависит от года выпуска, комплектации, типа двигателя:
Код u1900 на диагностике.
При сканировании ошибок компьютер выдаёт одну из перечисленных выше ошибок, а это значит, что пора исправлять ошибку IC U1900-60 своими руками, если машина уже не на гарантии. В дилерском центре за работу и диагностику возьмут приличную сумму, к тому же навяжут замену свечей, электронной педали акселератора, модуля бензонасоса, словом, будут проталкивать залежалый товар подороже. Поэтому разбираться будем сами.
Что такое CAN-шина
Электронный КАН-интерфейс в авто представляет собой сеть контроллеров, использующихся для объединения всех управляющих модулей в единую систему.
Данный интерфейс представляет собой колодку, с которой можно соединять посредством проводов блоки:
- противоугонного комплекса, оборудованного функцией автозапуска либо без нее;
- системы управления мотором машины;
- антиблокировочного узла;
- системы безопасности, в частности, подушек;
- управления автоматической коробкой передач;
- контрольного щитка и т. д.
Устройство и где находится шина
Конструктивно CAN-шина представляет собой блок, выполненный в пластиковом корпусе, либо разъем для подсоединения кабелей. Цифровой интерфейс состоит из нескольких проводников, которые называются CAN. Для подключения блоков и устройств используется один кабель.
Место монтажа устройства зависит от модели транспортного средства. Обычно этот нюанс указывается в сервисном руководстве. СAN-шина устанавливается в салоне автомобиля, под контрольным щитком, иногда может располагаться в подкапотном пространстве.
Как работает?
Длина идентификатора CAN-шины может составить 11 либо 29 бит.
Каждый передатчик информации одновременно выполняет считывание данных, передающихся в интерфейс. Устройство с более низким приоритетом должно отпустить шину, поскольку доминантный уровень с высоким показателем искажает его передачу. Одновременно пакет с повышенным значением остается нетронутым. Передатчик, который потерял связь, спустя определенное время ее восстанавливает.
Интерфейс, подключенный к сигналке или модулю автоматического запуска, может функционировать в разных режимах:
- Фоновый, который называется спящим или автономным. Когда он запущен, все основные системы машины отключены. Но при этом на цифровой интерфейс поступает питание от электросети. Величина напряжения минимальная, что позволяет предотвратить разряд аккумуляторной батареи.
- Режим запуска или пробуждения. Он начинает функционировать, когда водитель вставляет ключ в замок и проворачивает его для активации зажигания. Если машина оборудована кнопкой Старт/Стоп, это происходит при ее нажатии. Выполняется активация опции стабилизации напряжения. Питание подается на контроллеры и датчики.
- Активный. При активации этого режима процедура обмена данными осуществляется между регуляторами и исполнительными устройствами. Параметр напряжения в цепи увеличивается, поскольку интерфейс может потреблять до 85 мА тока.
- Деактивация или засыпание. Когда силовой агрегат останавливается, все системы и узлы, подключенные к шине CAN, перестают функционировать. Выполняется их деактивация от электрической сети транспортного средства.
Характеристики
Технические свойства цифрового интерфейса:
- общее значение скорости передачи информации составляет около 1 Мб/с;
- при отправке данных между блоками управления различными системами этот показатель уменьшается до 500 кб/с;
- скорость передачи информации в интерфейсе типа «Комфорт» — всегда 100 кб/с.
Канал «Электротехника и электроника для программистов» рассказал о принципе отправки пакетных данных, а также о характеристиках цифровых адаптеров.
U1900, что это за ошибка на Форд Фокус 2?
При повреждении высокоскоростной шины компьютер может выдать ошибку U0001-Е1.
Основные симптомы появления ошибки IC U1900-60
Симптомы этих неисправностей малоприятны, а их возникновение никак не зависит от года выпуска, комплектации, типа двигателя:
Код u1900 на диагностике.
При сканировании ошибок компьютер выдаёт одну из перечисленных выше ошибок, а это значит, что пора исправлять ошибку IC U1900-60 своими руками, если машина уже не на гарантии. В дилерском центре за работу и диагностику возьмут приличную сумму, к тому же навяжут замену свечей, электронной педали акселератора, модуля бензонасоса, словом, будут проталкивать залежалый товар подороже. Поэтому разбираться будем сами.
Как правило, сброс ошибок бортового компьютера и снятие клеммы с АКБ ничего толком не даёт. Ошибка может исчезнуть на какое-то время, но появится снова. От режима самотестирования приборной панели тоже толку мало — тест пройдёт успешно, если в этот момент шина CAN будет работать нормально. Единственный выход — пропайка контактов на плате приборного щитка.
Вот контакты, которые нужно пропаять:
Чтобы до них добраться, необходимо снять и полностью разобрать приборку. Делаем это так:
- Перемещаем рулевую колонку максимально на водителя и вниз.
- Снимаем пластиковые накладки под рулём и откручиваем два самореза.
- Откручиваем два самореза под шкалами тахометра и спидометра.
- Оттягивая козырёк вверх, поддеваем приборку сверху и освобождаем фиксатор.
- Вынимаем панель на себя и отключаем клеммную колодку.
Снимаем информационное табло.
Снимаем декоративную накладку, аккуратно снимаем стрелки и получаем доступ к плате. Вот как она выглядит.
Видео с проявлением ошибки U1900
Выводы
Таким образом, в 99% случаев ошибка U1900 пропадает навсегда. Удачного ремонта и стабильной работы электроники!
Схема кан шины форд фокус 2
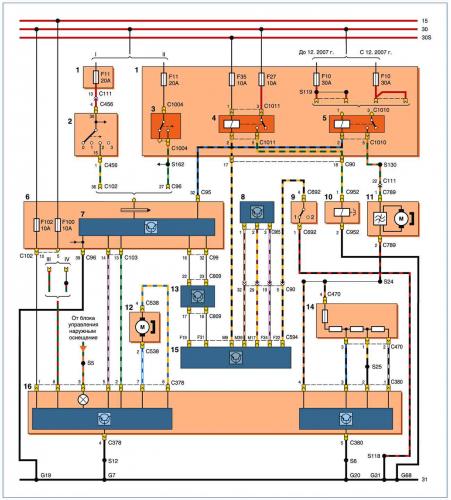
СХЕМА СОЕДИНЕНИЙ СИСТЕМЫ ОТОПЛЕНИЯ И ВЕНТИЛЯЦИИ
Схема соединений системы отопления и вентиляции: I — не оборудованным системой запуска двигателя без ключа; II — с системой запуска двигателя без ключа; 1 — монтажный блок в моторном отсеке; 2 — выключатель зажигания; 3 — реле зажигания; 4 — реле вентилятора отопителя; 5 — монтажный блок в салоне; 6 — блок управления электропакетом; 7 — электродвигатель отопителя; 8 — электропривод заслонки рециркуляции; 9 — комбинация приборов; 10 — дополнительный резистор вентилятора отопителя; 11 — ЭБУ; 12 — блок управления системой отопления и вентиляции
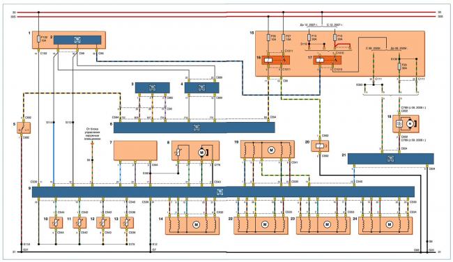
СХЕМА СОЕДИНЕНИЙ СИСТЕМЫ КОНДИЦИОНИРОВАНИЯ
Схема соединений системы кондиционирования: I — не оборудованного системой запуска двигателя без ключа; II — с системой запуска двигателя без ключа; III — без обогрева ветрового стекла; IV — с обогревом ветрового стекла; 1 — монтажный блок в моторном отсеке; 2 — выключатель зажигания; 3 — реле зажигания; 4 — реле компрессора кондиционера; 5 — реле вентилятора отопителя; 6 — монтажный блок в салоне; 7 — блок управления электропакетом; 8 — датчик давления хладагента; 9 — датчик низкого давления хладагента; 10 — муфта компрессора кондиционера; 11 — электродвигатель отопителя; 12 — электропривод заслонки рециркуляции; 13 — комбинация приборов; 14 — дополнительный резистор отопителя; 15 — ЭБУ; 16 — блок управления отоплением, вентиляцией и кондиционированием
СХЕМА СОЕДИНЕНИЙ СИСТЕМЫ КОНДИЦИОНИРОВАНИЯ С АВТОМАТИЧЕСКИМ УПРАВЛЕНИЕМ (КЛИМАТ-КОНТРОЛЬ)
Схема соединений системы кондиционирования с автоматическим управлением (климат-контроль): 1 — монтажный блок в салоне; 2 — блок управления электропакетом; 3 — датчик давления хладагента; 4 — комбинация приборов; 5 — датчик низкого давления хладагента; 6 — ЭБУ; 7 — датчик освещенности на ветровом стекле; 8 — датчик температуры воздуха в салоне; 9 — блок автоматического управления кондиционером; 10 — датчик температуры воздуха подаваемого в ноги водителя; 11 — датчик температуры воздуха подаваемого в левые дефлекторы; 12 — датчик температуры воздуха подаваемого в правые дефлекторы; 13 — датчик температуры воздуха подаваемого в ноги пассажира; 14 — электропривод заслонки обдува ветрового стекла; 15 — монтажный блок в моторном отсеке; 16 — реле компрессора кондиционера; 17 — реле электродвигателя отопителя; 18 — электродвигатель отопителя; 19 — электропривод заслонки рециркуляции; 20 — муфта компрессора кондиционера; 21 — блок управления электродвигателем отопителя; 22 — электропривод заслонки подачи воздуха к дефлекторам панели приборов и к ногам водителя и пассажиров; 23 — электропривод левой заслонки регулирования температуры; 24 — электропривод правой заслонки регулирования температуры
СХЕМА СОЕДИНЕНИЯ АУДИОСИСТЕМЫ
Схема соединений аудиосистемы: I — без CD-чейнджера; II — с CD-чейнджером; 1 — монтажный блок в салоне; 2 — блок управления электропакетом; 3 — CD-чейнджер; 4 — комбинация приборов; 5 — антенна; 6 — головное устройство звуковоспроизведения; 7 — консоль управления головным устройством звуковоспроизведения; 8 — левый передний динамик; 9 — левый задний динамик; 10 — правый передний динамик; 11 — правый задний динамик; 12 — левый передний высокочастотный динамик; 13 — левый задний высокочастотный динамик; 14 — правый передний высокочастотный динамик; 15 — правый задний высокочастотный динамик
* трехдверный хэтчбек ** седан, пятидверный хэтчбек
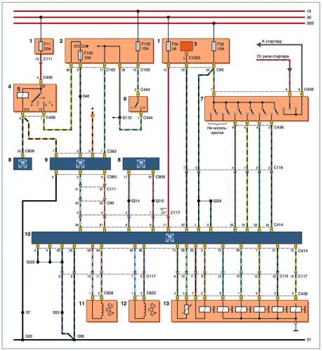
СХЕМА ЭЛЕКТРОННОЙ СИСТЕМЫ УПРАВЛЕНИЯ АВТОМАТИЧЕСКОЙ ТРАНСМИССИЕЙ
Схема электронной системы управления автоматической трансмиссией: 1 — монтажный блок в моторном отсеке; 2 — монтажный блок в салоне; 3 — реле света заднего хода; 4 — выключатель зажигания; 5 — электромагнит блокировки ключа зажигания; 6 — выключатель сигналов торможения; 7 — датчик положения рычага селектора АКП; 8 — комбинация приборов; 9 — блок управления ручным режимом рычага селектора; 10 — блок управления АКП; 11 — датчик частоты вращения первичного вала; 12 — датчик частоты вращения вторичного вала; 13 — клапанный механизм АКП
* от блока управления наружным освещением ** до 08.2009г. *** с 08.2009г.
Распиновка кан шины панели приборов форд фокус 2 рестайлинг
Распиновка приборной панели Форд Фокус 2 необходима при подключении нового электрооборудования или неисправностях электрооборудования. Представлены они обычно на специализированных форумах – всё же большинство автолюбителей предпочитают доверять такую тонкую работу профессионалам.
«Распиновка» — термин, который можно назвать слэнговым. Распиновка – это схема подключения приборной панели.
Распространенные неисправности
К основным неисправностям приборной панели относятся:
- Не загораются лампочки приборной панели.
- Появляются ошибки на приборной панели.
- Не работает спидометр.
Самодиагностика
Чтобы провести самодиагностику неисправностей автомобиля, нужно:
- Включить зажигание.
- На несколько секунд зажать кнопку, которая сбрасывает дневной пробег.
- Продолжая зажимать кнопку, повернуть ключ во второе положение.
- После возникновения слова Test отпустить кнопку.
После самодиагностики автомобиль выдаст коды ошибок.
Коды ошибок
Все существующие коды ошибок обычно делят на четыре больших группы:
- Ошибки датчиков автомобиля.
- Неисправности силового агрегата.
- Неисправности в электрической цепи.
- Прочие ошибки.
Коды конкретных ошибок можно найти в Интернете.
Стоит отметить, что доверять кодам ошибок на сто процентов не стоит, а для точной диагностики нужно обратиться к специалисту.
Где найти распиновку?
Целиком распиновку приборной панели можно найти в сервисах официальных дилеров. Обычно это достаточно объемное руководство, выдержки из которого частично присутствуют в Интернете. Браться самостоятельно за ремонт приборной панели – дело довольно рискованное, так как на Фордах приборные панели являются не только средством отображения информации, но и принимают непосредственное участие в организации цифровых шин автомобиля.
Фокус 2 рестайлинг
Распиновка панели рестайлинговой версии автомобиля отличается от дорестайла, поэтому, если вы решитесь на самостоятельный ремонт, важно найти правильную распиновку.
Сколько стоит?
Стоимость новой приборной панели Форд Фокус 2 составляет около 35 000 рублей. Учитывая стоимость замены, важно тщательно изучить причины неисправности панели на предмет возможности ремонта. Ремонт приборной панели современных автомобилей лучше доверить профессионалам ввиду сложности электроники.
Сейчас пройдем по шаговую инструкцию
В один из обычных о будних дней утром как сигнализации, а чуть позже запустил и двигатель также все температура в рабочей зоне, в салоне тепло, поехал.
Подъезжая домой ; стал показывать на неисправность двигателя, доехал до ближайшего электрика по авто- и он проверил на стенде бортовой и пришел к выводу что нужно поменять панель приборов, или отремонтировать.
Второе это контакты мониторов.При сборке корпуса и платы контакты мониторов (которые на корпусе) должны точно попасть в гнёзда на плате.В моём случае они гнулись, мониторы не работали, машина не заводилась.
Пришлось снять мониторы с корпуса, вставить корпус, а уже потом вставить мониторы направляя их контакты в гнёзда.С этом всё.
Дальше сама пайка. После разборке с помощью лупы можно увидеть трещины на заводской.
отсоединяем клемму АКБ
Признаки неисправности
Однако через пару дней снова здорова, и теперь я попробовал проверить как это разгон уменьшен если двигатель работает так же ровно без сбоев и посторонних звуков — и ведь действительно машина не едет совсем.
Теперь то я понял что где то замыкает, то надо что то с ним решать, так дело не пойдет. Начал искать похожие проблемы на профильном форуме. Выяснилось что такая болезнь присутствует у многих Владельцев .
Дело в том что на заводе похоже просто пожалели количество припоя при сборке платы приборной доски. много информации о том, что такую проблему нетрудно устранить, вот и я решился.
Приборку мне довелось разбирать еще не каково имелся. Нужны какой не будь вот она водила нас заблуждению по выдаваемой информации на причина неисправности двигателя
Первая; на что оборотить внимание! Когда панель показывает разгон уменьшен
Приборная панель Форд ! Показывает не исправность требуется ремонт но для начало нужно найти причину,
по первой цифре номера цепи можно получить ещё некоторую информацию вот из этой таблицы (источник):
В модуле системы обмена данных ( в системе шины данных) модули различных систем соединены друг с другом через один или несколько проводов.
Система шины данных существует для того, чтобы передавать данные между присоединенными модулями, а также между присоединенными модулями иобщей системой диагностики (WDS ).
Вместо простых команд ВКЛ/ВЫКЛ в системе шины данных предаются комплектные блоки данных. Такие блоки данных содержат наряду с собственно информацией также данные об адресах модулей, к которым производится обращение, размер блока, а также информацию для контроля содержания каждого отдельного блока данных.
Системы шин данных дают следующие преимущества:
простой обмен данными между модулями посредством стандартизированного протокола
меньшее число датчиков и разъемов
возможность улучшения диагностики
более низкую стоимость
Через стандартный 16-полюсный разъем (DLC) WDS (соединяется) с различными системами шин данных и питанием. Через DLC сигнал передается при программировании модуля.
Если у системы шин данных обрываются один или несколько проводов или имеет место короткое замыкание на массу или появляется напряжение, связь между модулями и с ( WDS ) нарушается или исчезает полностью.
Чтобы восстановить связь между собой, модули отдельных систем должны общаться на одном языке. Такой язык называется протоколом.
Компания Ford в настоящее время применяет четыре различных системы шин данных. В зависимости от модели автомобиля и его оборудования применяются все три системы. Каждая из систем шин данных имеет свой собственный протокол.
Системы шин данных:
шина Standard Corporate Protocol (SCP). Эта шина имеет два витых провода. Шина служит для связи между прибора управления силовым агрегатом (PCM) и (WDS) через DLC. Для программирования PCM в зависимости от марки двигателя и года его выпуска применяется третий кабель, ACP-шина. Эта шина применяется исключительно вместе с SCP-шиной.
шина стандарта ISO 9141 Международной организации по стандартизации. Эта шина состоит из отдельного провода и служит исключительно для связи между модулями и WDS. Через шину стандарта ISO 9141 считываются данные различных накопителей неисправностей.
Шина LIN (Local Interconnect Network) является стандартом экономичной связи между интеллектуальными датчиками и исполнительными устройствами автомобиля. подсеть управляющих устройств (LIN) повсеместно применяется там, где не требуется диапазон и универсальность шины CAN. Спецификация LIN содержит в себе протокол LIN – единый формат для описания общей сети LIN и интерфейс между LIN и приложением. LIN состоит из задающего модуля LIN и одного или нескольких исполнительных модулей LIN. Для управления доступом к шине LIN использует принцип “Задающий модуль-Исполнительный модуль (Master-Slave)”. Решающее преимущество этого принципа заключается в том, что в исполнительном модуле для работы с шиной требуются незначительные ресурсы (производительность центрального процессора, ROM, RAM). Задающий модуль реализуется в управляющем модуле или шлюзе, которые имеют необходимые для этого ресурсы. Любая связь инициируется задающим модулем. Поэтому сообщение всегда состоит из заголовка, который создает задающий модуль, и ответа исполнительного модуля. Скорость передачи данных составляет до 20 Кбит/с. Задающее устройство LIN располагает информацией о временной последовательности всех передаваемых данных. Эти данные передаются от соответствующего исполнительного модуля LIN (например, от ультразвуковых датчиков), если их запрашивают у задающего устройства LIN. LIN является однопроводной шиной, т.е. данные передаются только по одной жиле кабеля. Обычно по этому же кабелю подается питающее напряжение. Масса питающего напряжения является одновременно массой линии передачи данных. В шине LIN не применяются нагрузочные резисторы.
Шина Controller Area Network (CAN) Эта шина состоит из двух витых проводов и работает последовательно (данные переносятся друг за другом). Шина служит для связи модулей между собой, а также для связи между модулями и WDS. Модули присоединены к шине последовательно. Здесь могут легко присоединяться новые модули, без изменения прокладки кабелей. Передаваемые данные принимаются каждым модулем, подключенным к CAN (сети управляющих устройств). Так как каждый пакет данных имеет идентификатор, в котором наряду с обозначением содержания устанавливается также приоритет сообщения, каждый модуль может определить, являются ли данные важными для самой обработки информации. Благодаря этому несколько модулей одновременно могут работать с одним пакетом данных и получать данные. При этом обеспечивается ситуация, при которой важные данные (например, от антиблокировочной системы (ABS)) направляются в первую очередь. Другие модули могут передавать данные на шину данных только в том случае, если информация пришла с высоким приоритетом.
Для обеспечения высокой помехоустойчивости на шине (CAN) установлены два нагрузочных резистора сопротивлением 120 Ом. Указанные резисторы установлены в первом модуле присоединенном к шине CAN и последнем модуле, присоединенном к шине CAN, и применяются для устранения помех, а также для снятия пиков напряжения. Для обеспечения надежной работы системы шин данных модули должны присоединяться с встроенным нагрузочным сопротивлением.
Преимуществами CAN-шины являются:
минимизация затрат на разводку кабелей.
высокая помехозащищенность (защищенность от неисправностей/отказов).
прочность.
возможность расширения.
выстраивание приоритетов информации.
низкая стоимость.
автоматическое повторение поврежденной информации.
самостоятельный контроль системы и возможность автоматического отключения поврежденных модулей от шины данных.
На автомобилях, изготовленных, начиная с модельного года 2003.75, в зависимости от модели применяется дополнительно и вторая система шин CAN. Эта шина отличается в основном только более низкой скоростью передачи данных и в настоящее время применятся в основном для комфортной электроники. Для возможности различения отдельных систем CAN систему CAN с высокой скоростью передачи данных обозначают как высокоскоростную (HS) CAN, а систему CAN с более низкой скоростью передачи данных обозначают как среднескоростную (MS) CAN. Как у всех систем шин CAN у среднескоростной шины CAN для повышения помехоустойчивости установлены два нагрузочных резистора на 120 Ом. Для осуществления связи между модулями высокоскоростной шины CAN и среднескоростной шины CAN применяется модуль с обеими системами шин данных. Связь обеих систем шин данных обозначается как gateway (шлюз). В таком gateway полученные данные преобразуются в соответствии со скоростью, необходимой для соответствующей шины данных, и передаются дальше. Таким образом достигается оптимальное распределение информации между обеими системами шин данных.
На моделях Focus CMax, а также на моделях Focus, изготовленных начиная с модельного года 2005, в зависимости от варианта оснащения применяются две системы шин передачи данных.
Количество модулей, подсоединенных к двум системам шин передачи данных CAN, зависит от варианта оснащения автомобиля.
1-компакт-диск (CD) — чейнджер
2-Автомобили, оснащенные навигационной системой с DVD и сенсорным дисплеем
3-Сенсорный дисплей
4-Панель управления аудиосистемой
5-Модуль дополнительных мобильных электронных устройств (PSE)
6-Модуль устройств пассивной безопасности заднего сиденья
7-Модуль — электронного регулирования температуры (EATC)
8-Модуль RCM
9-Многофункциональный электронный модуль (GEM)
10-Модуль передней левой двери
11-Модуль передней правой двери
12-Модуль правой задней двери — все, кроме кабриолета
13-Модуль левой задней двери — все, кроме кабриолета
14-Дополнительный отопитель, работающий на топливе/программируемый дополнительный отопитель, работающий на топливе
15-Модуль помощи при парковке.
16-Модуль системы блокировки без ключа
17-Электронный щиток приборов
18-Среднескоростная шина CAN
19-(Диагностический разъем DLC)
20-(РСМ)
21-Прибор управления КПП (TCM)
22-Модуль электрогидравлического усилителя рулевого управления (EHPS)
23-Модуль ABS или модуль электронной программы стабилизации
24-Модуль управления системой подачи топливной присадки
25-Модуль наружного освещения (LCM) — автомобили с газоразрядными лампами или автомобили с динамической системой головного освещения
26-Высокоскоростная шина CAN
27-Модуль стояночного тормоза с электронным управлением (EPB)
28-Дополнительный щиток приборов
29-Нагрузочные резисторы
30-Модуль управления складным верхом кабриолета
У автомобилей Focus CMax, а также у автомобилей Focus с MY2005 выпуска вследствие возросшего числа модулей и как следствие возросшего объема передаваемых данных применяется вторая CAN-шина (среднескоростная CAN-шина). Указанная шина работает с более низкой скоростью и служит в основном для связи в области комфортной электроники.
Для возможности обмена данными между высокоскоростной и низкоскоростной CAN-шинами применяется gateway. Шлюз служит в качестве интерфейса между обеими системами шин передачи данных CAN и установлен в электронном щитке приборов.
Модули, присоединенные к обеим системам шин данных CAN, зависят от варианта оборудования автомобиля.
В PCM и в электронном щитке приборов установлены соответственно по одному нагрузочному резистору сопротивлением 120 Ом высокоскоростной CAN-шины.
В GEM и в электронном щитке приборов установлены соответственно по одному нагрузочному резистору сопротивлением 120 Ом высокоскоростной CAN-шины.
Указанные нагрузочные сопротивления служат для защиты от помех. Для обеспечения надежной работы системы шин данных модули должны всегда присоединяться с встроенным нагрузочным сопротивлением.
Всем привет, первый пост в БЖ своей новой машины решил посветить совсем неизвестному мне модулю под названием CAN, пока готовлю другие посты из разных направлений о внесение изменений в своего фокса из-за нехватки некоторых компонентов и чтоб не плодить темы по каждой “фишечке…”
И так, поехали!
Сейчас в раздумьях о том какую поставить сигнализацию с автозапуском, т.к. доставшаяся мне Scher Khan Magicar при покупке машины, лишена такой нужной вещи в моем “арктическом” регионе. И тут я столкнулся с новыми понятиями подключения и функциональности сигнализаций, в зависимости от типа подключения
— Aналоговый
— CAN line
— 2 CAN line
У меня фокус 09′ Titanium.
Рассмотрим вопросы со стороны как пользователя сигнализации, а не установки.
1) Что же ставилось в наши фокусы, CAN или 2 CAN?
2) Что мне даст функционально, как пользователю, если мне поставят сигнализацию по CAN шине?
3) Может быть я что-то потеряю при подключении по CAN в сравнении с аналоговым типом?
4) Целесообразно ли вообще на наших машинах подключаться по CAN?
5) Что вообще сканирует CAN модуль у нас?
Благодарю за конструктивные и по факту ответы, ну и за внимание конечно!
Ford Focus Hatchback 2009, engine Gasoline 2.0 liter., 145 h. p., Front drive, Automatic — electronics
Comments 11
Если подключать не по кан шине то не будет работать штатный доводчик стекол если он есть. Для некоторых это решающий фактор.
Ну у меня с родного ключа при зажатии клавиши поднимаются стекла. Это типа на сигналку буду ставить и они автоматом поднимут если опущены стекла или надоеще чтото будет жать чтоб сига стекла проверила?
Это какраз то о чем я и говорю. Сигналка без кана потеряет эту функцию. Сигналка с каном при закрытии будет поднимать еще и стекла в зависимости на сколько стекол интерфейс, на все или на передние. С учетом того что кан модули продаются отдельно и стоят не мало денег я бы рассматривал сигналку сразу нормальную. В конце концов нормальная сигналка дает не мало плюсов. У меня старлайн а95 или 96 что-тотакое.
Да меня вот противоугонные характеристики совсем не интересуют, только автозапуск мне впринципи нужен
Тогда я бы взял Red Scorpio Premium ST. Она без кан модуля но с автозапуском и вместо батарейки акб заряжаемый от юсб. Заряда хватает на полтора месяца. Как по мне — самый лучший внешний вид брелока, не большой. Цена когда себе ставил была 5500, что тоже недорого. Ловит очень хорошо, дальше распиаренного старлайна.
Чето походу сняли ее с производства. На офф сайте цена =0, на сайтах больших цифровых магазинов нет в наличии…
а брелок и вправду необычный)
Она и и была не у всех навиду. В моем Саратове она продавалась только в БИ-БИ(auto49.ru). Поищи, если найдешь не пожалеешь. А брелок точная копия iphone 4s. )Выгядит очень дорого и в кармане удобно лежит. Свои функции выполняет на 5.
1. Стоит просто кан шина. Не 2 кан
2. Плюсы это минимум вмешательства и вандализма в штатную проводку
3. Ничего не потеряешь) иногда аналог бывает надежнее.
4. На твоё усмотрение. Если брать сигналку нормальную, а не шарик 5, то в ней уже есть поддержка кан линии. И соответственно, если есть, почему не использовать?!)
5. У нас все блоки завязаны по кан шине)
Благодарствую от души за качественный ответ по всем пунктам!
CAN подключение без условно предпочтительнее, все потому что подключение происходить без варварского вмешательство в проводку… Сигнализация с таким подключением меньше глючит и будет словно штатное оборудование автомобиля.
Вам, как пользователю, в принципе всё равно как подключена сигнализация — по CAN шине или аналогом. Выбирайте сигнализацию устойчивую к радиовзлому и имеющую необходимые вам функции.
Всем привет, вы на сайте посвященном автомобилям марки Форд! Сегодня поговорим о неисправностях электроники Форд Фокус второго поколения. Вы узнаете, что значит ошибка U1900 и как от нее избавиться.
Несмотря на то, что ЭБУ Фокусов второго поколения довольно просты и неприхотливы, нередко случаются поломки, которые заставляют понервничать своих владельцев. Так нередко сбои в работе электросети возникают по причине низкого качества проводки, плохой пайки или проблем с контактами. Неизвестно по каким причинам производитель решил сэкономить на этих материалах, возможно дело в банальном браке? Однако проблема есть и ее надо решать!
Ошибка U1900 довольно частое явление для Ford Focus 2, однако при правильном подходе и «прямых руках» эта проблема решается довольно просто. Проявляется ошибка в виде нерабочих показателей тахометра и одометра, которые, то работают, то нет, могут загораться контрольные лампы все одновременно. Также все это безобразие может сопровождаться разными надписями типа: «неисправность сист. двигателя», Check Engine или «Разгон уменьшен».
Тема эта не новая и в сети существует масса руководств по устранению данной проблемы. В большинстве случаев проблема кроется в CAN-шине и ее контактах. КАН-шина или коммуникационная шина (CAN Communication Bus) — это связующее звено, через которое происходит передача данных между различными электронными узлами по протоколу CAN. Малейшая проблема в работе этой шины фиксируется и выводится на приборную панель, кроме того происходит ряд изменений, которых нельзя не заметить, о них я писал выше.
Разрыв связи между модулями проявляется в виде следующих ошибок:
- U1900-60 — ошибка передачи данных по причине неисправности КАН-шины;
- U2200-20 — ошибка возникает в случае неисправностей одометра;
- U2510-20 — ошибка сообщает о наличии разрыва в цепи CAN-шины.
Как решить эту проблему?
Решение, как это не странно, довольно простое и под силу каждому у кого есть паяльник и маломальское понятие о том, как выполняется пайка. Все, что нужно — это пропаять проблемные контакты, которые показаны на фото ниже. Перед тем как выполнить пайку контактов CAN-шины необходимо демонтировать панель приборов и разобрать ее, как это сделать правильно вы сейчас узнаете.
Перед тем как разобрать приборку Форд Фокус 2, хочу сразу предупредить, что все работы по разборке производятся крайне ОСТОРОЖНО и МАКСИМАЛЬНО АККУРАТНО. Если что-то не поддается, значит где-то вы упустили крепеж или винт. Работать лучше в перчатках, чтобы не оставлять следов от пальцев. Помните об этом во время работы!
- Итак, приступим. Для удобства опускаем руль в крайнее нижнее положение.
- Далее демонтируем накладки за рулем и под ним. Затем откручиваем два винтика расположенных под рулем.
- После откручиваем еще два винта, которыми крепится сама приборка.
- Теперь можно попробовать достать приборную панель, для этого оттягиваем козырек, расположенный над панелью и тянем ее на себя.
- Когда панель у вас в руках, отключите питание и приступайте к процессу разборки.
- Передняя часть панели приборов снимается путем отщелкивания фиксаторов в верхней и нижней части.
- Далее необходимо снять стрелки, но перед тем как это сделать не забудьте сделать метки расположения стрелок. Для этого можно использовать мел или другой материал, который потом легко удалить без следа. Сами стрелки снимаются при помощи отвертки, аккуратно снимаем колпачок, а затем поддеваем стрелку по кругу, у основания штока на котором она сидит.
- После этого можно снять шкалу, она никак не закреплена, просто плотно лежит на своем месте. На шкале хорошо видны следы от пальцев, поэтому будьте аккуратны, работайте в перчатках.
- Теперь ничего не мешает демонтировать заднюю часть приборной панели, поэтому находим защелки и аккуратно их отщелкиваем, после чего достаем необходимую нам плату.
- После того как плата извлечена, можно приступать к пайке вышеуказанных контактов, для этого используем миниатюрный паяльник (25 Ватт), жидкий флюс и припой.
Более детально о том, как правильно разобрать и пропаять КАН-шину смотрите в этом видео:
После проведения всех мероприятий собираем панель в обратном порядке. Вот и все! В 99% случаев пайка помогает убрать все вышеперечисленные ошибки и избавиться от глюков приборки.
Спасибо за внимание и до новых встреч на Форд Мастер. Жду ваших комментариев относительно данной темы, напишите удалось ли вам решить вашу проблему и как именно. Пришлось ли вам разбирать панель и паять CAN-шину?
Точки подключения авто сигнализации на Форд Фокус 2
Точки подключения авто сигнализации на Форд Фокус 2
Инструкция по установке сигнализации на Форд Фокус 2 — 2006 г.в. с автозапуском своими руками.
Почти все подключения можно произвести на блоке предохранителей в салоне за бардачком и замке зажигания в случае с автозапуском. В Ford Focus 2 есть возможность установить сигнализацию с использованием CAN шины либо по аналоговой схеме.
CAN — шина управляет и принимает сигналы:
- Концевики
- Стояночный тормоз
- Контроль работы двигателя по тахометру
- Центральный замок
- Комфорт
В некоторых машинах ЦЗ можно подключить в разъемах дверей — зелено черный и сине черный. Центральный замок управляется минусом. При поиске закройте все двери, иначе замки не будут закрываться. Концевики дверей — положительные. Искать лучше вольтметром, пробник не всегда там показывает плюс. Контроль двигателя не рекомендуем брать с розового провода генератора — плюс не сразу появляется. Для отключения ближнего света при автозапуске, надо на выключателе габаритов перерезать тонкие зелено красный и зелено желтый провода.
Как решить эту проблему?
Решение, как это не странно, довольно простое и под силу каждому у кого есть паяльник и маломальское понятие о том, как выполняется пайка. Все, что нужно — это пропаять проблемные контакты, которые показаны на фото ниже. Перед тем как выполнить пайку контактов CAN-шины необходимо демонтировать панель приборов и разобрать ее, как это сделать правильно вы сейчас узнаете.
Перед тем как разобрать приборку Форд Фокус 2, хочу сразу предупредить, что все работы по разборке производятся крайне ОСТОРОЖНО и МАКСИМАЛЬНО АККУРАТНО. Если что-то не поддается, значит где-то вы упустили крепеж или винт. Работать лучше в перчатках, чтобы не оставлять следов от пальцев. Помните об этом во время работы!
О принципе работы сетевого интерфейса CAN-шина
Кан-шина в автомобиле предназначена для обеспечения подключения любых электронных устройств, которые способны передавать и получать определенную информацию. Таким образом, данные о техническом состоянии систем и управляющие сигналы проходят по витой паре в цифровом формате. Такая схема позволила снизить негативное влияние внешних электромагнитных полей и существенно увеличить скорость передачи данных по протоколу (правила, по которым блоки управления различными системами способны обмениваться информацией).
Кроме того, диагностика ЭБУ различных систем автомобиля своими руками стала проще. За счет применения подобной системы в составе бортовой сети автомобиля высвободилось определенное количество проводников, которые способны обеспечивать связь по различным протоколам, например, между блоком управления двигателем и диагностическим оборудованием, системой сигнализации. Именно наличие Кан-шины в автомобиле позволяет владельцу своими руками выявлять неисправности контроллеров и ошибки с помощью специального диагностического оборудования.
CAN-шина – это специальная сеть, с помощью которой осуществляется передача и обмен данными между различными узлами управления. Каждый из узлов состоит из микропроцессора (CPU) и CAN-контроллера, с помощью которого реализуется исполняемый протокол и обеспечивается взаимодействие с сетью автомобиля. Шина Кан имеет минимум две пары проводов – CAN_L и CAN_H, по которым и передаются сигналы посредством трансиверов – приемо-передатчиков, способных усиливать сигнал от управляющих устройств сети. Кроме того, трансиверы выполняют и такие функции как:
- регулировка скорости передачи данных посредством усиления или уменьшения подачи тока;
- ограничение тока для предотвращения повреждения датчика или замыкания линий передачи;
- тепловая защита.
На сегодняшний день признаны два вида трансиверов – High Speed и Fault Tolerant. Первый тип наиболее распространен и соответствует стандарту (ISO 11898-2), он позволяет передавать данные со скоростью до 1МБ в секунду. Второй тип приемопередатчиков позволяет создать энергосберегающую сеть, со скоростью передачи до 120 Кб/сек, при этом подобные передатчики не имеют чувствительности к каким-либо повреждениям на самой шине.
Как расшифровывается ошибка U1900
На английском языке согласно расшифровке ошибок по протоколу ОБД2 название ошибки звучит «Communication BUS FAULT» — это переводится как «Ошибка связи по CAN-шине». Чтобы понять где находится причина такой ошибки, необходимо знать что такое CAN-шина в автомобиле и для чего она предназначена.
Большинство пользователей персональных компьютеров со стажем имеют представление о локальной сети. Она предназначена для объединения компьютеров пользователей в офисе (на производстве, в доме и т.д.) с целью обмена информацией.
Например, в большом магазине все кассовые терминалы, бухгалтерия, компьютеры баз данных объединены в единую сеть, чтобы в режиме реального времени контролировать склады, бухгалтерские операции, поступление средств и др. Если в магазине случится нарушение связи по локальной сети, в принципе, ни склад, ни бухгалтерия не встанут (могут продолжать работать), но их взаимодействие будет нарушено. Не будут поступать данные об остатках на складе, поступлении средств. Управление магазином будет нарушено.
Точно так же организован обмен информацией в автомобиле. Дело в том, что большинство систем автомобиля сейчас управляется отдельными микропроцессорами (в составе блоков управления). Они связаны друг с другом по CAN-шине. Данные, например, о скорости автомобиля блок АБС и приборная панель получают не по отдельному проводу, а в составе потокового цифрового сигнала, передающегося по CAN-шине. Так идет обмен информации по всему автомобилю.
Принцип передачи введен еще в прошлом веке. При этом применяется симметричная «скрутка» (два провода, скрученные в единый жгут). Несмотря на простоту, такая система показала отличные результаты в плане скорости передачи данных и помехозащищенности. Схематически CAN-шину можно изобразить так.
Как устранить подобную проблему на других авто
В первую очередь необходимо найти хотя бы приблизительную схему автомобиля. Затем необходимо определить цвет проводников скрутки или найти ее обследованием электропроводки. Скрутка будет выглядеть как два проводника разного цвета, скрученные вместе.
Затем следует измерить при помощи мультиметра сопротивление между проводниками скрутки. Для этого их необходимо зачистить (лучше проколоть острой иглой). Сопротивление должно быть от нескольких десятков до пару сотен Ом. Если сопротивление близко к нулю, в схеме есть короткое замыкание или неисправен какой-то блок управления. Очень часто виновником является блок АБС. Его можно отключить, затем снова удалить ошибки и продиагностировать автомобиль.
Часто после удаления ошибок (не устранения) ошибка U1900 на время исчезает, затем появляется вновь. Это признак плохого контакта.
В этом случае следует отключить аккумуляторную батарею. Затем необходимо отключить все разъемы блоков, к которым подходит CAN-шина, обработать их специальным составом (можно силиконовым спреем), соединить контакты вновь, надеть клеммы аккумуляторной батареи. На СТО для контроля сигнала, передаваемого по шине, используется осциллограф.
Предпоследним этапом ремонтных работ является визуальное обследование всех жгутов, где проходит CAN-шина. Возможно, есть перебитые провода или разрушенная коррозией проводка.
На последнем этапе поочередно отключают все блоки, проводят компьютерную диагностику. Если ошибка исчезнет, причину неисправности следует искать в этом блоке.
Ошибка U1900 является миной замедленного действия. Ее последствия проявляются не сразу, с ней можно проездить очень долго. Такая ошибка может быть причиной нештатного срабатывания автосигнализации. В один неподходящий момент U1900 может привести к более серьезным последствиям — поэтому рекомендуется не откладывать решение данной проблемы на «потом».
Видео — как снять приборную панель и устранить ошибку U1900 на Форд Фокус 2:
Сканер для самостоятельной диагностики автомобиля
Как быстро избавиться от царапин на кузове авто
Как проверить Б/У авто перед покупкой
Как оформить полис ОСАГО онлайн за 7 минут
Точки подключения автосигнализации на Ford Focus 2006-2009
На замке зажигания берём силовые провода. 12 Вольт — красный Зажигание — зелёно/жёлтый Стартер — серо/красный АСС — жёлтый
К габаритам подключаемся на переключателе света к оранжево/чёрному (в некоторых к оранжево/жёлтому) проводу (положительная полярность)
Бензонасос можно найти в правом пороге — зелёно/оранжевый.
Стоп — зел/белый на «лягушке» педали тормоза.
Управление центральным замком и концевики дверей берём на блоке предохранителей снизу в ногах пассажира. (В некоторых авто цз берётся в двери водителя — зел/ч и син/ч). ЦЗ (управляется минусом) — чёрно/оранжевый и чёрно/зелёный в оранжевом разъёме. Когда будете искать — закройте все двери, иначе замки не будут закрываться. Концевики дверей (положительные) — ч/ж (водительский), ч/ор (задний левый), ч/з (задний правый) и ч/син (передний правый) в том же оранжевом разъёме, где и цз. Ищите вольтметром, а не пробником. Пробник не покажет «плюс» при открытии двери (во всяком случае лампочный). Концевик багажника там же, где все остальные и тоже положительный — ч/кр.
Если есть концевик капота на авто, то можно взять его в соседнем синем разъёме — ч/ж. Он, кстати, тоже положительный.
Для контроля двигателя лучше взять сигнал с форсунки (любой). Правый провод по ходу движения. Можно попробовать зарядку — розовый провод на генераторе. Но на этом проводе 12 вольт долго появляется. Поэтому, часто некорректно работает автозапуск. По шумам (или напряжению) работает, но при полностью включённой печке (мотор на максимум) опять же некорректно (в случае с шерханами — 100 % не правильно работает).
Если при включении зажигания включается ближний свет, то (чтобы этого не было) на выключателе габаритов перерезать з/кр тонкий и з/ж тонкий.
Точки подключения
| Цепь | Цвет провода | Полярность | Расположение |
| Масса | Черный | — | Блок предохранителей, нижний разъем |
| Питание +12 | Красный толстый | + | Блок предохранителей, зеленый разъем |
| Красный | + | Замок зажигания | |
| Зажигание 1 | Зелено белый | + | Блок предохранителей |
| Зелено желтый | + | Замок зажигания | |
| Аксессуары (АСС) | Желтый | + | Замок зажигания |
| Стартер | Серо черный | + | Горизонтальный жгут за бардачком (его же можно использовать для блокировки стартера) |
| Серо красный | + | Замок зажигания | |
| Габариты | Оранжево черный (,Бывает оранжево желтый) | + | Переключатель света |
| Поворотники 1 | Синий (где-то сине белый) | + | Блок предохранителей, зеленый разъем |
| Поворотники 2 | Сине красный | + | Блок предохранителей, зеленый разъем |
| Ц.З. (открыть) | Черно оранжевый | — | Блок предохранителей, оранжевый маленький разъем. |
| Ц.З. (закрыть) | Черно зеленый | — | |
| Концевик багажник | Черно красный | + | |
| Концевик двери водителя | Черно оранжевый | + | |
| Концевик передней правой двери | Черно синий | + | |
| Концевик задней левой двери | Черно желтый | + | |
| Концевик задней правой двери | Черно зеленый | + | |
| Открытие багажника | Черно желтый | — | |
| Концевик капота (если нет, ставим свой) | Черно желтый | + | Блок предохранитлей синий разъем. |
| Блокировка в салоне 1 | Зелено фиолетовый | + | Блок предохранителей |
| Блокировка под капотом | Зелено фиолетовый | + | Блок предохранителей под капотом |
| Педаль тормоза | Зелено белый | + | Коса к блоку. (либо на лягушке) |
| Ручник | Черно красный | — | Горизонтальный жгут за бардачком |
| Тахометр | Черно оранжевый | Катушка зажигания | |
| Контроль двигателя | Форсунка | ||
| Бензонасос | Зелено оранжевый | + | Правый порог |
| CAN — L | Синий | Блок предохранителей, маленький красный разъем | |
| CAN — H | Серый |
Основные симптомы появления ошибки IC U1900-60
Симптомы этих неисправностей малоприятны, а их возникновение никак не зависит от года выпуска, комплектации, типа двигателя:
- глючит приборный щиток, загораются все контрольные лампы одновременно;
- стрелка тахометра внезапно падает на ноль, дёргается, некорректно показывает количество оборотов;
- стрелка спидометра падает на ноль;
- одометр не считает пробег;
- двигатель продолжает работать, но при этом на дисплее возникает сообщение о том, что интенсивность разгона уменьшена;
- растёт температура охлаждающей жидкости;
- периодически загорается лампа Check Engine.
Код u1900 на диагностике.
При сканировании ошибок компьютер выдаёт одну из перечисленных выше ошибок, а это значит, что пора исправлять ошибку IC U1900-60 своими руками, если машина уже не на гарантии. В дилерском центре за работу и диагностику возьмут приличную сумму, к тому же навяжут замену свечей, электронной педали акселератора, модуля бензонасоса, словом, будут проталкивать залежалый товар подороже. Поэтому разбираться будем сами.
Что такое CAN-шина
Электронный КАН-интерфейс в авто представляет собой сеть контроллеров, использующихся для объединения всех управляющих модулей в единую систему.
Данный интерфейс представляет собой колодку, с которой можно соединять посредством проводов блоки:
- противоугонного комплекса, оборудованного функцией автозапуска либо без нее;
- системы управления мотором машины;
- антиблокировочного узла;
- системы безопасности, в частности, подушек;
- управления автоматической коробкой передач;
- контрольного щитка и т. д.
Устройство и где находится шина
Конструктивно CAN-шина представляет собой блок, выполненный в пластиковом корпусе, либо разъем для подсоединения кабелей. Цифровой интерфейс состоит из нескольких проводников, которые называются CAN. Для подключения блоков и устройств используется один кабель.
Место монтажа устройства зависит от модели транспортного средства. Обычно этот нюанс указывается в сервисном руководстве. СAN-шина устанавливается в салоне автомобиля, под контрольным щитком, иногда может располагаться в подкапотном пространстве.
Как работает?
Принцип работы автоматической системы заключается в передаче закодированных сообщений. В каждом из них имеется специальный идентификатор, являющийся уникальным. К примеру, «температура силового агрегата составляет 100 градусов» или «скорость движения машины 60 км/ч». При передаче сообщений все электронные модули будут получать соответствующую информацию, которая проверяется идентификаторами. Когда данные, передающиеся между устройствами, имеют отношение к конкретному блоку, то они обрабатываются, если нет — игнорируются.
Длина идентификатора CAN-шины может составить 11 либо 29 бит.
Каждый передатчик информации одновременно выполняет считывание данных, передающихся в интерфейс. Устройство с более низким приоритетом должно отпустить шину, поскольку доминантный уровень с высоким показателем искажает его передачу. Одновременно пакет с повышенным значением остается нетронутым. Передатчик, который потерял связь, спустя определенное время ее восстанавливает.
Интерфейс, подключенный к сигналке или модулю автоматического запуска, может функционировать в разных режимах:
- Фоновый, который называется спящим или автономным. Когда он запущен, все основные системы машины отключены. Но при этом на цифровой интерфейс поступает питание от электросети. Величина напряжения минимальная, что позволяет предотвратить разряд аккумуляторной батареи.
- Режим запуска или пробуждения. Он начинает функционировать, когда водитель вставляет ключ в замок и проворачивает его для активации зажигания. Если машина оборудована кнопкой Старт/Стоп, это происходит при ее нажатии. Выполняется активация опции стабилизации напряжения. Питание подается на контроллеры и датчики.
- Активный. При активации этого режима процедура обмена данными осуществляется между регуляторами и исполнительными устройствами. Параметр напряжения в цепи увеличивается, поскольку интерфейс может потреблять до 85 мА тока.
- Деактивация или засыпание. Когда силовой агрегат останавливается, все системы и узлы, подключенные к шине CAN, перестают функционировать. Выполняется их деактивация от электрической сети транспортного средства.
Ошибка u1900 Форд Фокус 2: код и как исправить
Бортовой компьютер и управляющая электроника на втором Фокусе редко преподносят неприятные сюрпризы хозяевам. Блоки электронного управления достаточно просты, а модульная система монтажа позволяет точно локализовать неисправность электроники. Однако иногда возникают ошибки, связанные не с надёжностью электронных модулей, а с надёжностью проводки и качеством обработки контактов. Ошибка U1900 может возникнуть неожиданно, и так же неожиданно исчезнуть. Что это такое, как её исправить, выясним вместе.
U1900, что это за ошибка на Форд Фокус 2?
При ошибке u1900 на панели может быть такое сообщение.
Все электронные модули, которые отвечают за работу и коррекцию настроек двигателя, обеспечивающие работу системы питания, зажигания и других важных электрических цепей, связаны между собой шинами по протоколу CAN или шинами высокоскоростной передачи данных. При малейшем нарушении связи между модулями, бортовой компьютер предупреждает об этом сообщениями об ошибках. Вот список ошибок, которые связаны с CAN-шинами:
- IC U1900-60 — ошибка приёма данных из-за неисправности шины, самая распространённая ошибка, но могут быть и другие сообщения;
- IC U2200-20 — возникает при некорректной работе одометра;
- IC U2510-20 — говорит о разрыве связи в коммуникационной шине CAN.
При повреждении высокоскоростной шины компьютер может выдать ошибку U0001-Е1.
Основные симптомы появления ошибки IC U1900-60
Симптомы этих неисправностей малоприятны, а их возникновение никак не зависит от года выпуска, комплектации, типа двигателя:
- глючит приборный щиток, загораются все контрольные лампы одновременно;
- стрелка тахометра внезапно падает на ноль, дёргается, некорректно показывает количество оборотов;
- стрелка спидометра падает на ноль;
- одометр не считает пробег;
- двигатель продолжает работать, но при этом на дисплее возникает сообщение о том, что интенсивность разгона уменьшена;
- растёт температура охлаждающей жидкости;
- периодически загорается лампа Check Engine.
Код u1900 на диагностике.
При сканировании ошибок компьютер выдаёт одну из перечисленных выше ошибок, а это значит, что пора исправлять ошибку IC U1900-60 своими руками, если машина уже не на гарантии. В дилерском центре за работу и диагностику возьмут приличную сумму, к тому же навяжут замену свечей, электронной педали акселератора, модуля бензонасоса, словом, будут проталкивать залежалый товар подороже. Поэтому разбираться будем сами.
Как исправить ошибку U1900 на Форд Фокус 2
Как правило, сброс ошибок бортового компьютера и снятие клеммы с АКБ ничего толком не даёт. Ошибка может исчезнуть на какое-то время, но появится снова. От режима самотестирования приборной панели тоже толку мало — тест пройдёт успешно, если в этот момент шина CAN будет работать нормально. Единственный выход — пропайка контактов на плате приборного щитка.
Вот контакты, которые нужно пропаять:
Чтобы до них добраться, необходимо снять и полностью разобрать приборку. Делаем это так:
- Перемещаем рулевую колонку максимально на водителя и вниз.
- Снимаем пластиковые накладки под рулём и откручиваем два самореза.
- Откручиваем два самореза под шкалами тахометра и спидометра.
- Оттягивая козырёк вверх, поддеваем приборку сверху и освобождаем фиксатор.
- Вынимаем панель на себя и отключаем клеммную колодку.
Снимаем информационное табло.
Снимаем декоративную накладку, аккуратно снимаем стрелки и получаем доступ к плате. Вот как она выглядит.
- 25-ваттным паяльником аккуратно пропаиваем указанные контакты, удаляя микротрещины.
- Проверяем состояние контактов на шлейфе проводов.
- Сборку приборной панели проводим в обратном порядке.
CAN модуль, шина — проблемы, решение.
А от них, к глубочайшему сожалению, никто вообще не затрахован. Более того — они обязательно появятся в процессе нормальной эксплуатации [/QUOTE] Ув. TEC! Судя по всему отношение к фирме непосредственное — так что за качество изделия — респект сразу.
Можно с вопросами если что?
1. Как проявляется bus error, на что влияет и чем преодолевается?
2. Что необходио проверить после установки сигналки на основе CAN? Кнопки понажимать — понятно. А вот скрытые эффекты: потребление еще что-то?
3. Двойное запирание, дожим и остановка при закрытии (через остановку режима комфорт) стекол организуется через CAN на FF2?
Заранее спасибо.[/QUOTE] Прошу прощения за такую задержку — мне почему-то не приходили подтверждения об активности в теме, я про нее и забыл.
1. По поводу ошибок — появляются они судя по всему в результате электромагнитных наводок (помех) при работе автомобиля и стандартом шины предусмотрена их «компенсация», т.е. сообщение теоретически должно дойти обязательно. Модули их (ошибки) диагностируют — диагностика в шине на высочайшем уровне, и запоминают. На работу это никак не влияет, но, теоретически, при большом количестве накопленных ошибок может загореться лампа посыла на сервис. Впрочем до наступлеия этого момента скорее всего проявятся глюки (самые неожиданные) в работе салонного оборудования. Большое количество ошибок на пустом месте не возникнет. Однако как показывает практика (Audi А8 тому хороший пример) «сырая» машина и без ошибок шины будет глючить по черному.
2. Из скрытых эффектов — только потребление, но на некоторых машинах оно может приходить в норму не сразу после постановки на охрану, а через время (для BMW-7 кузов E65 например это порядка 30 минут).
3. Да управление этими функциями возможно через CAN на ФФ2, хотя это алгоритмы заводских модулей и изменить их мыне в силах — только запустить или остановить процесс.
Я и не говорю, что она нормальная — протокол позволяет не переживать по поводу их появления (если не часто). А на счет ее дифференциальности — так это не панацея. Если заглянуть, например в VIS (это Мериновская сервисная прога) то там тестированию шины посвящен целый раздел — и это не от хорошей жизни.





































